NXP MC33775A:14 节电池单元控制器 IC 的卓越之选

电子说

1.4w人已加入

描述

NXP MC33775A:14 节电池单元控制器 IC 的卓越之选

在汽车和工业应用中,电池管理系统的性能直接影响着整个系统的稳定性和可靠性。NXP 的 MC33775A 是一款专门为汽车应用设计的锂离子电池单元控制器 IC,同时也适用于工业应用。今天,我们就来深入了解一下这款产品。

文件下载:NXP Semiconductors MC33775A 14节电池控制器IC.pdf

一、产品概述

(一)通用描述

MC33775A 专为汽车应用而设计,如混合动力电动汽车(HEV)和电动汽车(EV),当然也能用于工业领域,像储能系统(ESS)和不间断电源(UPS)系统。它能够高精度测量电池单元的差分电压和温度,还具备一系列被动电池单元电压平衡功能,可使电池组中各个电池单元的电压达到均衡。此外,该器件提供串行外设接口(SPI)和隔离式菊花链接口,方便与主机 MCU 进行通信,不仅提高了安全等级,还降低了物料清单成本。

(二)特性与优势

  1. 宽温度范围与安全标准支持
    • AEC - Q100 1 级认证,可在 - 40°C 至 + 125°C 的环境温度范围内稳定工作。
    • 支持 ISO 26262 ASIL D 标准,用于电池单元电压、模块电压和温度测量,为系统安全提供了有力保障。
  2. 精准的测量功能
    • 电池单元电压测量:每个器件可测量 4 到 14 个电池单元,支持 ±5V 输入电压的母线,具备 16 位分辨率和 ±1mV 的典型测量精度,长期漂移极低,电池单元电压测量同步性达 120µs,还集成了可配置数字滤波器。
    • 外部温度和辅助电压测量:拥有 8 个模拟输入,输入范围为 5V,可配置为绝对或比率测量,16 位分辨率和 ±5mV 的典型测量精度,同样集成可配置数字滤波器。
    • 模块电压测量:输入范围为 9.6V 到 65V,16 位分辨率和 0.3% 的测量精度,集成可配置数字滤波器。
    • 内部测量:包含两个冗余内部温度传感器,可测量电源电压和外部晶体管电流。
  3. 高效的电池单元电压平衡功能
    • 具备 14 个内部平衡场效应晶体管(FET),每通道最大电流可达 300mA,可实现所有通道的同时被动平衡。
    • 拥有全局平衡超时定时器,支持定时器控制平衡(单个定时器分辨率为 10s,最长持续时间达 45h)、电压控制平衡(有两个阈值可停止受影响的电池单元或停止所有平衡)、温度控制平衡(当平衡电阻过热时,平衡将中断)、脉冲宽度调制(PWM)控制平衡,测量期间平衡自动暂停,还有全局预平衡延迟和电池组自动放电(紧急放电)功能。
  4. 丰富的接口与功能
    • I2C 总线主接口可控制外部设备,如 EEPROM 和安全 IC。
    • 可配置报警输出,能及时反馈异常情况。
    • 支持循环唤醒功能,可在睡眠和平衡期间监控电池组。
    • 主机接口支持 SPI 或变压器物理层 3(TPL3),TPL3 接口数据速率为 2Mbit,SPI 数据速率为 4Mbit。TPL3 通信支持两线菊花链,具备电容和电感隔离,协议支持最多六个菊花链,每个链最多 62 个节点。
    • 拥有唯一的设备 ID,方便识别和管理。
  5. 多种工作模式:提供主动模式、睡眠模式、循环模式和深度睡眠模式,可根据实际需求灵活选择,降低功耗。

二、订购信息

(一)产品型号与封装

MC33775ATA1AE 采用 LQFP64 封装,这是一种塑料、热增强型薄型四方扁平封装,有 64 个引脚,引脚间距为 0.50mm,尺寸为 10 x 10 x 1.4mm,版本为 SOT1510 - 2。

(二)订购选项

目前 MC33775ATA1AE 提供 TPL 接口版本,SPI 接口版本暂未提供。

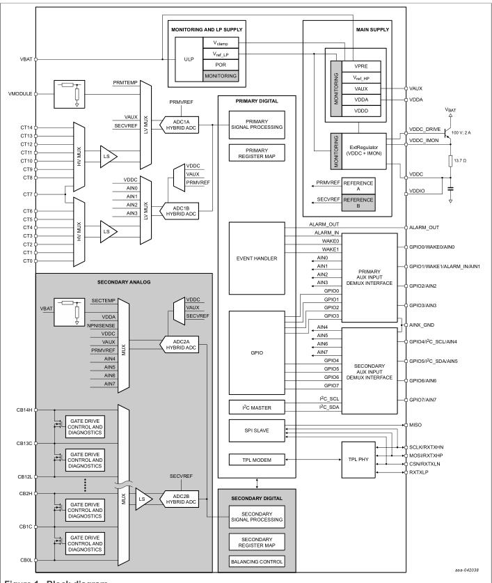
三、模块框图

该图展示了 MC33775A 的总体架构,有助于工程师更好地理解其内部结构和工作原理。

四、极限值

(一)电气特性极限值

文档中详细列出了各项电气参数的极限值,如电池电源电压(VBAT)范围为 - 0.3V 到 + 75V,模块电压测量输入(Vmodule)范围同样为 - 0.3V 到 + 75V 等。这些极限值是在绝对最大额定系统(IEC 60134)下规定的,超过这些值可能会对器件造成永久性损坏。

(二)温度与 ESD 极限值

温度方面,结温(Tj)范围为 - 40°C 到 + 165°C,存储温度(Tstg)范围为 - 55°C 到 + 150°C,峰值回流温度(Trellowpeak)为 260°C(引脚焊接温度限制最长持续时间为 10s,不适合浸焊)。ESD 方面,不同引脚的静电放电电压极限值有所不同,如人体模型(HBM)下部分引脚的静电放电电压范围为 - 2kV 到 + 2kV 等。

五、修订历史

文档记录了该产品短数据手册的修订历史,从 2022 年 2 月 4 日的初步短数据手册(MC33775A SDS v.1)到 2023 年 7 月 17 日的产品短数据手册(MC33775A SDS v.2.1),其中 2023 年 7 月 17 日的版本对表 1 和表 2 进行了更改。

六、法律信息

(一)数据手册状态

文档介绍了不同状态的数据手册含义,如目标 [短] 数据手册对应产品开发阶段,初步 [短] 数据手册对应产品资格认证阶段,产品 [短] 数据手册对应产品生产阶段。

(二)定义说明

对应用、草案、短数据手册、产品规格、极限值等术语进行了明确的定义,提醒用户在使用产品时需注意的事项,如客户需自行测试产品是否适合自身应用,NXP 不承担因客户应用或产品问题导致的责任等。

(三)免责声明

NXP 声明文档信息虽准确可靠,但不承担因使用该信息产生后果的责任,产品销售遵循商业销售通用条款和条件,不承担间接、附带、惩罚性等损害赔偿责任,不构成销售或许可要约,有权随时更改文档信息,产品可能受出口管制等。

(四)许可证与商标

购买符合 NFC 标准的 NXP IC 不意味着获得相关专利的隐含许可,文档中提及的所有品牌、产品名称等商标归各自所有者所有,NXP 的文字标志和标识是 NXP B.V. 的商标。

总的来说,NXP 的 MC33775A 是一款功能强大、性能卓越的电池单元控制器 IC,在汽车和工业电池管理系统中具有很大的应用潜力。电子工程师在设计相关系统时,可以充分考虑其特性和优势,结合实际需求进行合理选型和应用。大家在使用这款产品的过程中,有没有遇到过什么问题或者有什么独特的应用经验呢?欢迎在评论区分享交流。

打开APP阅读更多精彩内容
声明:本文内容及配图由入驻作者撰写或者入驻合作网站授权转载。文章观点仅代表作者本人,不代表电子发烧友网立场。文章及其配图仅供工程师学习之用,如有内容侵权或者其他违规问题,请联系本站处理。 举报投诉
  • 相关推荐
  • 热点推荐

全部0条评论

快来发表一下你的评论吧 !

×
20
完善资料,
赚取积分