在智能设备全面普及的当下,全球导航卫星系统(GNSS)已成为各类终端的“刚需功能”。而高精度定位的实现,离不开核心器件——GNSS低噪声放大器(LNA)。卫星信号从2万公里外的太空抵达地面时,功率已降至-130dBm以下,极易被系统噪声淹没,进而导致定位失效。GNSS LNA的核心作用在于破解这一技术瓶颈,它能将微弱信号放大至平台系统可处理的水平,同时优化系统信噪比,通过GNSS LNA靠近天线摆放,可减少信号传输损耗与噪声干扰,作为接收端的第一级器件,其噪声特性直接决定整机的定位精度。
艾为全场景GNSS LNA方案
数模龙头艾为电子深耕GNSS LNA领域,产品覆盖专业高精度设备、消费级智能终端(手机/穿戴)、工业及车载交通等全场景,核心亮点:
超低噪声:高端型号噪声系数低至0.5dB,复杂环境定位精度提升显著;
多频段兼容:单器件支持L1/L2/L5多频段,简化前端设计;
全场景适配:从1.2mA超低功耗(穿戴设备)到车规认证型号(车载场景),覆盖不同需求。
在介绍应用方案之前先简单介绍衡量LNA性能的四大关键指标。
噪声系数:灵敏度的"守门员"
噪声系数(Noise Figure)是LNA的核心性能指标,直接决定接收机灵敏度。艾为电子GNSS LNA的噪声系数性能处于业内领先水平:AW15345DNR & AW15045FDR可达0.50dB,可有效提升GNSS定位精度与速度。

表1 AW15345DNR和AW15045FDR部分主要指标
增益:放大能力的"调节器"
增益(Gain)参数需要平衡,过高或过低都会影响系统性能,取决于平台的解调能力。
设计考量:
增益过高:可能导致后续电路饱和,产生非线性失真
增益过低:无法有效提升信号强度,难以克服后续电路的噪声影响
针对手机、穿戴等设备对eLNA约18dB的典型增益需求,艾为电子的GNSS LNA增益可精准满足;若场景需要更高增益,通过级联GNSS LNA即可实现。
线性度:抗干扰的"防火墙"
线性度(Linearity)指标主要包括IP3(三阶交调截止点)和P1dB(1dB压缩点),这些参数决定了LNA抗干扰能力。
关键参数:
·IP3(三阶交调截止点):>-10dBm,可有效抵抗邻频干扰
·P1dB(1dB压缩点):>-20dBm,确保强信号下不饱和
艾为电子的GNSS LNA的AW15745DNR线性度性能业内领先,P1dB达-2.5dBm,IIP3高达3.3dBm,极高的线性度有效地解决了手机蜂窝与GNSS共存场景、多模导航相互干扰问题等。

表2 AW15745DNR部分主要指标
功耗: 能量消耗的“计量器”
艾为电子已量产多档位功耗GNSS LNA产品系列,全面覆盖各行业差异化需求:核心型号AW15085DNR以1.2mA超低功耗达成行业领先,同时提供2.4mA、4mA等多档位多产品的选择。
穿戴设备优先选用4mA以内低功耗型号、手机产品可灵活适配6mA左右型号。

表3 不同功耗的LNA部分主要指标
以下将详解各领域典型应用方案图:
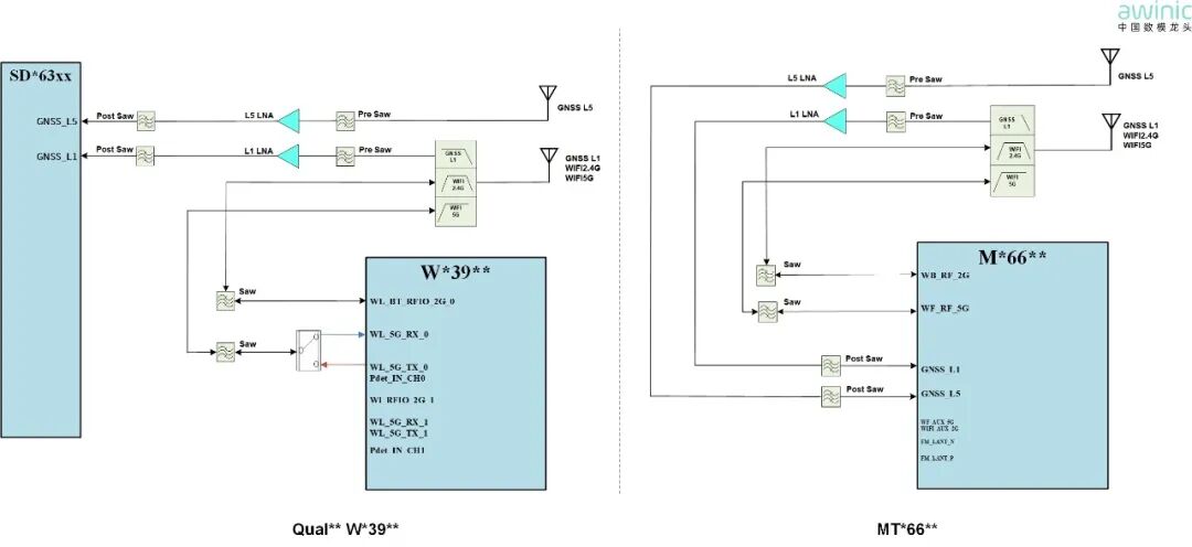
智能手机/儿童手表/手环GNSS电路框图
以Qual**&MT**平台为例:

图1 智能终端GNSS电路应用方案图
1. 图1为典型智能终端GNSS电路应用框图,穿戴除平台差异外,前端设计与手机基本一致,信号链路为:ANT→Pre SAW→GNSS LNA→Post SAW→TR。其中Post SAW为兼容设计,Qual**平台通常必需,因天线至RF TR走线较长易引入带外干扰,需摆放在靠近平台端;MT**平台为兼容设计,仅当存在带外干扰时使用。
2. 天线设计方案:L1天线通常与WIFI 2.4G/5G共天线;L5天线可采用独立方案,也可与MIMO WIFI 2.4G/5G或主射频共天线,具体需根据PCB布局及天线环境确定。
3. B13频段干扰防护:若手机支持B13(787MHz),需考虑其二次谐波对GPS的干扰,防护措施如下:
保障B13二次谐波与GPS天线的隔离度;
选用高带外抑制的Pre-SAW滤波器;
在B13-PA输出端预留二次谐波衰减LC电路;
在GPS天线后预留谐波衰减LC电路,推荐电路如图2。

图2 787MHz陷波网络
低插损陷波网络(Notch)
建议BOM:L4:15nH, C4:2.7pF, C5:7.5pF, C6:7.5pF;
该网络插损约0.2dB,787MHz抑制度约10dB;
该HPF我们建议加在LNA前SAW的输入端;
该网络因此不要额外的匹配器件,根据实际情况微调C5/C6即可。
GNSS模组电路应用框图
图3 GNSS模组电路应用方案图
1. 单LNA共匹配方案:一颗GNSS LNA实现L1+L5信号同时放大,滤波器在第二级抗干扰能力差,适用于共享单车、电动车、物流追踪等中低精度定位场景。
2. 双LNA双SAW方案:两颗GNSS LNA搭配前后级SAW滤波器,适配无人机、自动驾驶汽车、自动割草机等复杂电磁环境场景。
GNSS有源天线电路应用方案
推荐如下三个设计方案:

图4 GNSS有源天线电路应用方案图
1.GNSS有源天线设计:需根据GNSS模组平台的差异确定天线增益要求,常见规格为17dB/28dB/36dB,针对不同增益需求,对应提供上述三种建议应用方案,LNA级联的前后位置可根据实际情况调整。
2.前端电路设计要点:天线后第一级器件选型需结合天线类型,多合一天线(GNSS与Cellular/WIFI集成)建议优先串联滤波器,以抑制带外干扰导致的性能衰减;外置GNSS天线因带外干扰较少,可优先放置GNSS LNA,从而显著提升GNSS信号性能;电路中的LDO为高电压平台供电提供兼容设计,以提供适当的电压给GNSS LNA供电;此外,TP0是GNSS模组接入的馈点,其中C1(100pF)实现隔直流通高频功能,L1(100nH)实现阻高频通直流功能。
3.LNA选型建议:天线后首级LNA可按需选型,末级则采用L1/L5二合一LNA,艾为电子AW15745DNR仅需一颗输入电感即可实现双频段信号同时放大;AWR5005DNR-Q1更是通过了AEC-Q100车规认证,为客户提供了更灵活的设计选型空间。

表4 AW15745DNR&AWR5005DNR-Q1部分主要指标
GNSS LNA作为定位系统性能的核心,其性能直接定义了自动驾驶、物联网等新兴领域的定位精度高度。面对持续攀升的高性能需求,科学选型与优化设计是实现精准定位的关键。数模龙头艾为电子始终以技术为核心深耕迭代,用更卓越的产品赋能全场景应用。以下为艾为电子全系列GNSS LNA产品选型表,后续重磅新品,敬请持续关注!

表5 GNSS LNA选型表
全部0条评论
快来发表一下你的评论吧 !