电子说
作为电子工程师,我们总是在寻找高效、实用的开发板来助力项目开发。今天要给大家介绍的就是NXP的FRDM - STBA - A8967传感器工具箱开发板,一起来深入了解它吧。
文件下载:NXP Semiconductors FXLS8967AF用传感器工具箱开发板.pdf
FRDM - STBA - A8967评估板盒子里包含:
需要注意的是,FRDM - K22F MCU板可以从NXP网站订购,它能与FRDM - STBA - A8967屏蔽板组合成自定义开发套件。这就给我们的开发提供了更多的灵活性,大家有没有想过用这个自定义套件实现什么特别的功能呢?
为了快速启动使用FRDM - STBA - A8967传感器屏蔽板与FRDM - K22F组合的自定义传感器套件进行评估或开发,推荐以下开发者资源:
FRDM - STBA - A8967是一款用于FXLS8967AF 3轴低功耗运动唤醒加速度计的传感器附加/配套屏蔽板。它与FRDM MCU(FRDM - K22F)板搭配,借助传感器工具箱启用软件和工具,能让客户快速评估FXLS8967AF。如果想了解更多板载组件的详细信息,可以参考FRDM - STBA - A8967入门文档的2.3节。大家在拿到开发板后,是不是会先仔细研究一下板载组件呢?
FRDM - STBA - A8967设计为与Arduino I/O头完全兼容,并针对操作条件进行了优化。将屏蔽板通过Arduino I/O头堆叠在FRDM - K22F MCU板上,即可由MCU板为其供电。如图1所示,将电缆插入板上的OpenSDA USB端口和PC上的USB连接器,就能为板供电。它与FRDM - K22F搭配使用FreeMASTER - Sensor - Tool软件工具,能加速传感器评估,让终端用户在产品开发的各个阶段都能更高效地工作。大家在实际操作中,有没有遇到过供电方面的问题呢?
FRDM - STBA - A8967传感器工具箱开发板的特色组件是FXLS8967AF 3轴数字加速度计,它专为广泛的汽车安全和便利应用而设计,能在超低功耗下实现运动唤醒功能。这个组件在汽车相关项目中是不是会有很大的用武之地呢?
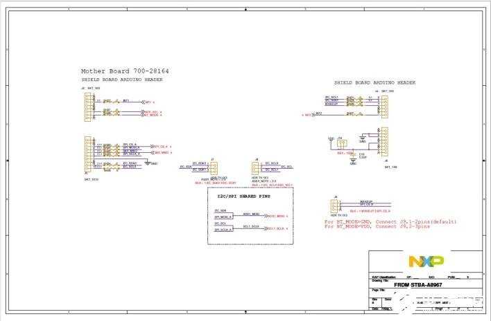
FRDM - STBA - A8967传感器屏蔽板的设计文件可在其设计资源部分的板子页面获取。下面是原理图的截图: 

文档的草稿状态表示内容仍在内部审核中,需正式批准,可能会有修改或补充。NXP半导体对草稿版本信息的准确性和完整性不做任何陈述或保证,也不对使用此类信息的后果承担责任。大家在使用文档时,是不是要注意一下文档的状态呢?
文档中的信息虽被认为准确可靠,但NXP半导体对其准确性和完整性不做任何明示或暗示的陈述或保证,也不对使用此类信息的后果承担责任。同时,NXP半导体产品不适合用于生命支持、生命关键或安全关键系统或设备等应用,客户需自行承担使用风险。在使用开发板进行相关项目时,大家有没有考虑过这些免责声明呢?
所有引用的品牌、产品名称、服务名称和商标均为其各自所有者的财产,NXP的文字商标和标志是NXP B.V.的商标。
FRDM - STBA - A8967传感器工具箱开发板凭借其丰富的特性和功能,为电子工程师提供了一个强大的开发平台。希望大家在使用过程中能充分发挥它的优势,开发出优秀的项目。你在使用这款开发板时有什么独特的经验或想法吗?欢迎在评论区分享。
全部0条评论
快来发表一下你的评论吧 !