一、运放的常用用法
运算放大器常作为一种高增益、差分输入、单端输出的电路,在模拟电路与信号处理系统中有多种用法。
最基本的用途是信号放大,可以将微弱的输入信号按一定比例放大,无论是同相放大还是反相放大,都能通过配置外部电阻来控制放大倍数。在音频放大、传感器信号调理等领域有应用。
运算放大器还能实现信号运算功能,对多个输入信号进行加、减、乘、除等数学运算,或积分和微分运算。
此外,运算放大器可以构建方波发生器,其基本原理是利用其高增益特性以及正反馈和负反馈网络来产生周期性的高低电平切换,从而输出方波信号。

以上为工程师最常见到的一些运放设计应用,下文总结近期客户的一些应用场景。
二、运放的应用案例
1、信号偏置与放大案例
通过多级运放可实现电压的偏置与放大,应用案例中,要求将 0V~5V 的输入模拟信号,对应转换为 - 10V~+10V 的输出模拟信号。
对应电路原理图如下:

图一、基于AiP072与AiP431A的信号偏置与放大电路
先通过一级同相求和运算电路,结合 AiP431A 电压基准,将输入电压转换为 VX=VI-2.5V,对应一级运放的输出电压范围为 - 2.5~2.5V。再利用二级同相比例运算电路进一步转换,得到 VO=4×VI,此时二级运放的输出电压范围为 - 10~+10V。
其中:R1=R2; R6=R1//R2; R5=3×R4; R3=R5//R4
2、运放的驱动加强案例
运放在小信号处理领域应用广泛,但负载能力较弱 (运放的驱动能力通常在几 mA 至 20mA 之间,短路电流一般不超过 50mA),因此很难驱动继电器、LED 灯、功率管、高阻耳机、电机、变压器等负载,也无法满足远距离模拟传输的需求。若应用场景需要几百 mA 至 A 级的驱动电流,现有运放无法适配,需对电路进行改进,以满足百 mA 级甚至 A 级的驱动需求。

图二、运放驱动Q1
其中:V+ = V- = Vi,V+/R1=(Vo-V-)/R2,因此:Vo=(1+R2/R1)*Vi
通过上述方式,建立输出电压与输入电压关系,但输出的电流值可以远大于运放,甚至可以高于专用的功率运放。
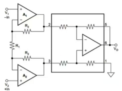
3、运放电流检测案例
电流检测方案主要分为霍尔检测和电阻检测两类,其中霍尔电流检测的缺点是结构体积较大、成本偏高,优势则是具备电气隔离功能。若应用场景无电气隔离,采用电阻采样的电流检测方式更为合适;为实现检测 ADC(独立 ADC 芯片或集成 ADC 功能的 MCU)与被检测设备的共地,我们常用的电流检测结构设计如下。

图三、低边电流检测
该结构广泛应用于反激式开关电源一次绕组的电流采集、低压小功率电机驱动器三相桥的低侧电流采集等场合,优势是低侧电流测量设计简单,仅需一个运放即可完成电流测量。
但该方案会在接地路径中串入采样电阻,数字电路或驱动电路的高低电平切换会导致电流动态变化,流入地的电流会在采样电阻上产生电压,电压将以地平面噪声的形式叠加在系统地上。不仅会影响模拟部分的测量精度,还可能导致数字部分出现误动作。因此,在对地平面噪声要求不高的系统中,低侧电流测量是最简便的方案;若系统无法容忍地平面噪声,则可选择高侧电流测量(又称电源侧采样),其具备更强的抗共模干扰能力。高侧电流采样的原理如下图所示。

图四、电源侧电流采集
中微爱芯AiP8199、AiP8280 系列电流检测放大器专为电流检测方案设计,具有超宽共模电压(AiP8199 为 30V,AiP8280 为 120V)、超低误差及高速响应优势,既可用于低侧电流采集,也应用于电源侧电流采方案。
附1:AiP8199替代某X198方式
某X198通过输出外接一只RL(需要高精度,低温漂电阻)对放大倍数进行调整。该方案容易在负载外接其它电阻导致检测错误,工程师设计时尤其小心。
某X198 的Vout=Is*Rs*RL/1k,AiP8199 的Vout=Is*Rshunt*100,当要求Vout相同,即Rshunt*100=Rs*RL/1k,则AiP8199的采样电阻Rshunt=(Rs*RL/1k)/100。替换Ti的INA138/INA136方法类似。
在输入端口增加的RC可以滤除差模和共模干扰。

图五、AiP8199应用外围

图六、某X198 应用外围
附2:AiP8199可以与AiP8552构成仪表运放
电流检测运放通过前级增加一颗2路精密运放可以做成仪表放大器,放大倍数可以通过调整电阻灵活调节。

图七、AiP8199可以与AiP8552构成仪表运放
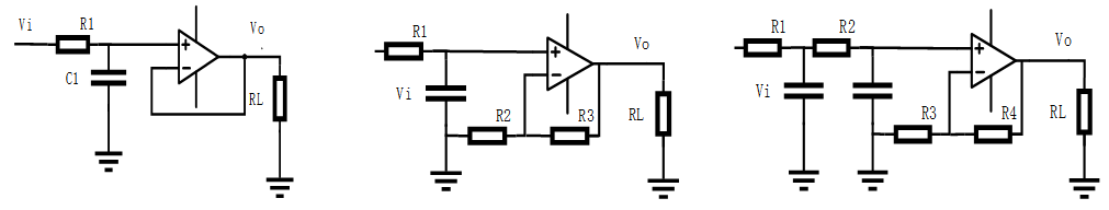
4、运放的二阶低通滤波
RC 滤波是无源滤波器中最典型的一种,但存在明显缺陷:电阻与负载会形成分压,负载阻值越大,输出电压越高;同时滤波带宽会随负载特性变化。
在无源滤波与负载之间增设一级跟随器,可使输出电压不受负载影响,由此构成一阶有源低通滤波器。借助运放的放大特性,还能对输入信号进行幅值放大。若原幅频特性曲线不够陡峭,可再增加一组 RC 滤波单元,进而构成二阶有源滤波器。

图八、二阶有源滤波器
如果幅频曲线还不够陡峭,可引入了正反馈,如 Sallen–Key 滤波器。
根据项目的转折和带内波动设计要求选择具体的RC参数,详细选型方法可参考《运算放大器权威指南》一书第16章
5、运放的对数应用
模拟电路信号检测中,针对输入动态范围极大的信号,为覆盖信号上下限且不降低性能,通过对数放大方式实现。
对数运放的核心特点是,输出值不会随输入线性增大,而是呈非线性增长。对突发增大的信号,以非线性检测方式压缩信号幅度,适配宽动态范围需求。这类对数运算电路的核心原理,是利用二极管、三极管等电子器件本身具备的对数关系实现的。
二极管一个重要公式为:ID ≈Is*eUd/Ut ,其存在对数关系。
其中:ID为正向电流,IS为反向饱和电流,UD:正向电压,UT为热电压(26mV)
但二极管在电压小于开启电压时,电流和电压非指数关系。一般采用下图三极管方式设计,其输出与输入关系为:Uo=-ube≈-ut*ln (uI/(IS*R))。

图九、三极管与AiP8551构成的对数放大

图十、三极管特性曲线
目前还有的应用方式为采用程控运放、增益可调运放或者在运放反馈采用类似模拟开关串联电阻来调节放大比例,来使得信号在不同幅度运算放大后仍然在幅值电压范围内。
三、总结
运放的应用方式非常广泛且灵活。除上述介绍的,还有过零检测、窗口比较器、电压频率转换器、三角波发生器、脉冲发生器、恒流源等等应用方式。
关于中微爱芯
无锡中微爱芯电子有限公司成立于2004年,是一家以集成电路设计、测试、方案开发、销售和服务为主的高新技术企业,是工信部认定的集成电路设计企业,是国家鼓励的重点集成电路设计企业。产品已形成MCU、LCD显示、LED显示、通用逻辑、信号链、马达&栅驱动、功率器件、电源、音响、遥控器、通信、配套等多个系列几千款产品,覆盖消费电子、网通产品、工业设备、新能源、汽车电子等多个领域。
全部0条评论
快来发表一下你的评论吧 !