工程名称:基于MP4201与MP4583的大功率可调电源设计
工程作者:MPS校园科创大使 蔡嘉发

前言
我用免费PCB,做了一个 数字可调电源模块!

看完这个项目,小编只有1个感叹:
要是我在大学的时候,能做出这个项目,我肯定是实验室最靓的仔!
01 功能&亮点
功能亮点
112V-100V输入
2可编程1-48V,已验证最高输出功率300W
3支持CC与CV与各种保护,含:SCP、OVP、OCP
4串口屏实时显示电压、电流等数据,支持设定参数
5采用Buck-Boost电路,升降压自动切换
6非常简单的外围电路和控制逻辑
使用场景
1大功率可调电源:可用于实验室直流电源、电机测试平台等
2大功率快充电源:多口USB快充、无线充电等
3电池管理系统:48V电池包充电、新能源储能系统等
4机器人供电:RoboMaster机器人大赛超容无线充,ROBOCON机器人大赛航模/关节电机供电等
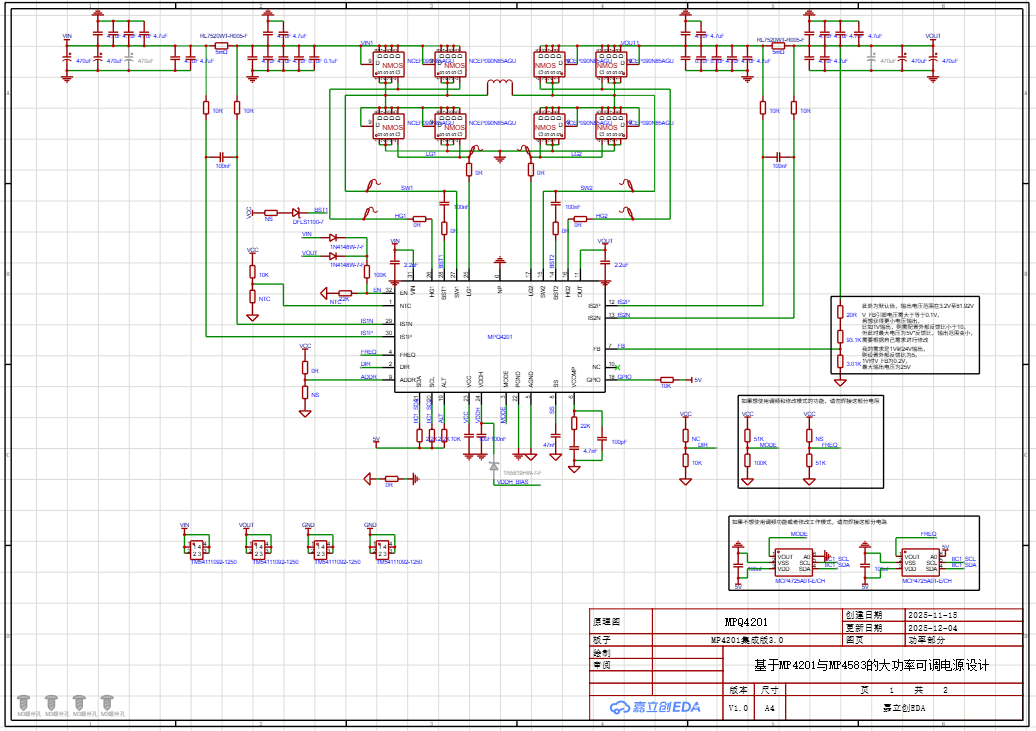
02 硬件设计方案
系统基于 MP4201 构建 Buck-Boost 拓扑,并配合 STM32 及外设实现参数配置、状态监测及智能交互。

原理图_功率部分

原理图_辅助控制部分

PCB图
为啥说这电源的外围 “简单到离谱”? 咱先说说传统方案的常态:
电压采样要串电阻、电流采样要贴分流器,还要搭运放做信号调理……调试时一个参数不对就得全盘返工。
而我选的这个MP4201设计就不一样啦:
这芯片直接把控制算法、电路监测、数据传递、功率驱动这些核心工作包揽了。当我想实现各种设定,我只需要做一件事——通过IIC向芯片发送“指令”即可!比如目标电压等参数啊、输入输出电压电流数据啊、输出状态啊(比如输出正常、短路等)……
这么一对比,是不是简单多啦
03 软件设计方案
1项目板载STM32代码和串口屏
2代码全开源,可根据第5章指引,去开源网址查看
04 实测情况
先说结果:高效率、低纹波、保护迅速、散热良好
以下是测试详情↓
1.效率测试
测试条件:开关频率200kHz、PFM without FSS模式
测试1:输入24V,0到300W输出

点击查看大图
测试2:输入48V,0到300W输出

点击查看大图
以上效率没有去除控制部分(stm32与串口屏)的消耗功率(2~3W),实际转换效率会更高。
2.纹波测试

3.缓启动和短路保护测试
能通过软件进行开关,并具有缓启动
对于负载短路情况,有快速的SCP响应,保护后级设备

4.温升测试
此为无散热片和风扇发热测试,加上散热片和风扇后效果更佳

怎么样?
你喜欢这个作品吗
如果是你,你会怎么设计它?
欢迎在评论区 打开脑洞 一起探讨!
如果你想给作者点个赞
或想了解开源项目[源码][硬件]等资料
就下滑吧!
05 开源网址
MPS芯源广场 开源网址:https://oshwhub.com/catalystsocrates/ji-yu-mp4201-de-ke-diao-dian-yuan-she-ji

开源内容:

底层原理学习网址(本项目参考来源):https://oshwhub.com/mps-core-source-square/evq4201-qj-00a-420w-24v-to-42v-10a

如果你也想DIY,不妨扫码联系MPSNOW一站式客户服务,可免费申请MP4201芯片!
06 结语
不论你是想学习电源知识,还是想为竞赛设备提供可靠供电,还是想做一个满足日常研发测试的工具……希望你都能在这个开源文档中,有所收获!
这也是开源的一部分意义吧!谁都可以分享/进步,谁都可以学到,技术不再是单纯的“秘密”,而是所有热爱学习的人的进步阶梯。
全部0条评论
快来发表一下你的评论吧 !