电子说
在嵌入式系统开发领域,Renesas的RZ/G2L和RZ/V2L SMARC模块板因其高性能和丰富的功能,成为了众多电子工程师关注的焦点。本文将深入剖析RTK9744L23C01000BE模块板的硬件设计,为大家在实际应用中提供有价值的参考。
文件下载:Renesas Electronics RZ,V2L SMARC PMIC套件.pdf
RTK9744L23C01000BE是一款用于评估Renesas Electronics微处理器RZ/G2L “R9A07G044L23GBG”功能和性能的模块板,同时也可用于评估应用软件开发。它与RTK9754L23C01000BE的主要区别在于后者使用了Renesas Electronics微处理器RZ/V2L "R9A07G054L23GBG",不过两者引脚兼容,功能相似。

| 项目 | 详情 |
|---|---|
| CPU | RZ/G2L |
| 输入(Xin)时钟 | 24MHz |
| Arm Cortex - A55时钟 | 1.2GHz |
| Arm Cortex - M33时钟 | 200MHz |
| AXI - 总线时钟 | 200MHz |
| APB - 总线时钟 | 100MHz |
| 内部内存 | 指令缓存:32KB;数据缓存:32KB |
| 电源电压 | 1.1V,VO:3.3V |
| 封装 | 456引脚PBGA 0.5mm间距 |
| 内存 | QSPI闪存:512Mbit 1pc;DDR4 SDRAM:2GB 1pc;eMMC内存:64GB * 1pc |
| 时钟IC | 时钟发生器:1pc |
| 以太网IC | 以太网PHY:2pcs |
| 连接器 | microSD卡插槽(4位):1pc;10引脚JTAG引脚头:1pc;10引脚ADC引脚头:1pc;SMARC边缘连接器(314引脚):1pc |
| 开关 | 系统设置DIP开关:2位 |
| 电路板规格 | 尺寸:82mm * 50mm;安装方式:双面安装(6层) |
RTK9744L23C01000BE的外观设计紧凑,布局合理。


模块板的主要组件布局清晰,便于安装和维护。

| 符号 | 项目 | 额定值 | 注意事项 |
|---|---|---|---|
| VDD IN | 电源电压 | 5.25V | 参考:Vss |
| 最大功耗 | 3A | 包括连续RZ SMARC系列载板电流消耗 | |
| Topr | 工作环境温度 | 0℃ 至 50℃ | 避免暴露在冷凝或腐蚀性气体中 |
| Tstg | 存储温度 | -10℃ 至 60°C | 避免暴露在冷凝或腐蚀性气体中 |
| 符号 | 项目 | 额定值 | 注意事项 |
|---|---|---|---|
| VDDIN | 电源电压 | 3.0V 至 5.25V | 参考:Smarc v2.1规范 |
| Topr | 工作环境温度 | 0℃ 至 40℃ | 避免暴露在冷凝或腐蚀性气体中 |
| 章节 | 功能 | 描述 |
|---|---|---|
| 2.2 | MPU | 输入(Xin)时钟:24MHz;Arm Cortex - A55时钟:1.2GHz;Arm Cortex - M33时钟:200MHz;AXI - 总线时钟:200MHz;APB - 总线时钟:100MHz |
| 2.3 | 内存 | QSPI闪存:512Mbit 1pc;DDR4 SDRAM:2GB 1pc |
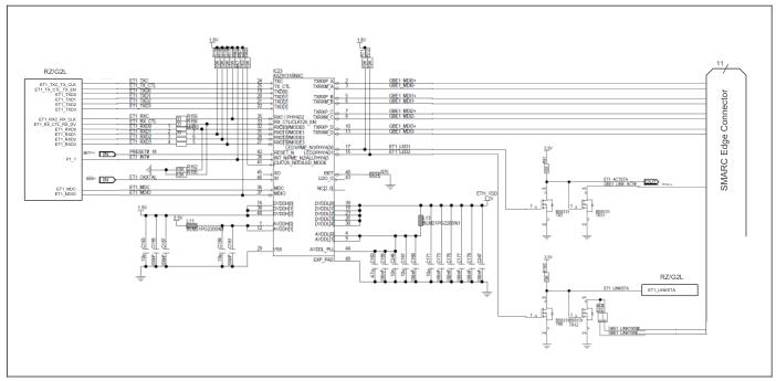
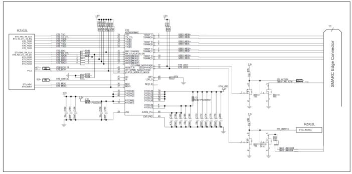
| 2.4 | 千兆以太网接口 | 通过以太网PHY实现以太网控制器(E - MAC)与LAN连接器之间的连接 |
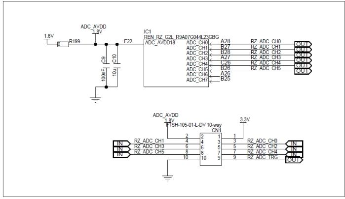
| 2.5 | ADC接口 | 实现ADC模块与连接器之间的连接 |
| 2.6 | 时钟配置 | 系统时钟配置 |
| 2.7 | 复位控制 | 对RTK9744L23C01000BE上安装的RZ/G2L进行复位控制 |
| 2.8 | 电源供应配置 | RTK9744L23C01000BE和RTK97X4XXXB00000BE的系统电源供应配置 |
| 2.9 | PMIC | 实现RZ/G2L与PMIC之间的连接 |
| 2.10 | 调试接口 | 实现调试接口与连接器之间的连接 |
| 2.11 | SD/MMC主机接口 | 实现SD/MMC主机接口(SDHI)通道0与microSD卡插槽之间的连接 |
RTK9744L23C01000BE搭载了64位微处理器RZ/G2L,其与CPU时钟(最大1.2 GHz)同步运行。
| RZ/G2L的引脚功能丰富多样,涵盖了电源、信号输入输出、通信等多个方面。详细的引脚功能列表如下: | 引脚位置 | 引脚名称 | 引脚功能 | 描述 | SMARC引脚编号 | SMARC引脚名称 |
|---|---|---|---|---|---|---|
| G12 | ABG_ AVDD18 | ABG_AVDD18 | 1.8V,三星自适应体偏置发生器1.8V模拟电源 | |||
| B11 | ABG_NCP_OUT | ABG_NCP_OUT | 通过1uF旁路电容连接到VSS | |||
| …… | …… | …… | …… | …… | …… |
RTK9744L23C01000BE除了内置的内存外,还配备了QSPI闪存和DDR4 SDRAM作为外部存储。
QSPI闪存由RZ/G2L内置的SPI多I/O总线控制器(SPIBSC)控制,支持66 MHz时钟频率下的操作。

DDR4 SDRAM由RZ/G2L内置的内存控制器(MEMC)控制,支持16位数据总线宽度和1600Mbps的数据传输速率。

RTK9744L23C01000BE集成了支持RGMII的以太网PHY,该接口符合IEEE802.3 PHY RGMII和IEEE802.3 PHYMII标准。

模块板配备了用于连接ADC接口的10引脚引脚头,可使用6个输入通道。

系统时钟配置合理,MIPI - DSI接口支持高达Full HD、60fps模式的操作,SD接口支持UHS - I模式的50MB/s(SDR50)和104MB/s(SDR104)。

RTK9744L23C01000BE的DDR4 SDRAM、QSPI闪存、eMMC内存、以太网和调试接口由PMIC的复位信号控制。系统复位分为上电复位和按钮开关复位两种类型。 ![复位控制框图](https://p3-flow-imagex-sign.byteimg.com/ocean-cloud-tos/pdf/544e1361a38
全部0条评论
快来发表一下你的评论吧 !