在嵌入式系统设计中,单片机的I/O端口设置是基础且关键的一环。今天我们来详细解析中颖电子8位单片机的I/O设置,帮助工程师更好地理解和应用。
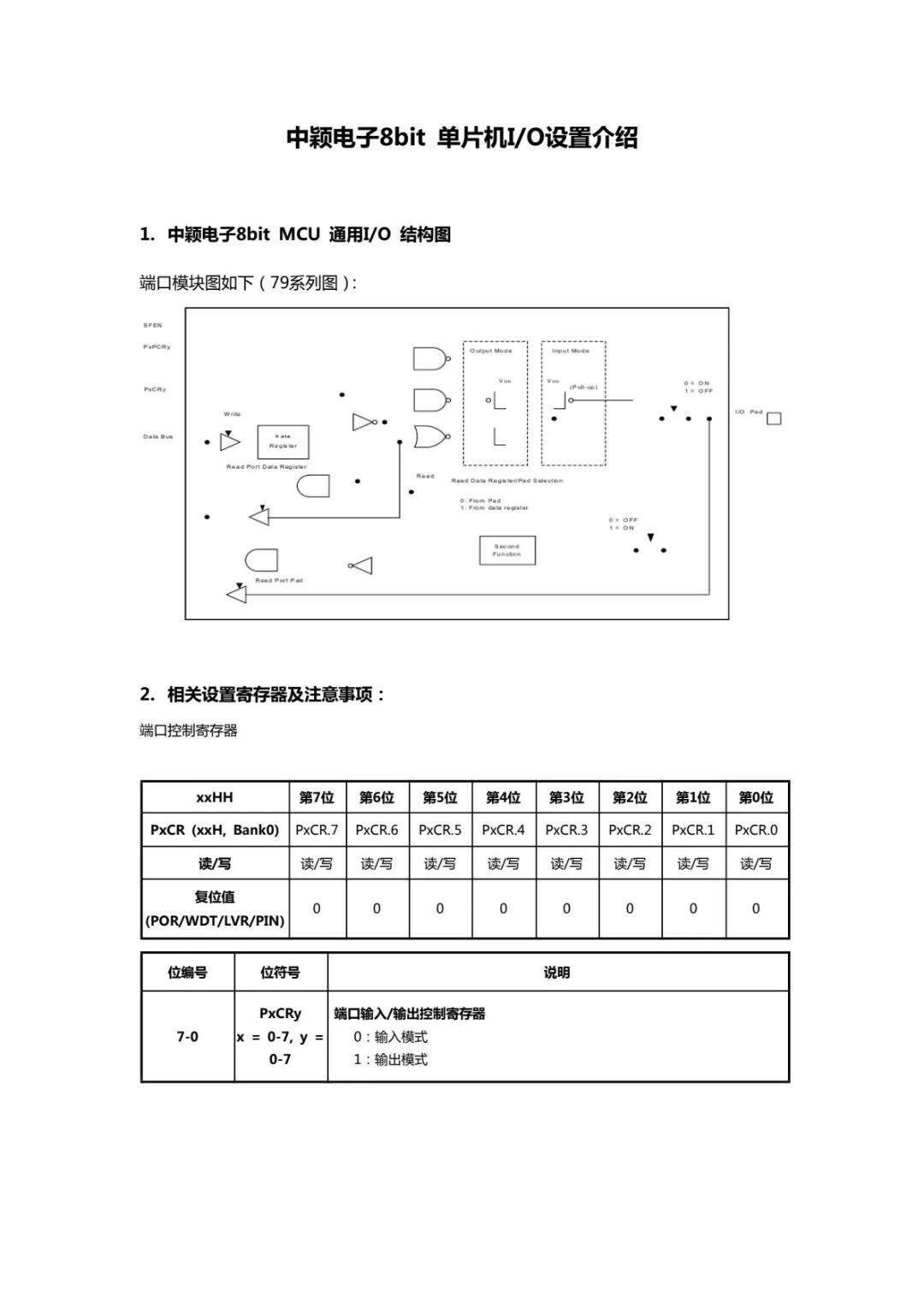
中颖电子8位单片机的端口模块结构是其I/O功能的心脏。79系列的结构图展示了完整的I/O架构,为后续的寄存器设置和功能配置奠定基础。





工程化建议:
初始化规范化:严格遵循"数据寄存器→控制寄存器"的初始化顺序
未用引脚处理:统一设置为输出模式并输出固定电平
电平兼容设计:根据实际连接设备选择最优输入逻辑
系统稳定性:合理配置上拉电阻,必要时加入硬件去抖
总结
中颖电子8位单片机的I/O系统设计体现了工程实用性与灵活性的完美结合。通过深入理解各寄存器的功能特性,工程师可以充分发挥芯片性能,打造稳定可靠的嵌入式系统。
温馨提示:本文内容基于通用技术文档,具体应用时请参考对应型号的官方数据手册。不同系列芯片在寄存器地址和功能细节上可能存在差异,建议以最新版数据手册为准。
全部0条评论
快来发表一下你的评论吧 !