电子说
在电子工程领域,一款优秀的评估板和编程套件能为工程师的设计工作带来极大的便利。今天,我们就来深入了解一下Broadcom的HEDS - 9940PRGEVB评估板和编程套件,看看它有哪些独特的功能和使用方法。
文件下载:Broadcom HEDS-9940PRGEVB USB转SPI编程器套件.pdf
该评估板的印刷电路板(PCB)有清晰的丝印引导线。这些引导线有助于我们在使用不同的每转脉冲数(CPR)轨道时,直观地对齐码盘边缘(外径)。从文档中的图1和图2可以看到PCB的底部和顶部视图,这为我们了解评估板的布局提供了基础。

图3展示了编码器与500 CPR轨道对齐时的位置,图4则是评估板相对于码盘的安装示例。这两个示例对于我们正确安装和使用评估板非常关键,大家在实际操作中可以参考这些示例,确保编码器和码盘的正确对齐。

文档中提供了AEDR - 9940 198.4375 LPI的选择表(表1)。这个选择表非常重要,它列出了SEL1、SEL2、SEL3不同电平组合下的插值因子以及索引选择情况。例如,当SEL1、SEL2、SEL3为低电平时,插值因子为1X,根据INDEXSEL的不同,又有不同的索引配置。在实际应用中,大家可以根据自己的需求,从这个选择表中找到合适的配置。
该套件支持SPI可编程,插值因子范围从1X到1024X。具体操作时,先将外部选择配置为SPI模式:程序选择,配置完成后,将外部选择设置为SPI模式:输出启用。这种可编程的特性为我们提供了很大的灵活性,能满足不同项目的需求。
在搜索中未找到与AEDR - 9940 198.4375 LPI配置应用案例直接相关的内容。不过,我们可以基于现有文档中的选择表进行一些假设性的应用探讨。比如,若我们的项目需要较高的插值精度,从选择表中可以看到,当SEL1、SEL2、SEL3为高电平时,插值因子能达到32X ,这在对精度要求较高的运动控制等应用中可能会是一个不错的选择。大家在实际应用中,不妨多思考不同配置组合在具体场景中的适用性。
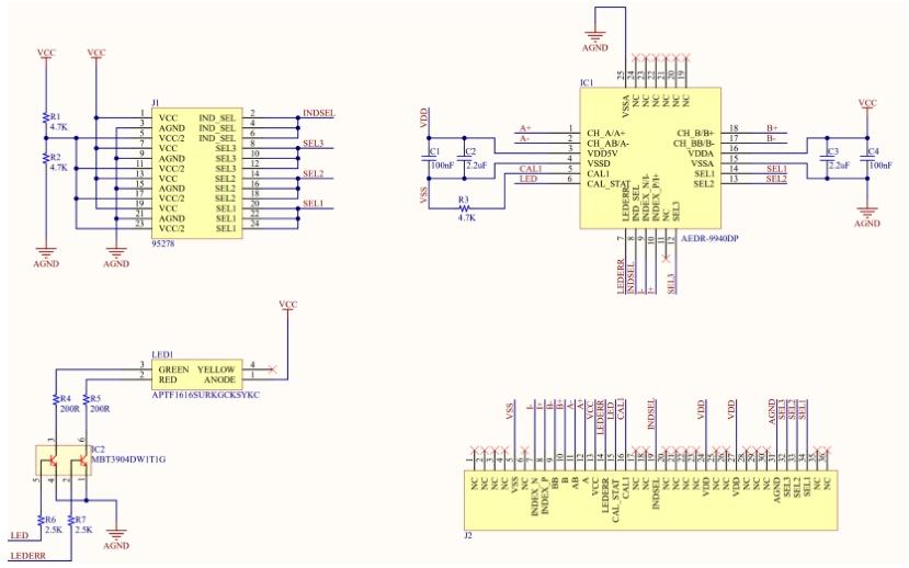
文档中的图6展示了HEDS - 9930EVB评估板的原理图,这为我们了解评估板的电路结构提供了基础。通过原理图,我们可以分析各个元件之间的连接关系和信号流向,对于深入理解评估板的工作原理非常有帮助。

文档详细列出了连接器1和连接器2的引脚分配情况。连接器1的引脚在顶部和底部有不同的标签,如SEL1、CAL1等。这些引脚的不同功能和状态为我们进行外部连接和信号传输提供了依据。同时,文档还提到了连接器1的手指设计可以匹配特定的卡边缘连接器,但如果能通过手动焊接实现必要连接,也可以不使用这些卡边缘连接器。连接器2的引脚也有相应的状态说明,并且可以通过改变SEL1、SEL2、SEL3跳线位置来选择不同的插值选项。在实际布线和连接时,大家一定要仔细对照引脚分配表,确保连接的正确性。
文档给出了AEDR - 9940评估板匹配的码盘样本图纸,包括多个不同光学半径和CPR基数的码盘。这些图纸展示了不同CPR对应的轨道和窗口宽度等信息。如果需要详细的码盘图纸,可以向区域现场应用工程师(FAE)索取。码盘的设计和选择对于编码器的性能至关重要,大家可以根据自己的项目需求,参考这些图纸来选择合适的码盘。

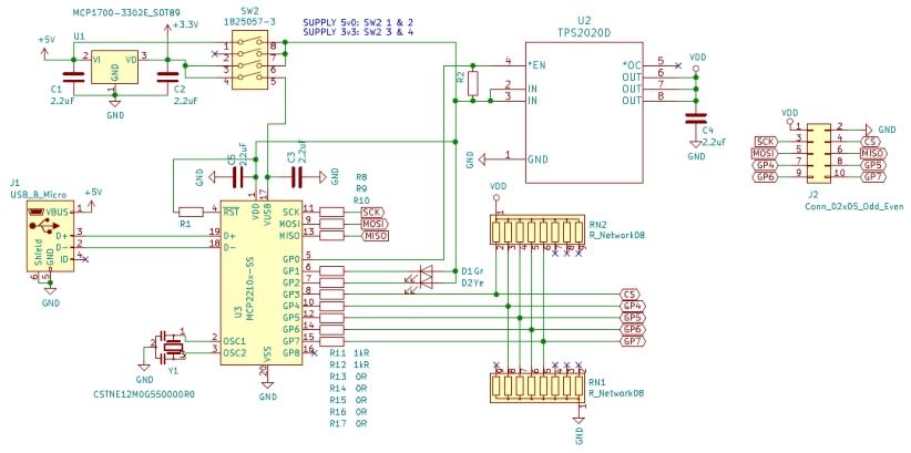
如果我们需要设置除选择表中之外的插值值,可以通过SPI接口连接到AEDS - 9940编码器专用集成电路(ASIC)。Broadcom提供了一个简单的USB到SPI编程套件,以及基于PC的自定义程序,方便我们对所需的插值值进行编程。图9展示了该编程套件的外观,图10展示了其原理图。这个编程套件为我们实现个性化的插值设置提供了便利,大家可以利用它来满足不同项目的特殊需求。

要将所需的插值因子编程到编码器ASIC中,需要使用HEDS - 9940PRGEVB套件和AEDR_9940_Gateway.exe软件。具体步骤如下:首先从指定网址(https://broadcom.box.com/v/HEDS - 9940 - Programming - Software )下载zip文件,将其保存到PC的本地驱动器,然后将AEDR - 9940_Release_Vxpx.zip解压到选择的本地文件夹。
在进行校准时,需要电机以最小的速度波动旋转或进行平稳的线性运动,这样才能使索引信号自动调整以获得良好的交叉。
总之,Broadcom的HEDS - 9940PRGEVB评估板和编程套件功能丰富,为我们在编码器相关的设计和开发工作中提供了很多便利。希望大家通过本文的介绍,能更好地了解和使用这个套件,在实际项目中发挥出它的最大价值。大家在使用过程中有什么问题或心得,欢迎在评论区分享交流。
全部0条评论
快来发表一下你的评论吧 !