电子说
在电子设计领域,RS - 232接口一直是实现异步通信的重要手段。今天,我们就来深入探讨一下德州仪器(TI)推出的SN65C3221和SN75C3221这两款3 - V至5.5 - V单通道RS - 232兼容的线路驱动器和接收器,看看它们在实际应用中能为我们带来哪些便利和优势。
文件下载:sn75c3221.pdf
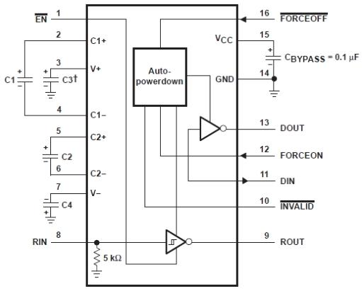
这两款器件提供了灵活的电源管理控制选项。当串行端口不活动时,自动掉电(Auto - Powerdown)功能就会发挥作用。当FORCEON为低电平且FORCEOFF为高电平时,若接收器输入未检测到有效的RS - 232信号,驱动器输出将被禁用。而当FORCEOFF置为低电平且EN为高电平时,驱动器和接收器都会关闭,此时电源电流可降至仅1μA,大大降低了功耗。
自动掉电功能还可以通过将FORCEON和FORCEOFF都置为高电平来禁用。启用自动掉电后,一旦接收器输入接收到有效信号,器件会自动激活。此外,INVALID输出引脚可以通知用户接收器输入是否存在有效的RS - 232信号。
只需要4个0.1μF的外部电容,就能实现器件的正常工作。同时,即使在3.3V电源下,也能接受5V的逻辑输入,提高了与其他电路的兼容性。
SN65C3221和SN75C3221的应用范围非常广泛,涵盖了工业PC、有线网络、数据中心和企业计算、电池供电系统、个人数字助理(PDA)、笔记本电脑、掌上电脑等多个领域。在这些应用中,器件的高性能和低功耗特性能够充分发挥优势,为系统的稳定运行提供保障。
这两款器件由一个线路驱动器、一个线路接收器和一个双电荷泵电路组成,引脚到引脚(包括GND)具有±15kV的ESD保护。电荷泵和四个小的外部电容使得器件可以在单一3V至5.5V电源下工作,为异步通信控制器和串行端口连接器之间提供了电气接口。

| 引脚名称 | 引脚编号 | I/O | 描述 |
|---|---|---|---|
| C1+ | 2 | 电压倍增电荷泵电容的正端 | |
| C2+ | 5 | ||
| C1 - | 4 | 电压倍增电荷泵电容的负端 | |
| C2 - | 6 | ||
| DIN | 11 | I | 驱动器输入 |
| DOUT | 13 | O | RS - 232驱动器输出 |
| EN | 1 | I | 低电平输入使能接收器ROUT输出,高电平输入将ROUT设置为高阻抗 |
| FORCEOFF | 16 | I | 自动掉电控制输入 |
| FORCEON | 12 | I | 自动掉电控制输入 |
| GND | 14 | 接地 | |
| INVALID | 10 | O | 无效输出引脚,当所有RIN输入未供电时输出低电平 |
| RIN | 8 | I | RS - 232接收器输入 |
| ROUT | 9 | O | 接收器输出 |
| Vcc | 15 | 3 - V至5.5 - V电源电压 | |
| V+ | 3 | O | 电荷泵产生的5.5 - V电源 |
| V - | 7 | O | 电荷泵产生的 - 5.5 - V电源 |
了解器件的绝对最大额定值对于确保器件的安全使用至关重要。例如,$V_{CC}$电源电压范围为 - 0.3V至6V,不同引脚的输入输出电压也有相应的限制。在设计过程中,一定要避免超出这些额定值,以免对器件造成永久性损坏。
该器件在ESD保护方面表现出色。RIN和DOUT引脚采用人体模型(HBM)的ESD保护可达±15000V,其他引脚也有相应的保护等级,如带电设备模型(CDM)下部分引脚为±3000V,所有引脚在某些情况下为±1500V。这使得器件在复杂的电磁环境中具有更好的抗干扰能力。
在不同的$V{CC}$电源电压下,有相应的推荐工作范围。例如,当$V{CC}=3.3V$时,推荐电源电压范围为3V至3.6V;当$V_{CC}=5V$时,推荐范围为4.5V至5.5V。同时,驱动器和控制输入的高低电平电压也有明确的要求,这些参数有助于我们设计出稳定可靠的电路。
详细的电气特性和开关特性参数为我们提供了器件在不同工作条件下的性能指标。例如,驱动器的高电平输出电压、低电平输出电压、输入电流等;接收器的输入阈值电压、输出电压等。这些参数对于电路的设计和调试非常重要,我们可以根据实际需求进行合理的选择和调整。

根据不同的$V{CC}$电源电压,需要选择合适的外部电容值。例如,当$V{CC}=3.3V±0.3V$时,C1、C2、C3和C4都选用0.1μF的电容;当$V_{CC}=5V±0.5V$时,C1选用0.047μF,C2、C3和C4选用0.33μF。正确选择电容值可以确保器件的正常工作和性能稳定。
| 输入 | 输出DOUT | 驱动器状态 | |||
|---|---|---|---|---|---|
| DIN | FORCEON | FORCEOFF | 有效RIN RS - 232电平 | ||
| X | X | L | X | Z | 断电 |
| L | H | H | X | H | 禁用自动掉电的正常操作 |
| H | H | H | X | L | |
| L | L | H | 是 | H | 启用自动掉电的正常操作 |
| H | L | H | 是 | L | |
| L | L | H | 否 | Z | 自动掉电功能断电 |
| H | L | H | 否 | Z |
| 输入 | 输出ROUT | ||
|---|---|---|---|
| RIN | EN | 有效RIN RS - 232电平 | |
| L | L | X | H |
| H | L | X | L |
| X | H | X | Z |
| 开路 | L | 否 | H |
通过合理设置输入引脚的电平,可以实现驱动器和接收器的不同工作模式,满足各种应用场景的需求。
SN65C3221和SN75C3221以其出色的性能、灵活的电源管理和广泛的应用范围,成为了电子工程师在设计RS - 232接口电路时的理想选择。在实际设计过程中,我们需要仔细研究器件的规格参数和应用指南,结合具体的应用需求,合理选择外部元件和工作模式,以确保电路的稳定性和可靠性。同时,也要注意ESD保护等问题,避免器件受到静电损坏。希望本文能为大家在使用这两款器件时提供一些帮助和参考。你在使用类似器件的过程中遇到过哪些问题呢?欢迎在评论区分享你的经验和见解。
全部0条评论
快来发表一下你的评论吧 !