圣邦微电子推出高集成、高精度、高灵活度的硅光AFE SGM41290,适用于硅光控制系统的多样化需求。器件集成最高1MHz I²C以及最高10MHz SPI通信接口,具备丰富的输出与监测资源,包括12通道12位单路最高40mA带载能力的电压/电流型DAC、4通道12位单路最高300mA的电流型DAC和12路MULTI_IO引脚。
芯片采用符合环保理念的WLCSP-3.98×3.89-56B绿色封装,工作温度范围在-40℃ ~+105℃。

图1 SGM41290应用框图
SGM41290核心亮点
1、多路可配置DAC,精准驱动硅光元件
SGM41290集成12路电压/电流型DAC(HEATER0-HEATER11),每路均具备12位分辨率,支持最大40mA输出,适配不同硅光加热器的电压与电流驱动需求。

图2 电压型DAC驱动下的加热器电压变化

图3 电流型DAC驱动下的加热器电流变化
2、大电流激光驱动器,支持多路并联
SGM41290集成4路12位IDAC(IBIAS0-IBIAS3),通过I²C控制IBIAS电流增益寄存器(IBIAS_GAIN_CTRL Register)可实现最高300mA的偏置电流输出。器件支持多路并联方案进一步增大偏置电流到最高300mA×4=1.2A,出色的电流驱动能力可以满足大多数激光二极管的电流偏置需求。硬件/软件EN的灵活控制可以保证电流输出的一致性,避免繁琐的时序控制调试,而硬件EN的快速关断功能有助于后级负载的快速泄放,有效避免后级残压带来的不可控情况。

图4 通过EN_IBIASx控制的单通道启动和关闭过程

图5 通过共享EN_IBIASx引脚控制的双通道并联输出启动和关闭过程

图6 通过EN_IBIASx实现的快速关断过程
3、灵活监测与通用IO复用
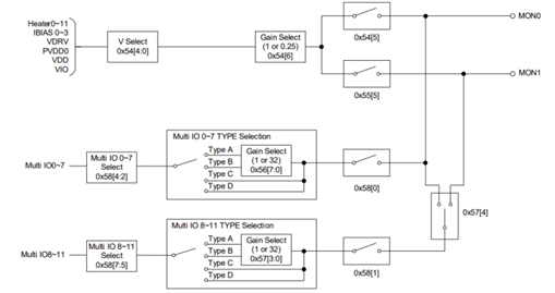
SGM41290集成12路可配置MULTI_IO引脚,可以配置成电压/电流监测模式并通过MON0/MON1引脚输出到后级ADC。对于有多路MPD的场景,可以通过软件配置实现对不同MULTI_IO的轮询检测,减少硬件资源需求。此外,MULTI_IO引脚还可以配置成通用IO口,用于读取电平信息或输出高低电平。

图7 通过MONx引脚监测加热器电压和偏置电流的单调变化过程
4、完备的保护机制
SGM41290具有过温告警、Heater开路/短路告警以及IBIAS开路/短路告警等功能,并通过推挽输出的LOS引脚通知主机进入中断。

图8 加热器电压和偏置电流在135℃过温报警时的变化

图9 IBIAS短路报警

图10 IBIAS开路报警

图11 电压型加热器短路报警

图12 电流型加热器开路报警
SGM41290典型应用
硅光应用中,经常需要多路MPD监测光强,而后级MCU的ADC和IO资源有限。SGM41290针对这一问题,提供了MON0和MON1引脚同时输出两路电流/电压信息,同时还可以通过软件配置轮询输出。以下图为例,分别将MON0和MON1配置成电压和电流监测模式:MON0用于轮询监测HEATER0和IBIAS0的端口电压信息,MON1用于轮询监测接入MULTI_IO8和MULTI_IO9的MPD电流信息。

图13 内部电压信号监控检测

图14 内部电流信号监控检测
SGM41290应用Q&A
激光驱动(IBIASx)的最小压差(headroom)是多少?如何配置输出电流达到300mA?
IBIASx的输出电流分别为200mA和300mA时,其headroom分别为100mV(TYP)和160mV(TYP)。
若需将IBIASx配置为300mA输出范围,可以将寄存器0x1D的低四位(IBIAS_GAIN_CTRL Register[3:0])设置为1来分别对应IBIAS3-IBIAS0的300mA输出电流范围。
MULTI_IOx及MONx如何用于监测MPD电流?对应的外围电路应如何设计?
MULTI_IOx通过寄存器MULTI_IO_CTRLx Register配置IO的功能类型,通过读取引脚(MON0/MON1)输出相应的电压/电流信息监测信号,具体配置逻辑如图15所示。

图15 电压/电流监测配置逻辑示意图
对于MPD电流监测场景,MULTI_IOx可以配置成Type A - Type D四种类型,如图16所示。
Type A:适用于多路MPD共阳极连接的使用场景,且内部电流增益可以配置成1或32;
Type B:适用于多路MPD共阴极连接的使用场景,且内部电流增益可以配置成1或32;
Type C:其电路结构与Type B增益配置成1时完全相同;
Type D:在Type C基础上,芯片内部为MULTI_IOx提供了500Ω的内部回路。
MULTI_IOx进行MPD电流监测时,建议在MONx对地连接500Ω电阻,以便MONx形成稳定的电压信号。为了确保监测功能与精度,需注意以下电压范围要求:
Type A模式:MULTI_IOx端口电压应介于VDD-1.4V到VDD-0.3V之间;
Type B模式(增益为32):MULTI_IOx端口电压应介于0.42V到1.23V之间。

图16 MULTI_IOx功能类型示意图
HEATERx如何配置为电压型或电流型DAC?对应的外围器件有何要求?
芯片内部将12路HEATER通道分为HEATER8-11、HEATER4-7以及HEATER0-3三组。通过配置寄存器0x24的低三位(HEATER_MODE Register[2:0]),可分别将这三组设置为电压型或电流型DAC,其中电流型DAC支持并联使用。
外围器件建议:
电压型DAC:建议在Heaterx引脚附近并联0.1μF-0.5μF输出电容;
电流型DAC:建议在Heaterx引脚附近并联0.1μF-10μF输出电容。
SGM41290参数一览
工作电压范围(VDD):2.7V至5.5V工作电压;
12路12位VDAC/IDAC(HEATER0-HEATER11);
VDAC:0-2.5V/5V(±0.6%精度),支持最大40mA负载电流
IDAC:0-30mA(±2%精度)
电源需求(VDRIVE):2.7V-5.5V
4路12位200mA/300mA IDAC(IBIAS0-IBIAS3);
输出电流:单路200mA,可通过寄存器扩展到最大300mA输出能力,并支持多路并联
硬件EN(EN_IBIASx)与软件EN控制,便于多路IDAC并联输出控制
EN_IBIASx快速关断功能
电源需求(PVDDx):1.5V-VDD
12路可配置复用的MULTI_IO(MULTI_IO0-MULTI_IO11);
支持电流监测
支持电压监测
支持通用IO功能
I²C接口:支持最高1MHz通信速率;
SPI接口:支持最高10MHz通信速率;
完备的保护功能:过温保护、HEATERx开路/短路指示、IBIASx开路/短路指示。
结语
SGM41290以其高集成度、高精度输出、灵活的监测与IO配置,以及全面的系统保护机制,为硅光控制系统提供了可靠的模拟前端解决方案。
未来,随着数据中心与AI算力需求的迅猛增长以及数据中心对高速、低延迟通信的需求激增,硅光芯片作为光电融合的新型技术,凭借其高速、低功耗、高集成度等优势,正成为突破传统电子芯片性能瓶颈的关键路径。圣邦微电子以精准驱动能力,助力光通信系统迎接更广阔的市场前景。
关于圣邦微电子
圣邦微电子(北京)股份有限公司(股票代码300661)作为高性能、高品质综合性模拟和混合信号集成电路供应商,产品覆盖信号链和电源管理两大领域,目前拥有36大类6600余款可销售型号,为工业与能源、汽车、网络与计算和消费电子等领域提供各类模拟及混合信号调理和电源管理创新解决方案。
全部0条评论
快来发表一下你的评论吧 !