电子说
在电子工程师的日常设计工作中,选择合适的放大器是至关重要的一环。今天我们要介绍的HMC311AST89增益模块MMIC放大器,在DC至6GHz的频段内表现出色,下面就为大家详细解读这款产品。
文件下载:HMC311AST89.pdf
HMC311AST89具有多项优秀的性能指标。其P1dB输出功率达到15.5dBm,输出IP3为31.5dBm,增益高达16dB,并且输入输出均为50Ω阻抗匹配。这些指标使得它在信号放大方面表现卓越,能够满足多种应用场景的需求。
该放大器采用行业标准的3引脚SOT - 89封装,这种封装形式便于安装和集成到各种电路板中。同时,它还包含在HMC - DK001设计师套件中,为工程师的设计工作提供了便利。
HMC311AST89的应用领域十分广泛,涵盖了多个通信和电子设备领域:
在Cellular/PCS/3G、固定无线和WLAN等无线通信系统中,它可以用于信号的放大和处理,提高信号的强度和质量。
在CATV和电缆调制解调器中,HMC311AST89能够对信号进行有效的放大,保证信号的稳定传输。
在微波无线电设备中,它也能发挥重要作用,为微波信号的处理提供支持。
从功能框图中可以看出,HMC311AST89是一款从DC至6GHz的放大器。它采用了表面贴装技术(SMT),封装为行业标准的SOT89E。该放大器既可以作为可级联的50Ω增益级,也可以用于驱动ADI公司混频器的本振(LO),输出功率可达16.5dBm。
它采用了达林顿反馈对,这种设计使得放大器对正常工艺变化的敏感度降低,在不同温度下都能保持出色的增益稳定性,同时只需要最少数量的外部偏置组件。在5V电源供电下,仅需54mA的电流就能提供16dB的增益和31.5dBm的输出IP3。
| 在不同的频率范围内,HMC311AST89的各项电气参数表现如下: | 参数 | 测试条件/注释 | 最小值 | 典型值 | 最大值 | 单位 |
|---|---|---|---|---|---|---|
| 增益 | DC至1.0GHz | 14.0 | 16.0 | / | dB | |
| 增益 | 1.0GHz至4.0GHz | 13.0 | 15.0 | / | dB | |
| 增益 | 4.0GHz至6.0GHz | 12.5 | 14.5 | / | dB | |
| 增益随温度变化 | DC至2.0GHz | 0,004 | 0.007 | / | dB/°C | |
| 增益随温度变化 | 2.0GHz至4.0GHz | 0.007 | 0.012 | / | dB/°C | |
| 增益随温度变化 | 4.0GHz至6.0GHz | 0.012 | 0.016 | / | dB/°C | |
| 输入输出回波损耗 | DC至2.0GHz | / | / | 8 | dB | |
| 输入输出回波损耗 | 2.0GHz至5.0GHz | / | / | 7 | dB | |
| 输入输出回波损耗 | 5.0GHz至6.0GHz | / | / | 8 | dB | |
| 反向隔离 | DC至6GHz | / | / | 20 | dB | |
| 1dB压缩输出功率(P1dB) | DC至2.0GHz | 13.5 | 15.5 | / | dBm | |
| 1dB压缩输出功率(P1dB) | 2.0GHz至4.0GHz | 12.0 | 15.0 | / | dBm | |
| 1dB压缩输出功率(P1dB) | 4.0GHz至6.0GHz | 10.0 | 13.0 | / | dBm | |
| 输出三阶截点(IP3) | DC至1.0GHz | / | 31.5 | / | dBm | |
| 输出三阶截点(IP3) | 1.0GHz至2.0GHz | / | 30 | / | dBm | |
| 输出三阶截点(IP3) | 2.0GHz至4.0GHz | / | 27 | / | dBm | |
| 输出三阶截点(IP3) | 4.0GHz至6.0GHz | / | 24 | / | dBm | |
| 噪声系数 | DC至4GHz | / | 4.5 | / | dB | |
| 噪声系数 | 4.0GHz至6.0GHz | / | 5 | / | dB | |
| 电源电流(ICQ) | / | 55 | / | 74 | mA |
从这些参数中我们可以看出,随着频率的升高,增益、输出功率和IP3等指标会有所下降,这是在实际设计中需要考虑的因素。大家在使用时,有没有遇到过因为频率变化而导致性能不满足要求的情况呢?

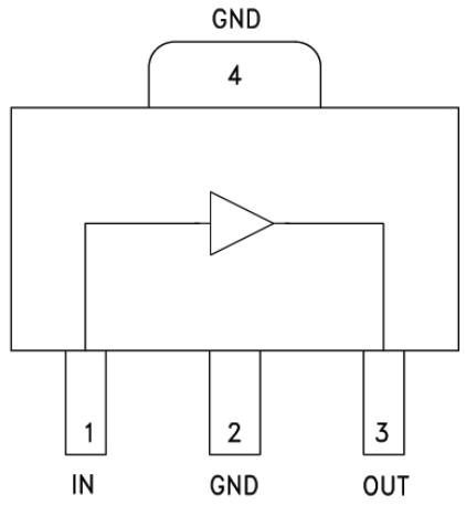
| 引脚编号 | 助记符 | 描述 |
|---|---|---|
| 1 | RFIN | RF输入。该引脚为直流耦合,需要一个片外直流阻断电容。 |
| 2、4 | GND | 接地。GND引脚和封装底部必须连接到RF和DC地。 |
| 3 | RFOUT | RF输出和输出级的直流偏置。 |
在实际设计中,正确连接这些引脚对于放大器的正常工作至关重要。大家在焊接和布线时,有没有什么独特的经验可以分享呢?
HMC311AST89采用RK - 3的SOT - 89封装,这是一种3引脚小外形晶体管封装。对于最新的封装轮廓信息和焊盘图案(脚印),可以前往Package Index查询。
在使用HMC311AST89时,需要注意的是,ADI公司提供的信息虽“原样”准确可靠,但ADI公司不承担其使用责任,也不对因使用可能导致的第三方专利或其他权利侵权负责。规格可能会随时更改,且ADI公司未通过暗示或其他方式授予任何专利或专利权利的许可。
总之,HMC311AST89增益模块MMIC放大器凭借其出色的性能、广泛的应用领域和便利的封装形式,是电子工程师在DC至6GHz频段设计中的一个不错选择。希望大家在实际应用中能够充分发挥它的优势,设计出更加优秀的电路。
全部0条评论
快来发表一下你的评论吧 !