探索 HMC1049LP5E:高性能 GaAs MMIC 低噪声放大器的卓越之选

电子说

1.4w人已加入

描述

探索 HMC1049LP5E:高性能 GaAs MMIC 低噪声放大器的卓越之选

在当今的射频和微波领域,高性能的低噪声放大器(LNA)是实现优质信号处理和传输的关键组件。HMC1049LP5E 作为一款由 Analog Devices 推出的 GaAs MMIC 低噪声放大器,因其出色的性能和广泛的应用前景,受到了众多电子工程师的关注。今天,我们就来深入探讨一下这款令人瞩目的产品。

文件下载:HMC1049LP5E.pdf

产品概述

HMC1049LP5E 是一款工作频率范围在 0.3 GHz 至 20 GHz 的 GaAs MMIC 低噪声放大器。它在小信号增益、噪声系数和线性度方面表现出色,能够满足多种应用场景的需求。该放大器采用紧凑的 5 mm × 5 mm LFCSP 封装,内部输入/输出(I/O)匹配到 50 Ω,方便设计和集成。

突出优势

低噪声与高增益

HMC1049LP5E 的噪声系数低至 1.8 dB,这意味着它在放大信号的同时,引入的噪声非常小,能够有效提高信号的质量。同时,它具备 15 dB 的高增益,能够显著增强输入信号的强度,满足后续电路对信号幅度的要求。大家不妨思考一下,在对噪声和增益要求极高的通信系统中,这样的性能表现会带来怎样的提升呢?

高输出功率与线性度

该放大器的 P1dB 输出功率达到 14.5 dBm,饱和输出功率(Psat)为 17.5 dBm,能够提供足够的功率输出。此外,其输出 IP3 为 29 dBm,具有良好的线性度,可减少信号失真,保证信号的准确性和完整性。

电源适应性与匹配特性

HMC1049LP5E 在 7 V 电源下仅需 70 mA 的电流,功耗较低。而且,它的输入/输出内部匹配到 50 Ω,无需额外的匹配电路,简化了设计过程,降低了设计成本。

紧凑封装

采用 32 引脚、5 mm × 5 mm 的 LFCSP 封装,体积小巧,适合在空间有限的应用场景中使用。

应用领域广泛

测试仪器仪表

在测试仪器领域,对信号的准确性和稳定性要求极高。HMC1049LP5E 的低噪声、高增益和良好的线性度特性,使其能够为测试仪器提供高质量的信号放大,确保测试结果的准确性。

高线性度微波无线电

在微波无线电通信中,需要放大器具备高线性度,以减少信号失真和干扰。HMC1049LP5E 的高输出 IP3 能够满足这一需求,保证通信信号的质量和可靠性。

VSAT 和 SATCOM

在卫星通信系统中,信号经过长距离传输后会变得非常微弱,需要低噪声放大器进行放大。HMC1049LP5E 的低噪声系数和高增益特性,使其成为 VSAT 和 SATCOM 系统的理想选择。

军事和航天领域

军事和航天应用对设备的可靠性和性能要求极为苛刻。HMC1049LP5E 在宽温度范围内具有稳定的性能,能够适应恶劣的环境条件,为军事和航天系统提供可靠的信号放大。

详细规格解读

工作频率范围

HMC1049LP5E 的工作频率范围为 0.3 GHz 至 20 GHz,覆盖了较宽的频段,适用于多种不同频率的应用场景。

电气性能参数

参数 最小值 典型值 最大值 单位
增益 13.5 16.5 - dB
增益温度变化率 - 0.006 - dB/℃
噪声系数 - 2.5 3.5 dB
输入回波损耗 - 15 - dB
输出回波损耗 - 8 - dB
P1dB 输出功率 - 15 - dBm
饱和输出功率(Psat) - 18 - dBm
输出三阶截点(IP3) - 31 - dBm
总电源电流 - 70 - mA

绝对最大额定值

为了确保放大器的安全和可靠运行,需要注意其绝对最大额定值。例如,漏极偏置电压(Vo)最大为 10 V,RF 输入功率最大为 18 dBm 等。超过这些额定值可能会导致器件损坏,大家在设计时一定要严格遵守。

引脚配置与功能说明

引脚配置图

低噪声放大器

引脚功能描述

引脚编号 符号 描述
1,3,6 - 12, 14, 17 - 20,23 - 29,31,32 NC 未连接。这些引脚内部未连接,但所有数据测量时这些引脚需外部连接到 RF/dc 地。
5 RFIN RF 输入。该引脚为直流耦合,匹配到 50 Ω。
2 VDD 放大器电源电压。需要外部旁路电容(100 pF 和 0.01 μF)。
30 ACG1 低频终端。需要 100 pF 的外部旁路电容。
21 RFOUT/VDD RF 输出/放大器的备用电源电压。用作备用 VDD 时需要外部偏置 tee。该引脚为直流耦合,匹配到 50 Ω。
15,16 ACG2, ACG3 低频终端。需要 100 pF 的外部旁路电容。
13 VGG 放大器的栅极控制。调节电压以实现 ID = 70 mA。需要 100 pF、0.01 μF 和 4.7 μF 的外部旁路电容。
4,22 GND 接地。将引脚 4 和引脚 22 连接到 RF/dc 地。
0 EP 外露焊盘。外露接地焊盘必须连接到 RF/dc 地。

典型性能特性

宽带增益与回波损耗

从典型性能特性图中可以看出,HMC1049LP5E 在宽频范围内具有稳定的增益和良好的回波损耗性能,能够保证信号的有效传输和匹配。

温度特性

其增益、噪声系数、输出功率等性能参数随温度的变化较小,具有较好的温度稳定性。这对于在不同环境温度下工作的设备来说至关重要,大家在实际应用中是否遇到过因温度变化导致设备性能不稳定的情况呢?

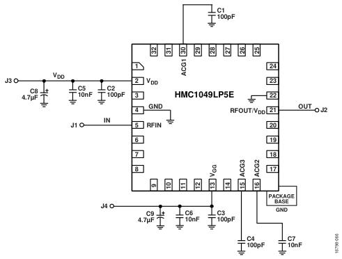
评估印刷电路板

电路板布局与原理图

评估印刷电路板(PCB)为工程师提供了一个方便的测试平台。它的布局和原理图如下: 低噪声放大器

材料清单

项目 描述
J1,J2,J5,J6 PCB 安装 SMA RF 连接器
J3,J4 DC 引脚
C1 - C4 100 pF 电容,0402 封装
C5 - C7 10000 pF 电容,0402 封装
C8,C9 4.7 μF 电容,钽电容
U1 HMC1049LP5E
PCB1 600 - 00541 - 00 - 1 评估 PCB

在使用评估 PCB 时,需要注意采用 RF 电路设计技术,确保信号线路具有 50 Ω 阻抗,将封装接地引脚和外露焊盘直接连接到接地平面,并使用足够数量的过孔连接顶层和底层接地平面。

封装与订购信息

封装尺寸

HMC1049LP5E 采用 32 引脚、5 mm × 5 mm 的 LFCSP 封装,封装尺寸如下: 低噪声放大器

订购选项

型号 温度范围 引脚镀层 湿度敏感度等级(MSL) 封装描述 订购数量 封装选项
HMC1049LP5E -40℃ 至 +85℃ 100% 哑光锡 MSL1 32 引脚 LFCSP - HCP - 32 - 1
HMC1049LP5E - TR -40℃ 至 +85℃ 100% 哑光锡 MSL1 32 引脚 LFCSP,7" 卷带包装 500 HCP - 32 - 1
EVAL01 - HMC1049LP5 - - - 评估板 - -

所有型号均符合 RoHS 标准,MSL1 等级表示最大回流峰值温度为 260℃。

总结

HMC1049LP5E 作为一款高性能的 GaAs MMIC 低噪声放大器,凭借其低噪声、高增益、高输出功率、良好的线性度以及紧凑的封装等优势,在测试仪器、微波无线电、卫星通信、军事和航天等多个领域具有广泛的应用前景。电子工程师在进行相关设计时,可以充分考虑 HMC1049LP5E 的特点和性能,以实现更优质的电路设计。大家在实际应用中是否还有其他的经验和见解呢?欢迎在评论区分享交流。

打开APP阅读更多精彩内容
声明:本文内容及配图由入驻作者撰写或者入驻合作网站授权转载。文章观点仅代表作者本人,不代表电子发烧友网立场。文章及其配图仅供工程师学习之用,如有内容侵权或者其他违规问题,请联系本站处理。 举报投诉

全部0条评论

快来发表一下你的评论吧 !

×
20
完善资料,
赚取积分