探索HMC1040LP3CE:24 - 43.5 GHz低噪声放大器的卓越性能

电子说

1.4w人已加入

描述

探索HMC1040LP3CE:24 - 43.5 GHz低噪声放大器的卓越性能

在当今的高频通信和测试测量领域,低噪声放大器(LNA)扮演着至关重要的角色。它能够在放大微弱信号的同时,尽可能减少自身产生的噪声,从而提高整个系统的性能。今天,我们将深入探讨Analog Devices推出的HMC1040LP3CE,一款工作在24 - 43.5 GHz频段的GaAs pHEMT MMIC低噪声放大器。

文件下载:HMC1040LP3CE.pdf

典型应用场景

HMC1040LP3CE凭借其出色的性能,在多个领域都有广泛的应用。它适用于点对点无线电通信,能够有效提升信号的传输质量和距离;在测试仪器中,可用于精确测量微弱信号;对于卫星通信转发器和VSAT系统,能增强信号的接收和发射能力;在工业传感器领域,有助于提高传感器的灵敏度和精度;同时,在电子战(EW)和电子对抗(ECM)子系统中也能发挥重要作用。你是否在这些应用场景中遇到过信号放大和噪声控制的难题呢?

功能框图

低噪声放大器 从功能框图中,我们可以直观地看到放大器的内部结构和信号流向,这有助于我们更好地理解其工作原理和进行电路设计。

产品特性

低噪声系数

HMC1040LP3CE的噪声系数低至2.2 dB,这意味着它在放大信号时引入的噪声非常小,能够最大程度地保留原始信号的质量。在微弱信号放大的应用中,低噪声系数尤为重要,你能想象它对系统性能的提升有多大吗?

高增益

该放大器具有23 dB的高增益,能够有效地放大输入信号。高增益使得它在长距离通信和信号微弱的环境中表现出色,确保信号能够被准确地检测和处理。

高输出功率

P1dB输出功率达到+12 dBm,输出IP3为+22 dBm,这使得它能够在高功率水平下保持良好的线性度,适用于多种不同的应用场景。

单电源供电

仅需+2.5V的单电源供电,且电流仅为70 mA,具有低功耗的特点。这不仅降低了系统的功耗,还简化了电源设计。

50欧姆匹配

输入和输出均匹配到50欧姆,方便与其他50欧姆系统进行集成,减少了信号反射和损耗。

小型封装

采用16引脚的3x3 mm SMT封装,尺寸仅为16mm²,节省了电路板空间,适合小型化设计。

电气规格

在不同的频率范围内,HMC1040LP3CE的各项性能指标表现稳定。以下是其在不同频率段的主要电气规格: Parameter Min. Typ. Max. Min. Typ. Max. Min. Typ. Max. Units
Frequency Range 24 - 27.5 27.5 - 33.5 33.5 - 43.5 GHz
Gain [1] 22 25 20 23 17 20 dB
Gain Variation over Temperature 0.022 0.021 0.021 dB/℃
Noise Figure [1] 2.7 3.2 2.2 2.7 2.7 3.2 dB
Input Return Loss 11 12 10 dB
Output Return Loss 16 13 10 dB
Output Power for 1 dB Compression 12 12 12 dBm
Saturated Output Power (Psat) 14 14 14 dBm
Output Third Order lntercept (IP3) 22 22 24 dBm
Supply Current (ldd) (Vdd = 2.5V) 70 85 70 85 70 85 mA

注:[1] Board loss subtracted out.

从这些数据中,我们可以看到放大器在不同频率和温度条件下的性能变化,这对于我们进行系统设计和性能评估非常有帮助。你在设计过程中,会如何根据这些数据来优化系统呢?

封装与引脚说明

封装信息

HMC1040LP3CE采用RoHS合规的低应力注塑成型塑料封装,引脚镀层为100%哑光锡,MSL评级为MSL1。这种封装不仅具有良好的机械性能和电气性能,还符合环保要求。

引脚描述

Pin Number Function Description Interface Schematic
1,2,4, 9,11,12 GND These pins and package bottom must be connected to RF/DC ground. GND
3 RFIN This pin AC coupled and matched to 50 Ohms RFIN O ESD(5kQ)
5 - 8,14 N/C The pins are not connected internally, however, all data shown herein was measured with these pins connected to RF/ DC ground externally.
10 RFOUT This pin AC coupled and matched to 50 Ohms O RFOUT ESD(5kQ)
13,15,16 Vdd3.Vdd2.Vdd1 Drain bias voltages for the amplifier. See Application Circuit for required external components. Vdd1,2,3

了解引脚功能和连接方式是正确使用放大器的关键,你在实际焊接和布线时,会采取哪些措施来确保引脚连接的可靠性呢?

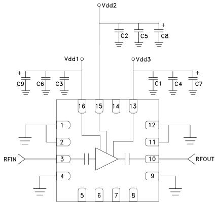
应用电路与评估PCB

应用电路

低噪声放大器 应用电路中,不同电容的取值和作用对于放大器的性能至关重要。C1 - C3为100 pF,C4 - C6为10nF,C7 - C9为4.7uF。这些电容的合理选择和布局能够优化放大器的性能,你在设计应用电路时,会如何考虑电容的选型和布局呢?

评估PCB

低噪声放大器 评估PCB提供了一个方便的平台,用于测试和验证放大器的性能。它配备了2.92 mm连接器、测试点和各种电容等元件。在使用评估PCB时,需要注意采用RF电路设计技术,确保信号线路具有50欧姆阻抗,所有接地引脚和接地焊盘都必须焊接到PCB的RF接地层。同时,还要使用足够数量的过孔连接顶层和底层接地平面,并将评估板安装到合适的散热片上。你在进行评估测试时,会如何利用评估PCB来获取准确的性能数据呢?

总结

HMC1040LP3CE是一款性能卓越的低噪声放大器,具有低噪声系数、高增益、高输出功率、单电源供电、50欧姆匹配和小型封装等优点。它在多个领域都有广泛的应用前景,能够满足不同用户的需求。在实际应用中,我们需要根据具体的应用场景和要求,合理选择和使用该放大器,并注意其电气规格、引脚连接、应用电路设计和评估测试等方面的问题。你是否已经对HMC1040LP3CE有了更深入的了解呢?你认为它在未来的应用中还会有哪些新的发展和突破?欢迎在评论区分享你的看法。

打开APP阅读更多精彩内容
声明:本文内容及配图由入驻作者撰写或者入驻合作网站授权转载。文章观点仅代表作者本人,不代表电子发烧友网立场。文章及其配图仅供工程师学习之用,如有内容侵权或者其他违规问题,请联系本站处理。 举报投诉

全部0条评论

快来发表一下你的评论吧 !

×
20
完善资料,
赚取积分