TRF370417 50MHz 至 6.0GHz 正交调制器,1.7V 共模电压

KANA 发表于 2018-11-02 19:28:05

数据: TRF370417 50-MHz to 6-GHz Quadrature Modulator 数据表

描述

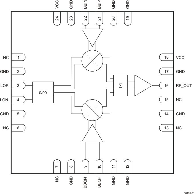
TRF370417是一款低噪声直接正交调制器,能够将复杂的调制信号从基带或IF直接转换为RF。 TRF370417是一款高性能,高线性度器件,工作频率为50 MHz至6 GHz。调制器实现为双平衡混频器。 RF输出模块由差分至单端转换器和RF放大器组成,能够驱动单端50Ω负载,无需任何外部元件。 TRF370417需要1.7 V共模电压,以实现最佳线性度。

特性

  • 76-dBc单载波WCDMA ACPR -8 dBm
    信道功率
  • 低噪声基底: - 2140 MHz时的l162.3 dBm /Hz
  • 2140 MHz时的OIP3为26.5 dBm
  • 2140 MHz时12 dBm的P1dB
  • -38 dBm的载波馈通2140 MHz
  • 2140 MHz时-50 dBc的边带抑制
  • 单电源:4.5 V-5.5 V工作
  • 硅锗技术< /li>
  • I,Q基带输入的1.7V CM

参数 与其它产品相比 IQ 调制器

 
Frequency (Min) (MHz)
Frequency (Max) (MHz)
I/Q Input Common-Mode Voltage (Typ)
PLL/VCO
P1dB (Typ) (dBm)
Output IP3 (Typ) (dBm)
Noise Floor (Typ) (dBm/Hz)
Unadjusted Carrier Suppression (Typ) (dBm)
Unadjusted Sideband Suppression (Typ) (dBc)
Supply (V)
Package Group
Package Size: mm2:W x L (PKG)
Pin/Package
TRF370417 TRF370315 TRF370317 TRF370333 TRF3705 TRF372017 TRF3722 TRF37T05
50     350     400     350     300     300     400     300    
6000     4000     4000     4000     4000     4800     4200     4000    
1.7     1.5     1.7     3.3     0.25     1.7     0.25     0.25    
No     No     No     No     No     Yes     Yes     No    
12     9     12     9     13     12     12     13    
26.5     23     26.5     23     30     26     31     30    
-162     -163     -163     -163     -160     -163     -159     -160    
-38     -40     -40     -40     -45     -40     -50     -45    
-50     -40     -45     -40     -45     -40     -50     -45    
5     5     5     5     3.3     5     3.3     3.3    
VQFN     VQFN     VQFN     VQFN     VQFN     VQFN     VQFN     VQFN    
24VQFN: 16 mm2: 4 x 4(VQFN)     24VQFN: 16 mm2: 4 x 4(VQFN)     24VQFN: 16 mm2: 4 x 4(VQFN)     24VQFN: 16 mm2: 4 x 4(VQFN)     24VQFN: 16 mm2: 4 x 4(VQFN)     48VQFN: 49 mm2: 7 x 7(VQFN)     48VQFN: 49 mm2: 7 x 7(VQFN)     24VQFN: 16 mm2: 4 x 4(VQFN)    
24VQFN     24VQFN     24VQFN     24VQFN     24VQFN     48VQFN     48VQFN     24VQFN    

方框图 (1)

技术文档

数据手册(1)

收藏

文章来源栏目
+加入圈子

评论(0)

加载更多评论

参与评论

分享到

QQ空间 QQ好友 微博
取消