TRF370315 0.4 - 4.0 GHz IQ Modulator

KANA 发表于 2018-11-02 19:27:06

数据: 0.35-GHz to 4-GHz Quadrature Modulators 数据表

描述

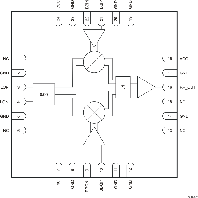
TRF370315和TRF370333是低噪声直接正交调制器,能够将复杂的调制信号从基带或IF直接转换为RF。 TRF370315和TRF370333是350 MHz至4 GHz的高性能直接RF调制的理想选择。这些调制器实现为双平衡混频器。 RF输出模块由差分至单端转换器和RF放大器组成,能够驱动单端50Ω负载,无需任何外部元件。 TRF370333和TRF370315器件在I /Q基带输入端具有不同的共模电压额定值。 TRF370315需要1.5 V共模电压,TRF370333需要3.3 V共模电压。

特性

  • 75-dBc单载波WCDMA ACPR,-11-dBm信道功率
  • 低噪声基底:-163 dBm /Hz
  • OIP3为23 dBm
  • P1dB为9 dBm
  • 未调整的载波馈通-40 dBm
  • 未调整的边带抑制-40 dBc
  • 单电源:4.5 V-5.5 V工作
  • 硅锗技术
  • TRF370333在I时具有3.3 V CM,Q基带输入< /li>
  • TRF370315具有1.5 V CM I,Q基带输入
  • 应用
    • 蜂窝基站收发器发送通道
    • CDMA:IS95,UMTS ,CDMA2000,TD-SCDMA
    • TDMA:GSM,IS-136,EDGE /UWC-136
    • 无线本地环路
    • 无线城域网宽带收发器

所有其他商标均为其各自所有者的财产

参数 与其它产品相比 IQ 调制器

 
Frequency (Min) (MHz)
Frequency (Max) (MHz)
I/Q Input Common-Mode Voltage (Typ)
PLL/VCO
P1dB (Typ) (dBm)
Output IP3 (Typ) (dBm)
Noise Floor (Typ) (dBm/Hz)
Unadjusted Carrier Suppression (Typ) (dBm)
Unadjusted Sideband Suppression (Typ) (dBc)
Supply (V)
Package Group
Package Size: mm2:W x L (PKG)
Pin/Package
TRF370315 TRF370317 TRF370333 TRF370417 TRF3705 TRF37T05
350     400     350     50     300     300    
4000     4000     4000     6000     4000     4000    
1.5     1.7     3.3     1.7     0.25     0.25    
No     No     No     No     No     No    
9     12     9     12     13     13    
23     26.5     23     26.5     30     30    
-163     -163     -163     -162     -160     -160    
-40     -40     -40     -38     -45     -45    
-40     -45     -40     -50     -45     -45    
5     5     5     5     3.3     3.3    
VQFN     VQFN     VQFN     VQFN     VQFN     VQFN    
24VQFN: 16 mm2: 4 x 4(VQFN)     24VQFN: 16 mm2: 4 x 4(VQFN)     24VQFN: 16 mm2: 4 x 4(VQFN)     24VQFN: 16 mm2: 4 x 4(VQFN)     24VQFN: 16 mm2: 4 x 4(VQFN)     24VQFN: 16 mm2: 4 x 4(VQFN)    
24VQFN     24VQFN     24VQFN     24VQFN     24VQFN     24VQFN    

方框图 (1)

技术文档

数据手册(1)

收藏

文章来源栏目
+加入圈子

评论(0)

加载更多评论

参与评论

分享到

QQ空间 QQ好友 微博
取消