TAS5706B 具有扬声器 EQ、DRC 和 SE 输出支持的 20W 闭环 12S 音频功率放大器

KANA 发表于 2018-11-02 17:58:05

数据: 20-W stereo Digital Audio Power Amplifier With EQ and DRC 数据表

描述

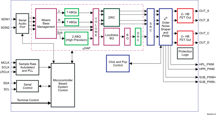
TAS5706A /B是一款20W高效数字音频功率放大器,用于驱动立体声桥接扬声器。两个串行数据输入允许处理多达四个独立的音频通道,并与大多数数字音频处理器和MPEG解码器无缝集成,可接受各种输入数据和时钟速率。完全可编程的数据路径允许这些通道路由到内部扬声器驱动器或通过超低音扬声器或耳机PWM输出输出。

TAS5706A /B是一个从属设备,接收来自外部源的所有时钟。对于32,48,96和192 kHz数据,TAS5706A /B的开关速率为384 kHz,对于44.1-,88.2-和176.4-kHz数据,开关速率为352.8 kHz。 8倍过采样与四阶噪声整形器相结合,可提供平坦的本底噪声和20 Hz至20 kHz的出色动态范围。

特性

  • 音频输入/输出
    • 20-W到8- 从18 V电源加载
    • 两个串行音频输入(四个音频通道)
  • TAS5706A支持:
    • 2-Ch桥接输出(20 W×2)
  • TAS5706B支持:
    • 2- Ch桥接输出(20 W×2)
    • 4-Ch单端输出(10 W×4)
    • 2-Ch单端+ 1-Ch桥接(2.1模式) )(10 W×2 + 20 W)
  • 支持32-kHz-192-kHz采样率(LJ /RJ /I 2 S )
  • 闭环功率级架构
    • 改进的PSRR降低了电源性能要求
    • 更高的阻尼系数提供更严格,更准确的声音并改善了低音响应
    • 恒定输出功率超过电源变化
  • 宽PVCC范围(10 V至26 V)
    • 栅极驱动无需单独供电
  • H. eadphone PWM输出
  • 重低音扬声器PWM输出
  • AM干扰避免支持
  • 音频/PWM处理
    • 独立通道音量控制,48 dB至-79-dB范围??软静音(50%占空比)
    • 可编程动态范围控制
    • 7可编程双二极管,用于左右声道的扬声器均衡
    • 4个可编程双二阶
    • EQ和DRC滤波器的自适应双二阶系数
    • 可编程输入和输出混频器
    • 自动采样率检测和系数银行< /li>
  • 一般特性
    • 串行控制接口无MCLK运行
    • 工厂修整内部振荡器无需外部晶振
    • 表面贴装,64端子,10 mm×10 mm HTQFP封装
    • 热保护和短路保护

所有商标均为其各自所有者的财产。

参数 与其它产品相比 扬声器放大器

 
Audio Input Type
Architecture
Speaker Channels (Max)
Power Stage Supply (Min) (V)
Power Stage Supply (Max) (V)
Output Power (W)
Load (Min) (ohms)
SNR (dB)
THD + N @ 1 kHz (%)
Iq (Typ) (mA)
Control Interface
Closed/Open Loop
Analog Supply (V) (Min)
Analog Supply (V) (Max)
Power to Parallel Bridge Tied Load (Max) (W)
Sampling Rate (Max) (kHz)
PSRR (dB)
Operating Temperature Range (C)
Rating
TAS5706B TAS5760L TAS5760M
Digital Input     Digital Input     Digital Input    
Class-D     Class-D     Class-D    
4     Stereo     Stereo    
10     4.5     4.5    
26     16.5     26.4    
20     21     55    
4     2     2    
99     100     100    
0.05     0.09     0.03    
33        
Hardware
Software    
Hardware
Software    
Hardware
Software    
Closed     Closed     Closed    
3     4.5     4.5    
3.6     16.5     26.4    
  43.2     43.2    
192     192     96    
60        
0 to 85     -25 to 85     -25 to 85    
Catalog     Catalog     Catalog    

方框图 (1)

技术文档

数据手册(1)

收藏

相关话题
文章来源栏目
+加入圈子

评论(0)

加载更多评论

参与评论

分享到

QQ空间 QQ好友 微博
取消