TPA3136D2 具有超低 EMI 的 10W 无电感器立体声 (BTL) D 类音频放大器

KANA 发表于 2018-11-02 17:57:06

数据: 具有超低 EMI 的 TPA3136D2,TPA3136AD2 10W 无电感器立体声 (BTL) D 类音频放大器 数据表 (Rev. E)

描述

TPA3136D2,TPA3136AD2器件一款高效D类音频功率放大器,适用于以高达10W式立体声扬声器。

借助采用扩展频谱控制方案的高级EMI抑制技术,既能实现在输出端使用成本较低的铁氧体磁珠滤波器,同时能够满足EMC要求,降低了系统成本.TPA3136D2,TPA3136AD2器件不仅针对短路和过载提供全面的保护,而且SpeakerGuard™扬声器保护电路包括一个功率限制器和一个直流检测电路,可以保护所连接的扬声器。直流检测及引脚至引脚,引脚接地和引脚至电源短路保护电路可以防止扬声器在生产过程中发生输出直流和引脚短路。同时充分保护输出,防止GND,PVCC,输出至输出短路。短路保护和热保护具有自动恢复功能。

TPA3136D2,TPA3136AD2器件可驱动阻抗低至4Ω的立体声扬声器.TPA3136D2 ,TPA3136AD2的效率在负载为8Ω时高达90%,无需外部散热器,而且TPA3136D2,TPA3136AD2将在双层印刷电路板(PCB)上实现全功率输出。

特性

  • 电源电压为12V,总谐波失真+噪声(THD + N)为10%,负载为6Ω时的功率为2× 10W /通道
  • 电源电压为13V,总谐波失真+噪声(THD + N)为10%,负载为8Ω时的功率为2×10W /通道
  • 高达90%的高效D类运行(负载为8Ω),无需散热器
  • 1W /4Ω/1kHz时的THD + N< 0.05%
  • 宽电源电压范围允许在4.5V(TPA3136AD2为8V)至14.4V范围内运行
  • 无电感运行
  • EMI性能增强,具备扩展频谱
  • SpeakerGuard™扬声器保护包括功率限制器和直流保护
  • 可靠的引脚至引脚,引脚接地以及引脚至电源短路保护和热保护
  • 26dB固定增益
  • 单端或差分模拟输入
  • 启动时无喀哒声和噼啪声

所有商标均为其各自所有者的财产。

参数 与其它产品相比 扬声器放大器

 
Audio Input Type
Architecture
Speaker Channels (Max)
Power Stage Supply (Min) (V)
Power Stage Supply (Max) (V)
Output Power (W)
Load (Min) (ohms)
SNR (dB)
THD + N @ 1 kHz (%)
Iq (Typ) (mA)
Control Interface
Closed/Open Loop
Analog Supply (V) (Min)
Analog Supply (V) (Max)
Power to Parallel Bridge Tied Load (Max) (W)
PSRR (dB)
Operating Temperature Range (C)
Rating
TPA3136D2 TPA3110D2 TPA3116D2 TPA3128D2 TPA3138D2 TPA3156D2
Analog Input     Analog Input     Analog Input     Analog Input     Analog Input     Analog Input    
Class-D     Class-D     Class-D     Class-D     Class-D     Class-D    
Stereo     Stereo     Stereo     Stereo     Stereo     Stereo    
4.5     8     4.5     4.5     3.5     4.5    
14.4     26     26     26     14.4     26    
10     10     50     30     10     70    
4     4     4     2     4     2    
102       102     102     102     102    
0.04     0.1     0.1     0.1     0.06     0.1    
35     10     20     17     15.5     17    
Hardware     Hardware     Hardware     Hardware     Hardware     Hardware    
Closed     Closed     Closed     Closed     Closed     Closed    
4.5     8     4.5     4.5     3.5     4.5    
14.4     26     26     26     14.4     26    
20     30     100     60     15     100    
80     70     70     70     65     70    
-40 to 85     -40 to 85     -40 to 85     -40 to 85     -40 to 85     -40 to 85    
Catalog     Catalog     Catalog     Catalog     Catalog     Catalog    

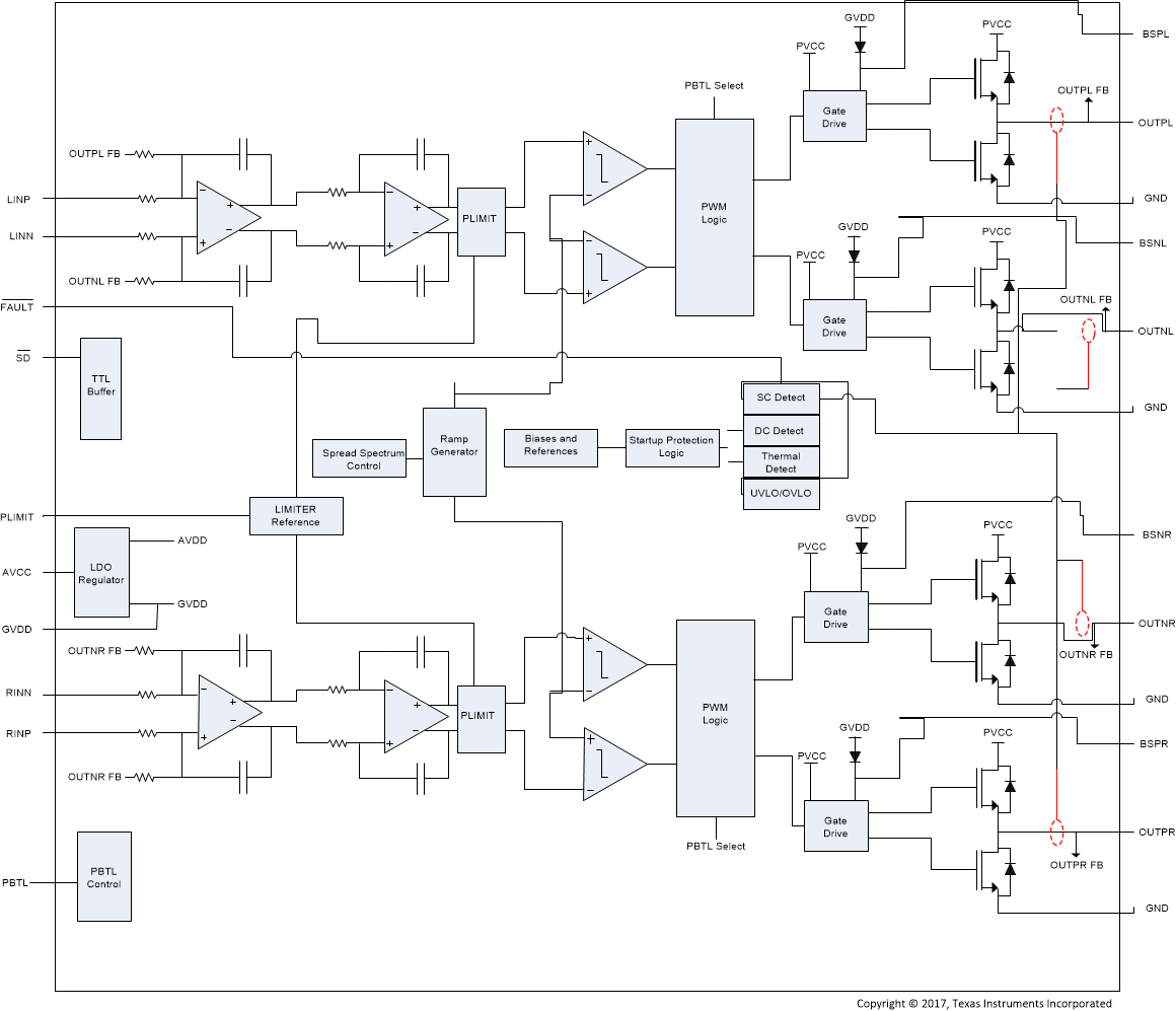
方框图 (1)

技术文档

数据手册(1)

收藏

相关话题
文章来源栏目
+加入圈子

评论(0)

加载更多评论

参与评论

分享到

QQ空间 QQ好友 微博
取消