TPS61241 5V、500mA、4MHz 升压 DC/DC 转换器

KANA 发表于 2018-10-16 19:11:24

数据: TPS6124x 3.5-MHz High Efficiency Step-Up Converter 数据表

描述

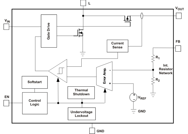
TPS6124x器件是一款高效同步升压型DC-DC转换器,针对由三节碱性电池,NiCd或NiMH供电的产品进行了优化,或者单节锂离子或锂聚合物电池。 TPS6124x支持高达450 mA的输出电流。 TPS61240的输入谷值电流限制为500 mA,TPS61241的输入谷值电流为600 mA。

输入电压范围为2.3 V至5.5 V,该器件支持延长电压的电池范围广泛,是移动电话和其他便携式设备等便携式应用的理想选择。 TPS6124x升压转换器基于准恒定导通时间谷值电流模式控制方案。

TPS6124x在关断时在V OUT 引脚处呈现高阻抗。这允许在TPS6124x关闭时需要由另一个电源驱动的稳压输出总线的应用中使用。

在轻负载期间,器件将自动脉冲跳跃,从而在最低静态电流下实现最大效率。在关断模式下,电流消耗降至1μA以下。

TPS6124x允许使用小型电感器和电容器来实现小尺寸解决方案。在关机期间,负载与电池完全断开。 TPS6124x采用6引脚DSBGA和2 mm×2 mm WSON封装。

特性

  • 效率>标称工作条件下90%
  • 总直流输出电压精度5.0 V±2%
  • 典型30-μA静态电流
  • 同类最佳< /em>线路和负载瞬态
  • 宽V IN 范围2.3 V至5.5 V
  • 输出电流高达450 mA
  • 自动PFM /PWM模式转换
  • 低纹波省电模式,提高轻负载时的效率
  • 内部软启动,250-μs典型启动时间
  • 3.5-MHz典型工作频率
  • 关机期间负载断开
  • 电流过载和热关断
    保护
  • 三个表面贴装外部元件< br>所需(一个MLCC电感器,两个陶瓷电容器)
  • 总溶液尺寸<13 mm 2
  • 6引脚可供选择DSBGA和2 mm×2 mm
    WSON包

参数 与其它产品相比 升压转换器 (集成开关)

 
Vin (Min) (V)
Vin (Max) (V)
Vout (Min) (V)
Vout (Max) (V)
Switch Current Limit (Typ) (A)
Regulated Outputs (#)
Switching Frequency (Min) (kHz)
Switching Frequency (Max) (kHz)
Iq (Typ) (mA)
Features
Duty Cycle (Max) (%)
Operating Temperature Range (C)
Rating
Package Group
TPS61241 TPS61240
2.3     2.3    
5.5     5.5    
5     5    
5     5    
0.7     0.6    
1     1    
3500     3500    
3500     3500    
0.03     0.03    
Enable
Light Load Efficiency
Load Disconnect    
Enable
Light Load Efficiency
Load Disconnect    
100     100    
-40 to 85     -40 to 85    
Catalog     Catalog    
DSBGA     DSBGA
WSON    

方框图 (1)

技术文档

数据手册(1)

收藏

相关话题
文章来源栏目

评论(0)

加载更多评论

参与评论

分享到

QQ空间 QQ好友 微博
取消