优势和特点
- 650MHz –3dB 小信号带宽
- 450MHz –3dB 2VP-P 大信号带宽
- 120MHz ±0.1dB Bandwidth
- 高转换速率:2200V/µs
- 数值为 2 的固定增益;不需要使用外部电阻器
- 72dB 通道分离度 (在 10MHz)
- 50dB 通道分离度 (在 100MHz)
- –80dBc 二次谐波失真 (在 10MHz, 2VP-P),
- –70dBc 三次谐波失真 (在 10MHz, 2VP-P)
- 低电源电流:每个放大器为 9mA
- 6.5ns 0.1% 稳定时间 (对于 2V 阶跃)
- 当停用时每个放大器的 ISS ≤ 500µA
- 0.033% 的差分增益,0.022° 的差分相位
- 宽电源范围:±2.25V (4.5V) 至 ±6V (12V)
- 可提供 24 引脚 SSOP 封装和 24 引脚 QFN 封装
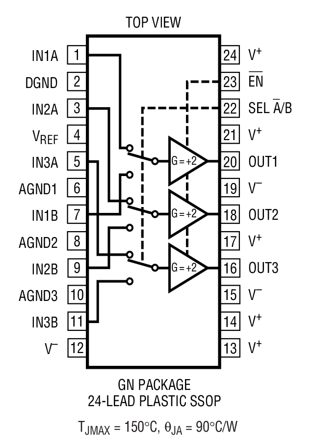
产品详情
LT®6555 是一款高速三路 2:1 视频多路复用器,具有一个在内部固定数值为 2 的增益。个别放大器专为在驱动一个双终接 75Ω 视频负载时实现高性能而优化,并具有一个 450MHz 的 –3dB 2VP-P 带宽,从而使其成为驱动非常高分辨率视频信号的理想选择。用于每个放大器的单独电源引脚将通道分离度提升至 72dB,因而使得 LT6555 在许多高速应用中的表现胜人一筹。
虽然 LT6555 的性能专为双电源操作而优化,但是它也可以依靠低至 4.5V 的单电源供电运行。当采用双 5V 电源时,每个放大器仅吸收 9mA。当停用时,放大器的吸收电流小于 500μA,而且输出变至高阻抗。
LT6555 运用凌力尔特 (现隶属 ADI) 专有的低电压互补双极型工艺制造,可提供 24 引脚 SSOP 封装和超紧凑的 24 引脚 QFN 封装。
应用
- RGB 放大器
- UXGA 视频多路复用
- LCD 投影机
方框图


