优势和特点
- 数字输入立体声、高效率D类放大器
- 采用4.5 V至16 V单电源供电
- 先进、专有的无滤波器Σ-Δ调制
- 信噪比:106.5 dB
- 以5 W功率驱动8 Ω负载时的总谐波失真加噪声(THD + N):0.004%
- 输出噪声:38.5 µV rms(A加权)
- 爆音/无杂音开/关顺序
- 2×14.67 W输出功率,12 V电源和4 Ω负载(THD + N小于1%时)
- 1×49.69 W输出功率,16 V电源和2 Ω负载(THD + N小于1%时)
- 2芯和3芯锂电池
- 单声道模式,可提高最大输出功率
- 未采用I2C的独立工作模式
- 高功效
- 驱动到8 Ω负载的效率为93.8%
- 驱动到4 Ω负载的效率为90.6%
- 12.34 mA静态电流,采用12 V PVDD单电源
- 欲了解更多特性,请参考数据手册
产品详情
SSM3582是一款全集成式高效率、数字输入D类立体声音频放大器。它可以采用单电源供电,仅需极少的外部器件,能够大幅减少电路物料清单。
专有扩频Σ-Δ调制方案可直接连接到扬声器,确保顶尖的模拟性能,同时与其它D类架构相比,可提供更低的辐射。可选的超低电磁干扰(EMI)模式极大降低了100 MHz以上的电磁辐射,可提供较长的扬声器电缆长度。音频通过数字化方式传输至放大器,从而最大程度地减小数字环境下的信号损坏可能性。该放大器提供出色的模拟性能,信噪比超过106 dB,0.004% THD + N相当低。
SSM3582采用4.5 V至16 V单电源供电,能够以不到1%的总谐波失真(THD)将2 × 15 W rms连续驱动至4 Ω和8 Ω负载。高效率调制方案在各种阻抗范围内保持出色的功效。驱动至8 Ω负载时的功率为93%,而驱动至4 Ω负载时的功率为90%。经优化的输出脉冲在阻抗低至3 Ω/5 μH时仍保持性能,可配合更宽的带宽tweeter使用。
脉冲码调制(PCM)音频串行端口支持最常见的协议,比如I2S、左对齐、时分多路复用(TDM),最多可选址单个接口上的16个器件,适用于多达32个音频回放通道。
IC操作通过专用I2C接口进行控制。两个ADDRx引脚(2倍5电平)在I2C和独立模式下定义多达16个独立的地址,自动设置默认的TDM插槽属性。
微功耗关断模式通过移除数字音频接口时钟进行触发,典型电流小于1 μA。它还提供软件关断模式。
当输入端不存在信号时,自动关断功能会关断放大器和数模转换器(DAC),从而在数字静音期间尽可能降低功耗。当输入端存在非零数据时,该器件将重启。静音和取消静音转换时无爆音/杂音。
SSM3582的额定温度范围为−40°C至+85°C商用温度范围。该器件内置热关断和输出短路保护功能、提前过热报警以及可编程增益限幅特性以维持工作。
SSM3582采用40引脚、6 mm × 6 mm引脚架构芯片级封装(LFCSP),配有热焊盘以改善散热。
应用
- 移动计算
- 一体化计算机
- 便携式电子设备
- 无线扬声器
- 电视
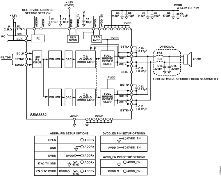
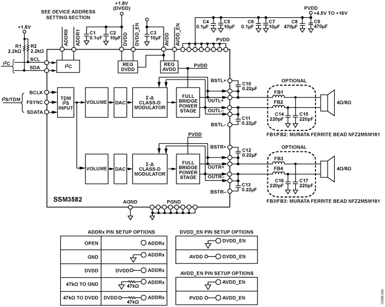
方框图


