优势和特点
电流检测
- 宽范围:5V 至 100V
- 低失调电压:±500µV (最大值)
- 响应时间 1µs
- 带 2 个电阻的可配置增益
- 低输入偏置电流:170nA (最大值)
- PSRR:118dB (最小值)
- 低电源电流:250 µA
电压检测
- 电压检测范围:0V 至 100V
- 精密 1MΩ 电阻分压器
- 低总增益误差:±0.15% (最大值)
- 电源电压范围:2.7V 至 5.5V
- 低电源电流:57 µA
- 工作温度范围:–40°C 至 125°C
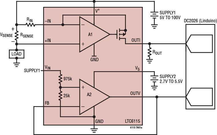
产品详情
LTC6115 是高电压、高端电流检测放大器与电压检测放大器的多功能组合。其卓越的器件特性提供了设计灵活性:用于电流检测的 ±500µV 最大失调电压和 ±0.15% 的最大电压检测总增益误差。
LTC6115 的电流检测部分通过检测一个外部检测电阻两端的电压来监视电流。将检测到的电压转换为一个输出电流,然后可通过外部电阻 ROUT 将该输出电流转换为电压。因其具有快速响应特性,故而成为负载电流警告和关断保护控制的理想选择。
LTC6115 还包括一个内部 1MΩ 电阻分压器和一个用于实现准确电压监视的精准电压放大器。电阻衰减为 40,可在 VIN 引脚上检测高达 100V 电压,从而适合在电信、工业和汽车应用中提供精准的高电压监视。可通过外部增益电阻配置全标度输出电压,以最大限度利用放大器的轨至轨输出。LTC6115 采用 12 引脚 MSOP 封装。
应用
- 电流分流器测量
- 电池监控
- 电源管理
- 汽车检测和控制
- 工业监测
方框图

