优势和特点
- 保证复位置为有效 (在 VCC = 1V)
- 1.5mA 最大电源电流
- SO-8 封装
- 4.65V 高精度电压监视器
- 电源正常 / 复位时间延迟:200ms
- 极少的外部组件数目
- 性能规格在整个温度范围
- MAX699 的绝佳升级产品
产品详情
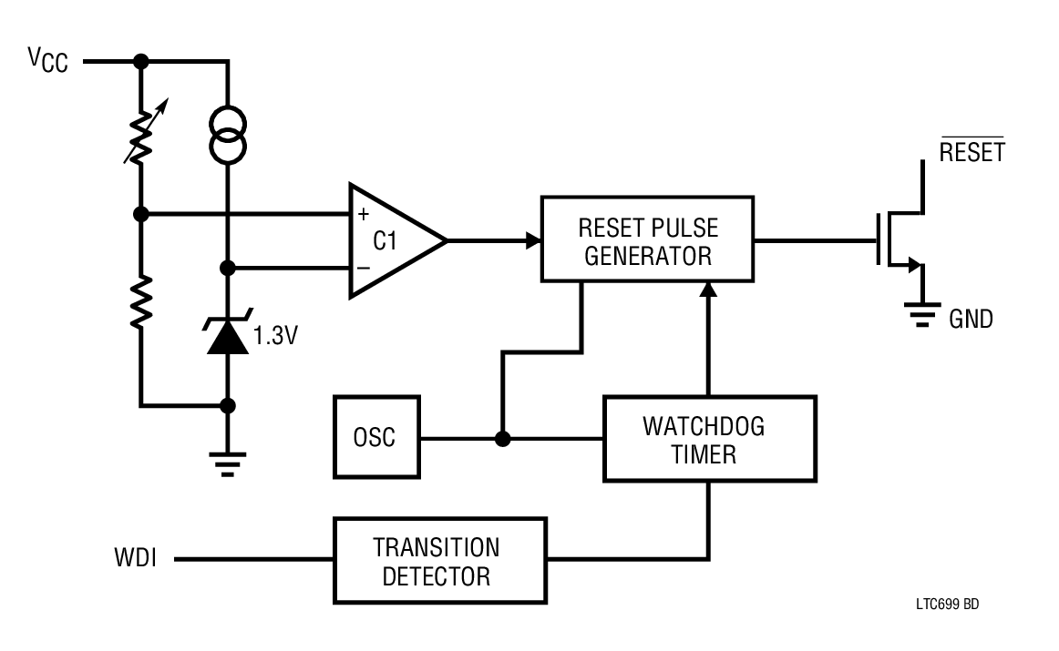
LTC699 提供了针对基于微处理器之系统的电源监视。其特性包括微处理器复位和看门狗定时。高精度内部电压基准和比较器电路负责监视电源线路。当出现某种超容差情况时,RESET 输出被强制为低电平有效。此外,即使在 VCC 低至 1V 时也保证 RESET 输出处于逻辑低电平。
而且,该器件还提供了一个内部看门狗定时器,当看门狗输入在 1.6 秒的超时周期结束之前切换时,该定时器将强制 RESET 输出至低电平有效。
LTC699 可提供 DIP 封装和表面贴装型封装。
应用
- 关键性的微处理器电源监视
- 智能仪器
- 计算机和控制器
- 汽车系统
方框图


