搜索内容
登录
放大器IC
关注
0
人关注
放大器是能把输入讯号的电压或功率放大的装置,由电子管或晶体管、电源变压器和其他电器元件组成。用在通讯、广播、雷达、电视、自动控制等各种装置中。
HMC907A-DIE GaAs pHEMPT MMIC功率放大器,0.2 - 22 GHz
优势和特点 高P1dB输出功率:+28 dBm 高增益:14 dB 高输出IP3:+41 dBm 单电源:+10V(350 mA时) 50 Ω匹配输入/输出
HMC6981 2 W功率放大器SMT,15 - 20 GHz
优势和特点 P1dB输出功率: +33.5 dBm 25% PAE (+34.5 dBm Pout) 增益: 26 dB 输出IP3: +43.5 dB
HMC5805A GaAs pHEMT MMIC 0.25 W功率放大器,DC - 40 GHz
优势和特点 高P1dB输出功率:+22 dBm 高Psat输出功率:+24 dBm 高增益:13.5 dB 高输出IP3:+33 dBm 电源电压:+10V(
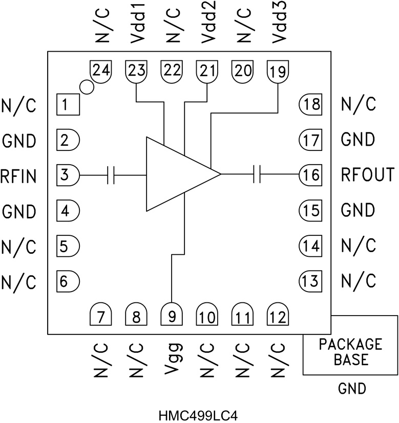
HMC499LC4 中等功率放大器,采用SMT封装,21 - 32 GHz
优势和特点 输出IP3: +34 dBm 饱和功率: +24 dBm (16% PAE) 增益: 16 dB +5V(200 mA)电源 50 Ω匹配
HMC591-DIE 2 W功率放大器芯片,6 - 10 GHz
优势和特点 饱和输出功率: +34 dBm (24% PAE) 输出IP3: +43 dBm 增益: 23 dB 直流电源: +7V (1340 mA)
HMC499-DIE 中等功率放大器芯片,21 - 32 GHz
优势和特点 输出IP3: +33 dBm P1dB: +24 dBm 增益: 16 dB 电源电压: +5V 50 Ω匹配输入/输出 裸片尺寸: 2.
HMC591LP5 2 W功率放大器,采用SMT封装,6.0 - 9.5 GHz
优势和特点 饱和输出功率: +33 dBm (20% PAE) 输出IP3: +41 dBm 增益: 18 dB 直流电源: +7V (1340 mA)
HMC7229 集成功率检波器的GaAs pHEMT MMIC 1 W功率放大器,37 - 40 GHz
优势和特点 P1dB输出功率: +31.5 dBm Psat输出功率: +32 dBm 高输出IP3: +40 dBm 高增益: 24 dB 18%
HMC559 宽带功率放大器芯片,DC - 20 GHz
优势和特点 P1dB输出功率:+28 dBm 增益:14 dB 输出IP3:+36 dBm 电源电压:+10V (400 mA) 50 Ω匹配输
HMC994APM5E GaAs pHEMT MMIC功率放大器,DC - 28 GHz
优势和特点 P1dB输出功率:+27 dBm Psat输出功率:+29 dBm 高增益:13 dB 输出IP3:+38 dBm 电源电压:Vdd = +10V
HMC590LP5 1 W功率放大器,采用SMT封装,6.0 - 9.5 GHz
优势和特点 饱和输出功率:+31.5 dBm (23% PAE) 输出IP3: +40 dBm 增益: 21 dB 直流电源: +7V (820 mA)
HMC7885 2 GHz至6 GHz,45 dBm功率放大器
优势和特点 2 GHz至6 GHz 小信号增益:21 dB(典型值) 饱和RF输出功率:45 dBm(典型值,POUT) 18引脚、密封模块 工作温度范围为-
HMC7357 GaAs pHEMT MMIC 2 W功率放大器,5.5 - 8.5 GHz
优势和特点 Pout:+35 dBm (34% PAE) 高P1dB输出:+34 dBm 高输出IP3: +41.5 dBm 高增益: 29 dB 5
HMC7229-DIE 集成功率检波器的33 GHz至40 GHz、GaAs、pHEMT、MMIC、1 W功率放大器
优势和特点 32 dBm PSAT with 22% PAE P1dB POUT:31.5 dBm 高OIP3:39.5 dBm 高增益:24.5 dB 50
HMC797APM5E GaAs pHEMT MMIC 1 W功率放大器,DC - 22 GHz
优势和特点 高P1dB输出功率:28 dBm 高Psat输出功率:29.5 dBm 高增益:13.5 dB 高输出IP3:39 dBm 电源电压:+10 V(
HMC943APM5E >1.5 W (34 dBm) 24 GHz 至 34 GHz GaAs pHEMT MMIC 功率放大器
优势和特点 高饱和输出功率 (PSAT):34 dBm 高输出 IP3:39 dBm 高增益:23 dB直流电源:1300 mA 时 5.5 V 无需外部匹配
HMC637ALP5 GaAs pHEMT MMIC 1W功耗放大器,DC - 6 GHz
优势和特点 P1dB输出功率: +29 dBm 增益: 13 dB 输出IP3: +44 dBm 50 Ω匹配输入/输出 32引脚5x5mm SMT封
HMC637BPM5E GaAs、pHEMT、MMIC、单正电源、DC至6 GHz、1 W功率放大器
优势和特点 P1dB输出功率:27.5 dBm(典型值) 增益:15 dB(典型值) 输出IP3:40 dBm(典型值) 在VDD = 12 V(335 mA
HMC863ALC4 GaAs pHEMT MMIC 1/2 W功率放大器,24 - 29.5 GHz
优势和特点 高P1dB输出功率:+27 dBm 高Psat输出功率:+28.5 dBm 高增益:24 dB 高输出IP3:+38.5 dBm 电源电压:+5.
HMC7543 集成功率检波器的71 GHz至76 GHz E波段功率放大器
优势和特点 增益: 21.5 dB(典型值) 针对1 dB压缩(P1dB)的输出功率: 25 dBm(典型值) 饱和输出功率(PSAT): 26.5 dBm
上一页
17
/
151
下一页