硬声
视频消失了,请看更多热门视频
相关推荐 评论
led,LED点阵,点阵屏,电厂
729

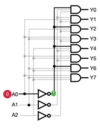
LED点阵屏是的控制原理 LED广告屏是怎么控制这么多LED灯的#led #LED点阵

光刻工艺流程,光刻,晶圆制造
515

动画演示芯片的制作过程。#芯片#华为

cpu/soc,EUV,晶圆制造,光刻
365

CPU的制造

光刻,晶圆制造
275

CMP是什么意思?什么是CMP? #半导体 #芯片 #天天涨知识 #天天看科普#硬声创作季

芯片,FET,FinFET,芯片制造,电厂
669

芯片制程说的是什么_Finfet的原理#芯片制程 #Finfet #芯片制造

元器件,电厂
589

国内一商家发布复古手表_核心元件距今已50年#硬声创作季

电池/bms,安全,磷酸铁锂,电厂
433

要安全选磷酸铁锂_要能量密度选三元锂_其实很多人都搞错了#磷酸锂铁电池

整流桥,整流桥,电厂
313

整流全桥知识#整流桥

led,恒流源,LED驱动,驱动电源,LED驱动电源,恒流,恒流驱动,电厂
290

LED为何需要恒流驱动_恒流源的工作原理#二极管 #led驱动电源

芯片,电厂
289

神奇的芯片_将数据转换玩弄与股掌之中#芯片 #数据转换 #硬声创作季

电路隔离,Mac,隔离电路,macbook,隔离,电厂
274

7分钟精彩分析两种保护隔离电路_让你秒懂MacBook笔记本供电原理#电路知识 #电路隔离

元器件,交流电,电厂
244

交流电是如何变为直流电的_原理非常简单_知道的人却不多#电路设计 #交流电 #硬声创作季

整流桥,整流桥,电厂
242

电子基础知识_整流桥怎么测量好坏_怎么区分正负极#整流桥

光刻,晶圆制造
240

杨振宁曾阻止修建对撞机!呼吁发展半导体,可惜没人听他意见#杨振宁@@江西观察

DIY,电子管,电厂,电子管功放
240

49美元造一台电子管功放_邻居说这声音简直有毒#电子管 #制作简单的单管功放 #DIY音响

产品拆解,小米6,小米6,安森美,电厂,NCP,经典
239

拆解小米65W氮化镓1A1C充电器_内置安森美NCP1342 纳微NV6115经典组合#氮化镓

光刻,晶圆制造
237

刻蚀机的工作原理,你知道吗#芯片

树莓派,nano,电厂
231

Arduino发布树莓派芯片开发板. NANO RP 2040#树莓派开发

元器件,稳压电路,降压,电厂
227

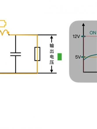
直流电12V变5V 开关电源的工作原理 DC DC降压稳压电路的基本原理#电路设计 #电路原理 #硬声

DIY,电厂,灯珠
223

制作LED灯珠检测工具_自己在家也能做#电路设计 #二极管