硬声
视频消失了,请看更多热门视频
相关推荐 评论
拓扑结构,电源,单芯片,数电
9069

单芯片如何实现升压和降压 #电路设计

单片机,芯片验证板,开发板,单芯片
943

#单片机 国产十块钱单片机单芯片运行nes模拟器玩魂斗罗

电路分析,电池充电,单芯片,2A,电池充电管理
269

#硬声创作季 单芯片实现3串电池充电管理,输入电压范围宽,最大支持2A充电

经验分享,行业芯事,元器件,芯片,FPGA,语音芯片,单芯片,LED点阵,驱动LED
258

WTV系列语音芯片,单芯片可驱动LED点阵+语音播报功能#语音芯片 #音频芯片 #LED点阵

cpu/soc,串口屏,单芯片,片上系统,移动芯片
183

重磅:大彩“芯”DA128单芯片SOC已经进入大批量阶段!#寻找100+国产半导体厂家 #硬声创作季

传感器,单芯片
156

#MEMS与微系统 单芯片集成与多芯片集成

电路分析,单芯片
208

#硬声创作季 剃须刀控制电路,单芯片驱动,实现充电控制及驱动,外围结构简单

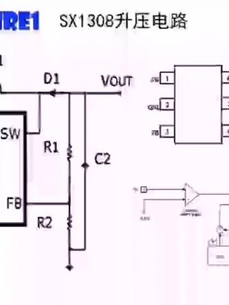
电路分析,升压电路,单芯片,升压
204

#硬声创作季 锂电池升压电路,单芯片工作,结构简单效率高

电路分析,降压电路,车载,过压保护,单芯片,降压,过压
170

#硬声创作季 车载笔记本降压电路,单芯片驱动,如何实现过压保护?

物联网
234

宏集案例 | 座椅占用传感垫的FAM测试系统校准演示#自动化控制 #物联网

物联网
164

LoRa2021 Demo板操作演示#物联网开发

示波器
273

电源环路分析:为什么不用示波器测?#示波器入门实操 #示波器 #电源环路分析 #电源稳定性测试

行业资讯,行业芯事
210

“天网”降临,国内基于OpenClaw完成太空算力试验,操控地面机器人

电子元器件
209

1分钟动画演示:二极管工作原理超简单#二极管 #电子工程师 #电子元器件 #单片机

名人访谈
37

将高品质音频带给每一个人

智慧办公
502

小汽车

机械设计及工艺
532

自制金属折弯器

行业资讯,行业芯事
36

谷歌将新一代TPU,专用于推理

无人机
655

无人机