由于需要高可靠性,同时还要应对相对不稳定的电池电压,因此为汽车电子系统供电可能具有挑战性。与车辆电池接口的各种电气和机械系统可能会导致标称12 V电源电压的剧烈波动。实际上,12 V可以在–14 V至+35 V范围内长时间变化,并经历+150 V至–220 V的极端电压尖峰。其中一些浪涌和瞬变来自日常使用,另一些则来自故障条件或人为错误。无论原因如何,它们在车辆电子系统中可能产生的损坏都难以诊断且修复成本高昂。
汽车制造商在上个世纪的经验导致了一系列已知会中断操作并造成损坏的电气条件和瞬变。国际标准化组织 (ISO) 已将这些行业知识汇编成道路车辆的 ISO 16750-2 和 ISO 7637-2 规范。至少,汽车电子控制单元(ECU)的电源应经受住这些条件而不会损坏。对于关键系统,必须保持功能和公差。这要求电源通过瞬态调节输出电压,以保持ECU运行。理想情况下,完整的电源解决方案可避免使用保险丝,最大限度地降低功耗,并具有低静态电流,可在不耗尽电池的情况下支持始终开启的系统。
ISO 16750-2 汽车电子系统条件
ADI公司有几本出版物详细介绍了ISO 7637-2和ISO 16750-2规范,以及如何使用LTspice对其进行仿真。®1,2,3,4
在最新版本中,ISO 7637-2 电磁兼容性规范侧重于来自相对高阻抗源(2 Ω 至 50 Ω)的高振幅 (>100 V)、短持续时间(150 ns 至 2 ms) 瞬态。这些电压尖峰通常可以通过无源元件来缓解。图1显示了定义的ISO 7637-2脉冲1,并增加了一个330 μF旁路电容。电容将尖峰幅度从–150 V降至–16 V,完全在电池反向保护电路的范围内。ISO 7367-2 脉冲 2a、3a 和 3b 的能量明显低于脉冲 1,并且需要的抑制电容更少。

图1.ISO 7637-2:带或不带 330 μF 旁路电容器的脉冲 1。
ISO 16750-2侧重于来自低阻抗源的持续时间较长的脉冲。这些瞬变不容易滤除,经常需要基于稳压器的有源解决方案。一些更具挑战性的测试包括抛负载(测试4.6.4),反向电池条件(测试4.7),叠加交流电压测试(测试4.4)和发动机启动曲线(测试4.6.3)。图2给出了这些测试脉冲的直观概述。ISO 16750-2中提出的各种条件,以及ECU的电压和电流要求,经常需要多种方法的组合才能满足所有这些要求。

图2.一些更严格的ISO 16750-2测试概述。
负载突降
抛负载(ISO 16750-2:测试 4.6.4)是一种严重的过压瞬变,它模拟交流发电机提供大量电流时的电池断开。抛负载期间的峰值电压分为抑制或非抑制,具体取决于三相交流发电机的输出端是否使用雪崩二极管。抑制抛负载脉冲限制为35 V,而未抑制脉冲峰值范围为79 V至101 V。无论哪种情况,由于交流发电机的定子绕组中存储了大量磁能,因此可能需要长达 400 毫秒的时间才能恢复。虽然大多数汽车制造商使用雪崩二极管,但不断增长的可靠性要求促使一些制造商要求ECU满足接近未抑制情况下的峰值负载突降电压。
面对抛负载的一种解决方案是增加一个瞬态电压抑制器(TVS)二极管,以本地箝位ECU电源。更紧凑、更严格的容差方法是使用有源浪涌抑制器,例如 LTC4364,它线性控制串联 N 沟道 MOSFET,以将最大输出电压箝位至用户编程电平(例如 27 V)。浪涌抑制器增加了断开输出的能力,允许可编程电流限制和欠压锁定,并且在使用背靠背NFET时通常提供反向电池保护。
任何线性稳压功率器件(如浪涌抑制器)的问题是,在负载突降期间限制输出电压或在输出短路时限制电流时,N 沟道 MOSFET 中可能会产生显著的功率耗散。功率 MOSFET 的安全工作区 (SOA) 限制最终限制了浪涌抑制器可能的最大电流。它还对在必须关断 N 沟道 MOSFET 以避免损坏之前可以保持多长时间的调节设置了时间限制(通常使用可编程定时器引脚设置)。这些SOA施加的限制在更高的工作电压下变得更加严重,使得浪涌抑制器在24 V和48 V系统中的使用更加棘手。
一种更具可扩展性的方法是使用能够在42 V输入下工作的降压稳压器,例如LT8640S。开关稳压器没有线性稳压器的MOSFET SOA限制,但它肯定更复杂。降压稳压器的效率允许非常高的电流操作,其顶部开关允许输出断开和电流限制。对降压稳压器静态电流的担忧已经得到解决,最新一代的器件在空载条件下稳压时仅消耗几微安的电流。静音切换器技术和扩频调频技术也显著改善了开关噪声。®
此外,一些降压稳压器能够以100%占空比工作,使得顶部开关连续导通,通过电感将输入电压传递到输出端。在过压或过流条件下触发开关操作,以分别限制输出电压或电流。这些降压型稳压器(例如 LTC7862)充当开关浪涌抑制器,实现了低噪声、低损耗操作,同时仍保持开关模式电源的稳健性。
反向电压
当电池端子或跨接电缆由于操作员错误而向后连接时,会发生反向电压条件(也称为电池反向条件)。相关的ISO 16750-2脉冲(测试4.7)重复向DUT施加–14 V,持续时间为60秒。一些制造商添加了自己的动态版本,其中部件最初通电(例如,V在= 10.8 V),然后突然施加反向偏置(–4 V)。
对数据手册的快速调查表明,很少有IC设计为能够承受负偏置,IC绝对最小引脚电压通常限制为–0.3 V。 低于地电位的电压超过二极管会导致过多电流流过内部结点,例如ESD保护器件以及功率MOSFET的体二极管。铝电解液等极化旁路电容器在反向电池条件下也可能损坏。
肖特基二极管可以防止反向电流,但这种方法在正常工作时在较高的正向电流下会导致明显的功率损耗。图3所示基于串联P沟道MOSFET的简单保护方案可降低这种损耗,但由于器件阈值电压,在低输入电压(例如发动机启动)下可能无法正常工作。一种更有效的方法是使用一个理想的二极管控制器,例如 LTC4376,它驱动一个串联 N 沟道 MOSFET,从而切断低于地电位的输入电压。在正常工作中,理想的二极管控制器调节源极,将N沟道MOSFET的电压漏极至30 mV或更低,与肖特基二极管相比,正向压降和功耗降低了一个数量级以上。

图3.解决困难的ISO 16750-2测试的不同方法。
叠加交流电压
叠加交流电压测试(ISO 16750-2:测试4.4)模拟车辆交流发电机交流输出的影响。顾名思义,正弦信号叠加在电池轨上,峰峰值幅度为 1 V、2 V 或 4 V,具体取决于严重性级别分类。对于所有严重性级别,最大输入电压为 16 V。正弦波的频率从50 Hz对数扫描到25 kHz,然后在120秒内返回50 Hz,总共重复五次。
该测试会在任何连接的滤波器网络中产生较大的振幅电流和电压摆动,谐振低于25 kHz。它还可能给开关稳压器带来问题,因为环路带宽限制使得通过高频输入信号进行调节变得困难。一种解决方案是中间整流元件,例如功率肖特基二极管,但与反向电压保护一样,这是解决问题的不良方法。
理想的二极管控制器在这里不会像反向电压保护那样工作,因为它不能足够快地切换N沟道MOSFET以跟上输入。限制因素是栅极上拉强度,内部电荷泵通常将其限制在20 μA左右。虽然理想的二极管控制器可以快速关闭MOSFET,但导通速度非常慢,不适合整流非常低的频率以外的任何器件。
一种更优雅的方法是使用LT8672有源整流器控制器,它可以足够快地切换N沟道MOSFET,以高达100 kHz的频率整流输入电压。有源整流器控制器是理想的二极管控制器,具有两个重要的附加功能:从输入电压升压的大电荷库和强大的栅极驱动器,用于快速打开和关闭 N 沟道 MOSFET。与肖特基相比,这种方法可以将功率损耗降低90%以上。LT8672 还可以像理想的二极管控制器一样保护下游电路免受电池反向情况的影响。
起始配置文件
发动机启动曲线(ISO 16750-2:测试4.6.3)是一种极端欠压瞬变,有时称为冷启动脉冲,因为最坏情况下的电池下降发生在较低的温度下。具体而言,当启动器翻转时,12 V电池电压可能会暂时降至8 V、6 V、4.5 V或3 V,具体取决于严重性级别分类(分别为I、IV、II、III)。
在某些系统中,低压差(LDO)线性稳压器或开关降压稳压器足以允许电源轨穿越此瞬变,前提是ECU电压小于最低输入电压。例如,如果最高ECU输出电压为5 V,并且必须满足严重性等级IV(最小输入电压为6 V),则压差小于1 V的稳压器就足够了。发动机启动曲线的最低电压段仅持续 15 ms 至 20 ms,因此,如果电压裕量短暂降至稳压压差以下,整流元件(肖特基二极管、理想二极管控制器、有源整流器控制器)后跟一个大旁路电容器,则可能能够穿过这部分脉冲。
但是,如果ECU必须支持高于最低输入电压的电压,则需要升压稳压器。升压稳压器可以在高电流水平下从低于3 V的输入有效地保持12 V输出电压。但是,升压稳压器存在一个问题:从输入到输出的二极管路径可防止断开,因此电流在启动时或短路时不会自然受到限制。为防止电流失控,专用升压稳压器(如 LTC3897 控制器)集成了一个浪涌抑制器前端,以允许输出断接和电流限制,并在使用背靠背 N 沟道 MOSFET 时提供反向电压保护。该解决方案可以通过单个集成电路解决负载突降、发动机启动和电池反转问题,但可用电流受到浪涌抑制器 MOSFET 的 SOA 的限制。
4开关降压-升压稳压器通过共享电感将同步降压稳压器和同步升压稳压器组合在一起,从而消除了这一限制。这种方法可以满足负载突降和发动机启动曲线测试,而没有MOSFET SOA对电流电平或脉冲持续时间的限制,同时保留断开输出和限制电流的能力。
降压-升压稳压器的开关操作取决于输入和输出电压之间的关系。如果输入明显高于输出,则升压顶部开关持续导通,同时降压功率级降低输入。类似地,当输入明显低于输出时,降压顶部开关连续导通,而升压功率级则使输出升压。当输入和输出大致相等(在10%至25%之间)时,降压和升压功率级以交错方式同时切换。通过这种方式,通过将开关限制为仅调节分别高于、大致等于或低于输出的输入电压所需的 MOSFET,最大限度地提高了各个开关区域(降压、降压-升压、升压)的效率。
ISO 16750-2 解决方案摘要
图 3 总结了解决负载突降、反向输入电压、叠加交流电压和发动机启动曲线测试的各种解决方案,以及每种方法的优缺点。几个关键要点开始出现:
漏极朝向输入的串联N沟道MOSFET是非常理想的,因为它可用于限制电流和断开输出,无论它是用作开关(例如,在降压功率级中)还是线性控制(例如,在浪涌抑制器中)。
在反向输入保护和叠加交流电压的情况下,与肖特基二极管相比,使用 N 沟道 MOSFET 作为整流元件(面向输入的源极)可显著降低功率损耗和压降。
开关模式电源比线性稳压器更可取,因为它减轻了在功率器件的SOA内工作所带来的可靠性问题和输出电流限制。它可以无限期地调节极端输入电压,而线性稳压器和无源解决方案具有固有的时间限制,使设计复杂化。
升压稳压器可能是必需的,也可能不是必需的,具体取决于启动配置文件的严重性分类和ECU的详细信息(它必须提供的最高电压是多少)。
如果需要升压调节,则4开关降压-升压稳压器将上述理想特性组合到单个器件中。它可以在高电流水平下长时间有效地调节严重的欠压和过压瞬变。从应用程序的角度来看,这使其成为最可靠、最直接的方法,尽管设计复杂性增加。然而,典型的4开关降压-升压稳压器也存在一些缺点。首先,反向电池保护不是自然提供的,必须通过额外的电路来解决。
4开关降压-升压稳压器的主要缺点是,其大部分工作寿命都处于效率较低、噪声较大的降压-升压开关区域。当输入电压几乎等于输出(V在~ V外) 所有四个 N 沟道 MOSFET 都在主动开关以保持稳压。由于开关损耗增加和施加最大栅极驱动电流,效率下降。辐射和传导EMI性能在此区域受到影响,因为降压和升压级热回路均处于活动状态,稳压器输入和输出电流不连续。
4开关降压-升压稳压器可以通过偶尔的大幅度欠压和过压瞬变进行调节,但代价是在更常见的标称转换区域中以高静态电流、较低效率和更高噪声工作。
直通工作模式带来高效率和 EMI 性能降压-升压区域
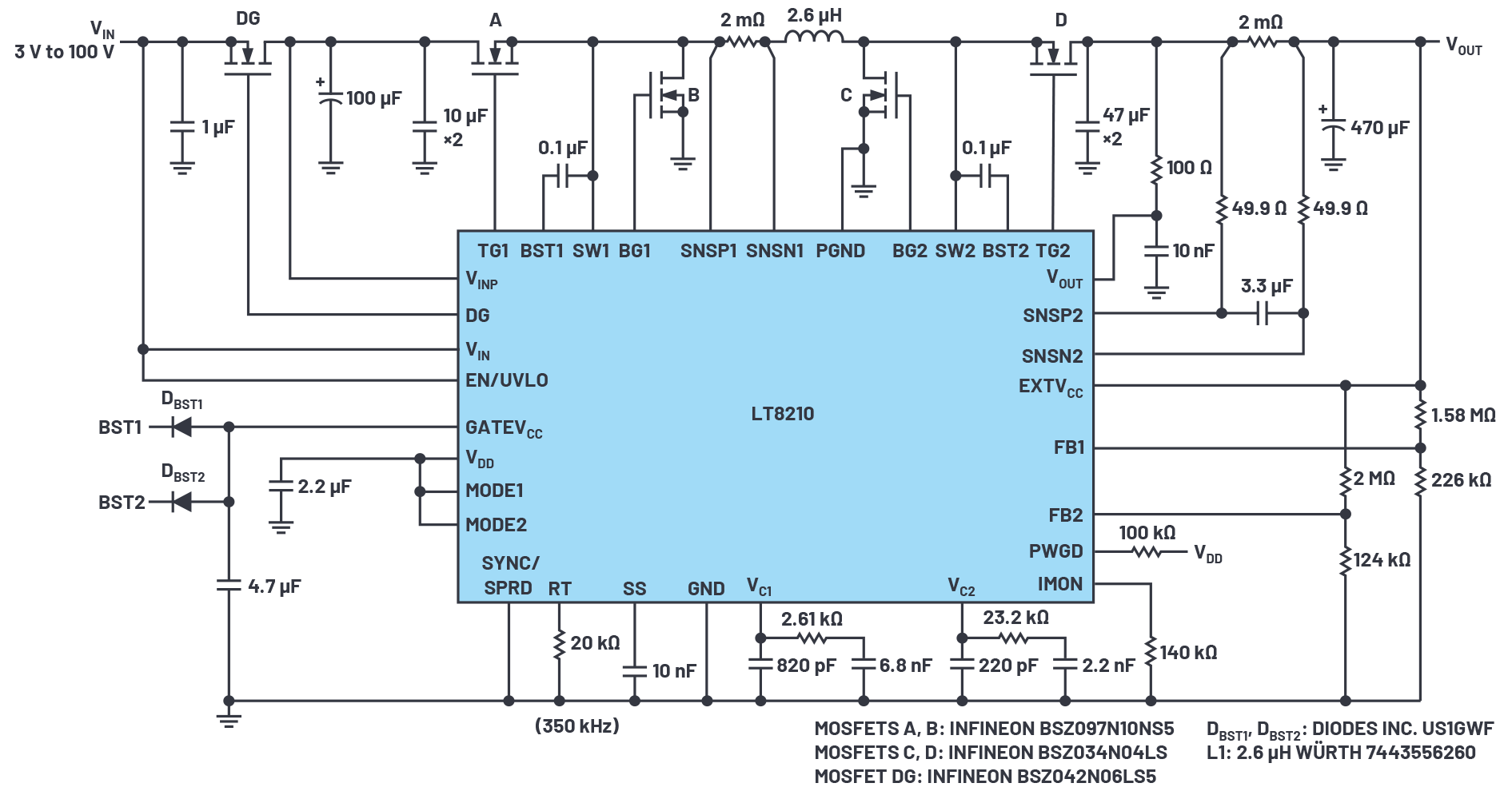
LT®8210 是一款 4 开关降压-升压型 DC-DC 控制器,能够以固定输出电压的传统方式工作,并且还具有新的直通唰唰��工作模式(图 4),通过可编程输入电压窗口消除开关损耗和 EMI。它的工作电压范围为2.8 V至100 V,允许其在发动机启动期间最严重的电池跌落调节至未抑制负载突降的峰值幅度。它具有–40 V的内置电池反向保护功能,通过增加一个N沟道MOSFET来实现(图5中的DG)。

图4.具有直通模式的降压-升压控制器解决了汽车标准测试带来的许多问题。

图5.这款 3 V 至 100 V 输入降压-升压控制器采用 8 V 至 17 V 直通输出供电。
在直通模式下,当输入电压在窗口外时,输出电压被调节到电压窗口的边缘。窗口顶部和底部通过 FB2 和 FB1 电阻分压器进行编程。当输入电压在此窗口内时,顶部开关(A 和 D)连续导通,将输入电压直接传递到输出。在这种非开关状态下,LT8210的总静态电流降至数十微安。无开关意味着无EMI和开关损耗,效率超过99.9%。
对于那些想要两全其美的人来说,LT8210 允许通过切换 MODE1 和 MODE2 引脚在其不同的工作模式之间动态转换。换言之,在某些情况下,LT8210 可用作具有固定输出电压 (CCM、DCM 或突发模式) 的传统降压-升压型稳压器,然后随着应用中条件的变化而更改为直通模式™。对于始终在线系统和启停应用程序,这可能是一个有用的功能。
直通性能
图5中的直通解决方案在8 V至17 V的窗口中将输入传递到输出。当输入电压高于直通窗口时,LT8210将其降压至17 V稳压输出。如果输入降至8 V以下,LT8210会将输出升压至8 V。作为一项保护功能,如果超过电感电流限值或编程平均电流限值(通过IMON引脚),则在直通窗口内触发开关操作以控制电流。
图6、图7和图8分别显示了LT8210电路对抛负载、反向电压和启动曲线测试的响应。图 9 和图 10 展示了在直通窗口下可能实现的效率改进和低电流操作(令人惊讶的是,什么都不做是多么高效)。图11显示了直通模式和CCM操作之间的动态转换。该电路的LTspice仿真以及最苛刻的ISO 16750-2测试脉冲的加速版本可在 analog.com/media/en/simulation-models/LTspice-demo-circuits/LT8210_AutomotivePassThru.asc 提供。

图6.对未抑制负载突降的直通响应。

图7.LT8210对反向电池条件的响应。

图8.对发动机冷启动的直通响应。

图9.CCM 和直通操作的效率。

图 10.直通模式下无负载输入电流 (V在= 12 V)。

图 11.直通和 CCM 操作之间的动态转换。
结论
在为汽车电子系统设计电源时,LT8210 4开关降压-升压DC-DC控制器具有2.8 V至100 V输入工作范围、内置电池反向保护和新的直通工作模式,可提供卓越的解决方案。直通模式改进了降压-升压操作,实现了无开关噪声、无开关损耗和超低静态电流,同时将输出调节到用户编程窗口而不是固定电压。输出电压最小值和最大值在大幅度瞬变(如抛负载和冷启动)期间受到限制,无需担心 MOSFET SOA,也不受线性解决方案带来的电流或时序限制。
新颖的LT8210控制方案可在不同开关区域(升压、降压-升压、降压和非开关)之间实现干净、快速的转换,从而允许其通过输入上的大信号、高频交流电压进行调节。LT8210 可在运行时在直通操作和传统的固定输出电压、降压-升压操作模式 (CCM、DCM 或突发模式) 之间切换,并且固定输出可设置为直通窗口内的任何电压 (例如,V外8 V 至 16 V 窗口为 12 V)。这种灵活性允许用户在直通和正常降压-升压操作之间交替,以换取低噪声、低IQ、直通模式的高效运行,可实现更严格的调节,并改善 CCM、DCM 或突发模式下的瞬态响应。
审核编辑:郭婷
全部0条评论
快来发表一下你的评论吧 !