电子说
“这款MOSFET的SOA(安全工作区)是否适合我的应用?”这是热插拔电路设计人员最常问的问题。在评估 MOSFET 对特定应用的适用性时,深入了解 SOA 会有所帮助。在简要回顾了 MOSFET 数据手册中的 SOA 规格之后,本文对 SOA 进行了简单解释,重点介绍了 MOSFET 的热行为。有了这种理解,设计人员可以放心地使用LTspice附带的工具SOAtherm,在电路仿真中准确评估MOSFET SOA。
什么是 SOA?
每个 MOSFET 数据手册都包含一个 SOA 图,该图描述了 MOSFET 暴露于特定电压和电流的最长时间。图1显示了恩智浦半导体数据手册中PSMN1R5-30BLE 30V 1.5mΩ N沟道MOSFET的SOA图。考虑将 10V/100A 的电压施加到 MOSFET 的条件。查看 SOA 图上的相应点,我们看到它介于 1ms 和 10ms 行之间。该图表明,如果外壳(片片)保持在25°C,则可以施加10V和100A电流至少1ms,而不会损坏MOSFET。

图1.安全操作区域;脉冲在固定电压和电流下的最大允许时间。
当然,将外壳保持在25°C是不可能的,需要一个无法实现的完美散热器,但幸运的是,对于短时间事件(小于10ms-100ms),外壳温度不会显着上升。热插拔电路仅在短时间事件(启动、输入电源阶跃和输出过流条件)期间看到显著的漏源电压,因此通常满足10ms–100ms的时间限制。
较高外壳温度(高于25°C)时的降额将在下面的“瞬态热阻”部分中讨论。对于超过 10 毫秒的事件,请参阅“超过 10 毫秒”。
稳态
在深入研究瞬态 SOA 事件之前,退后一步并查看更熟悉的稳定状态 (DC) 限制会很有帮助。MOSFET 数据手册规定了最高硅温度(通常为 150°C 或 175°C)以及 θ杰克和 θ贾,分别是从硅(结)到封装底部(外壳)的热阻,以及从硅(结)到环境(环境)的热阻。(有时R千(JC)和 R千(日本)用作 θ 的替代名称杰克和 θ贾.)
来自 PSMN1R5-30BLE 数据表,θ贾= 50°C/W 和 θ杰克= 0.3°C/W. θ贾用于使用数据手册中指定的 PC 板配置计算从环境温度到 MOSFET 硅芯片的温升。在PSMN1R5-30BLE数据表中,θ贾在 FR4 印刷电路板上以最小的占用空间指定。假设您的印刷电路板与 MOSFET 制造商用于指定 θ 的电路板相同贾,硅芯片温度为:

例如,使用 θ贾50°C/W,环境温度为75°C,当MOSFET耗散1W时,芯片温度将为125°C。
对于大多数带有裸露金属片的现代MOSFET,θ贾主要由 PC 板布局决定,而不是 MOSFET 本身(尽管裸露的焊盘形状和尺寸起作用)。因为 θ贾高度依赖于 PC 板布局和气流,制造商指定的 θ贾仅适用于粗略估计。
θ杰克通常是一个更有用的指标,因为它描述了不受印刷电路板布局影响的MOSFET行为。要确定硅温度,请使用以下命令:

功耗为1W时,硅温度仅比外壳温度高0.3°C。使用此公式时,外壳温度(T箱) 必须通过物理测量或通过 PC 板的热模拟来确定。显然,PC 板布局、气流和散热器是计算稳态条件的关键因素。
瞬态热阻
大多数MOSFET数据手册还包括瞬态热阻图。“单脉冲”瞬态热阻(Z千(JC)) 是限时功率脉冲产生的温升。瞬态热阻图上的最长时间点始终与 θ 匹配杰克规格,因为 θ杰克根据定义,是稳态(无限时间)热阻。图2显示了PSMN1R5-30BLE数据手册中的瞬态热阻。就本文而言,只有“单脉冲”曲线很重要。

图2.从结点到安装底座的瞬态热阻与脉冲持续时间的关系。
瞬态热阻图可用于计算任何持续时间的功率脉冲的温升。例如,假设 MOSFET 漏源电压 (VDS) 的 12V 和漏极电流 (ID) 的 100A。MOSFET 的功耗为 12V • 100A = 1.2kW。如果我们看一下1ms处的瞬态热阻图,热阻为0.075°C/W。硅结温为:

适用于 1ms、1.2kW 脉冲,固定外壳温度为 25°C。
对于中等 VDS电压(低于Spirito区域,见侧栏),MOSFET制造商从瞬态热阻图生成SOA图。换句话说,这两个图是相同信息的替代表达式。SOA图显示了每个V的硅芯片达到其最大结温(150°C或175°C)所需的时间DS电压和我D当前组合。请注意,SOA 图仅对 25°C 的外壳温度有效,并且必须针对较高的外壳温度(包括脉冲本身发生的外壳温升)降额。(请参阅侧栏“超过 10 毫秒”。
知道PSMN1R5-30BLE的最高结温为175°C,并使用25°C的外壳温度,我们可以计算出1.2kW的最大允许时间。

查看瞬态热阻图,我们发现 Z千(JC)在大约2ms时穿过0.125°C/W,这也与SOA图相匹配。
了解瞬态热阻图后,我们可以计算出25°C以外的外壳温度的允许时间。 在之前的1.2kW示例中,外壳温度为25°C时,允许时间为2ms。现在,假设外壳温度为 85°C:

查看瞬态热阻图,我们发现 Z千(JC)在1ms时越过0.075°C/W,明显低于我们在25°C外壳温度下发现的2ms。
由于热行为是线性的,因此我们可以使用瞬态热阻抗图来确定任何功率形状的温升。虽然可以使用卷积进行此计算,但在电路模拟器(如SPICE)中更容易建模热行为。特别是,LTspice中的SOAtherm工具可用于模拟MOSFET的热行为。
超过10毫秒
对于大多数MOSFET,在瞬态事件持续不到10ms期间,外壳温度不会显著升高,因为热量通过MOSFET硅和铜需要时间。大约在10ms时,热量开始到达PCB。
如果 MOSFET 的铜片很小,则随着热量到达 PCB,MOSFET 的温度开始上升得更快。对于铜片较大的封装(即D2PAK封装),热量开始向外移动到铜片中仍然冷却的部分。因此,在高 SOA 应用(热插拔设计、线性放大器等)中,铜含量较高的封装比铜含量较低的 MOSFET 性能更好,即使它们的瞬态热阻和 SOA 图看起来相似。
将铜视为一个储层,有助于在 10ms–10s 时间范围内限制事件期间的 MOSFET 温升。瞬态热阻图和SOA图通常具有欺骗性,因为它们是通过假设外壳温度由一个不可能完美的散热器固定在25°C来创建的。
下图显示了焊接到顶层具有1oz铜平面的PCB上的Power-SO8封装和D2PAK封装的仿真热特性。该图还包括MOSFET数据手册中外壳温度固定的热阻曲线。

在1ms处,热量集中在硅芯片内。D2PAK硅的热阻为0.075°C/W,而Power-SO8的热阻为0.14°C/W,这主要是由于D2PAK中的硅芯片更大。在10ms时,热量开始到达铜片的底部,温度开始发散。在100ms时,Power-SO8芯片的温升为4.2°C/W,而D2PAK的温升仅为0.6°C/W。
LTspice中的SOAtherm热建模可预测最大MOSFET管芯温度
仅掌握 MOSFET 数据手册 SOA 图的设计人员在预测 MOSFET 是否适合热插拔设计时面临着艰巨的挑战。幸运的是,MOSFET热行为(和SOA)可以在LTspice等电路仿真器中建模。
LTspice中包含的SOAtherm符号包括一系列MOSFET热模型,这些模型简化了预测MOSFET最大管芯温度随时间变化的任务,即使在Spirito区域也是如此。热模型报告MOSFET芯片上最热点的温度,而不会影响MOSFET模型的电气行为。
无论好坏,SOAtherm模型都基于MOSFET制造商的数据手册,因此其准确性仅与制造商的数据本身一样准确。考虑到这一点,由于MOSFET制造商提供的SOA曲线通常是典型的数字,因此设计时要有足够的裕量,没有足够的降额来考虑器件之间的差异。
使用 SOAtherm
要使用 SOAtherm,请在 LTspice 仿真中将 SOAtherm-NMOS 符号放在 MOSFET 的顶部(图 3)。SOAtherm-NMOS 符号的 Tc 和 Tj 引脚上的电压分别表示外壳温度和硅结温。(有关使用此模型的详细信息,包括如何调整环境温度设置和其他参数,请参阅 SOAtherm-NMOS 教程。
运行仿真后,可以在波形查看器中观察硅和外壳温度(图 4)。在这里显示的波形中,MOSFET硅结温从25°C上升到72°C。 外壳温度从 25°C 上升到 35°C。 (Tc或Tj引脚上升1V相当于1°C温升。
记得模拟特殊情况
在使用SOAtherm确定是否可能超过MOSFET SOA限制时,有几个重要的特殊情况不容忽视。
输入电源阶跃。例如,输入电源可能从−36V快速步进至−72V的−48V电信应用的SOA要求可能需要具有重要SOA功能的MOSFET。当电源被预先调节,或者被很好地控制以消除这些步骤时,SOA需求就会降低。
启动到负载中。下游电路可能会在电源完全斜坡上升之前导通并吸收电流,或者电容器等组件可能在阻性短路中失效。仿真输出端的阻性负载可以指示MOSFET何时可能意外地受到需要大量SOA的条件的影响。
在其他正常操作期间发生输出短路。您永远不知道用户何时会将回形针放入机箱,热插拔电路(或保险丝)可防止呼叫消防部门。

图3.SOAtherm 通过在 LTspice 电路仿真中评估 SOA,简化了热插拔 MOSFET 的选择。
精神效果
多年前,当热插拔设计中的最大电流小于10A时,很容易找到满足大多数应用的MOSFET。在过去十年中,有两件事发生了变化。首先,电源电流显著增加,100A或更高电流变得普遍。其次,MOSFET制造商一直在努力改进MOSFET的电阻规格(RDS(ON)) 当它们完全打开时。具有讽刺意味的是,这降低了在较高漏源电压下可用的SOA,这就是所谓的“Spirito效应”。保罗·斯皮里托教授1解释说,随着MOSFET制造商增加跨导以改善导通电阻,MOSFET通过形成不稳定的热点而失效的趋势更大。
两个主要因素竞争确定热点是否导致MOSFET故障。其中一个因素是MOSFET能够在不快速升高温度的情况下耗散功率。(这反映在瞬态热阻曲线上。第二个竞争因素是MOSFET电池在变热时通过从相邻电池窃取更多电流来“逃跑”的趋势。第二个因素主要由MOSFET阈值电压的温度系数决定,该温度系数随着温度的升高而下降,导致较热电池中的“电流拥挤”。(由于 MOSFET 传导通道中的载流子迁移率降低,MOSFET 跨导随着温度的升高而下降。它在一定程度上抵消了当前的拥挤效应,但在此解释中可以安全地忽略。
在MOSFET封装内,有一个硅芯片,其中包含一系列MOSFET电池,其栅极、漏极和源极并联连接。当一些电池变得比其他电池更热时,它们的阈值电压相对于较冷的电池降低,导致较热的电池传导更多的电流。如果上面提到的竞争因素达到不稳定的状态,某些细胞可能会热跑掉,吸收越来越多的电流,直到它们自毁。
斯皮里托效应主要在高V下观察到DS由于给定的电池电流变化导致的电压在高V时会导致功率变化更大DS,导致细胞热失控的趋势增加。同样,Spirito效应在较低电流下最为明显,MOSFET电池有更多的时间热运行。(在较高电流下,平均管芯温度达到150°C或175°C,然后任何电池表现出明显的热失控。因此,高 VDS和低 IDSOA图的区域,其中Spirito效应占主导地位,有时被称为“Spirito区域”,并在图3的PSMN1R5-30BLE SOA中突出显示。

斯皮里托地区

图4.SOAtherm 波形。电压对应°C。
使用 LTC4226 宽工作范围双通道热插拔控制器的示例
LTC®4226 是一款双通道热插拔控制器,可在电源电压高达 44V 的应用中驱动外部 N 沟道 MOSFET。
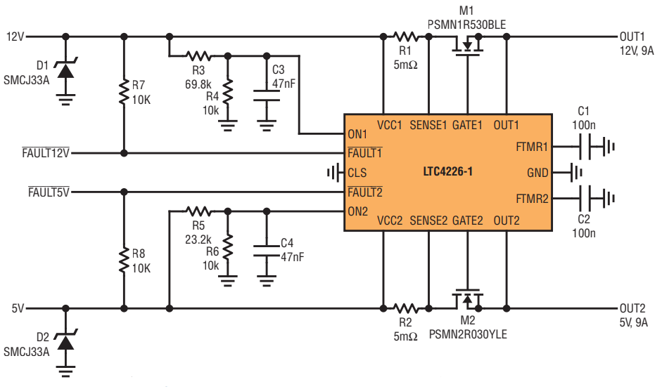
在图 5 的电路中,LTC4226 为一个 12V 电源和一个 5V 电源提供了电流限制和断路器功能。断路器定时器配置有连接到 FTMR1 和 FTMR2 引脚的电容器。当任一检测电阻两端的电压介于 50mV 至 86mV 之间时,FTMR1 或 FTMR2 上的相应电容器以 2μA 电流斜坡上升。

图5.LTC4226 热插拔控制器可保护一个 12V 和一个 5V 电源。两个电源均提供 9A 稳态电流,瞬态期间提供高达 17.2A 的电流。
由于在检测电阻电压达到86mV之前不接合电流限值,因此只要电流保持在86mV/5mΩ = 17.2A以下,MOSFET中的功耗就可以忽略不计。当电流超过该电平时,将接合电流限制,FTMR1 或 FTMR2 引脚斜坡上升 20μA。当相应的FTMR引脚达到1.23V时,相应通道的MOSFET关断,从而设置MOSFET关断前的最长时间。在本例中,100nF电容为两个通道配置6.2ms的电流限制超时。
对于 LTC4226,当输出短路至地时,会出现最差情况下的 MOSFET 功率耗散。因此,确定所需的 SOA 非常简单。(对于具有电流折返或功率限制功能的热插拔控制器,需要付出更多努力来确定最坏情况下的负载条件。参考图1中PSMN1R5-30BLE的SOA图,可以看出6.2ms在17.2A和12V时的SOA限值之内。SOAtherm仿真证实,总结温升小于50°C。 同样的仿真显示,大约5°C的外壳温升可以忽略不计,在短短的6ms事件中,这个相当大的D2PAK封装可以预期。
本例应用中的 5V 电源对 MOSFET 采用 powerPAK-SO8 封装,该封装小于用于 12V 电源的 D2PAK。5V电源可以使用较小的封装,因为5V电源的MOSFET的最差情况功耗为17.2A • 5V = 86W,而12V电源的MOSFET的最差情况耗散为17.2A • 12V = 206W。该电路的SOAtherm仿真预测结温升为40°C,包括外壳温升30°C。 与用于 12V 电源的 D2PAK 相比,powerPAK-SO8 封装的尺寸更小(铜也相应更少),从而解释了外壳温升较大。
上述计算和仿真有助于验证电路设计和MOSFET选择,但最终测试必须在实验室中使用组装好的电路完成。由于 LTC4226 的最坏情况 SOA 要求发生在输出短路时,因此实验室测试非常简单,只需快速施加具有接地输出的输入电源即可。一种很好的技术是将 LTC4226 电路热插拔到一个带电电源中,以模拟实际的热插拔事件。或者,可以在输入电源完全供电时施加输出短路。要确定电路是否有额外的裕量,请将定时器电容换成更大的值,然后再次测试。
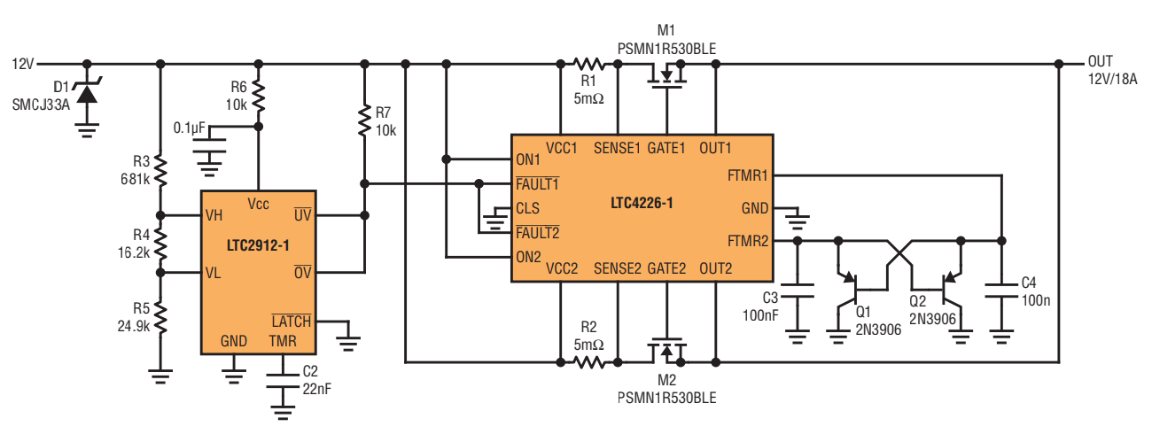
图6中的电路显示了当单个MOSFET可能无法满足应用的SOA要求时,使用两个并联MOSFET的技术。通常,不建议使用并联MOSFET来提高电路的SOA能力。MOSFET 之间的失配,尤其是阈值电压的失配,可能导致一个 MOSFET 热失控并传导所有电流。尽管如此,图6中的电路通过在每个通道中实现独立的电流限制来安全地使用并联MOSFET,从而防止任一MOSFET失控。

图6.LTC4226 热插拔控制器可保护一个 12V 电源,同时提供 18A 稳态电流和瞬态期间高达 34.4A 的电流。
此外,交叉耦合PNP(Q1和Q2)仅允许断路器定时器在两个MOSFET都传导其全电流时激活。如果没有交叉耦合的PNP,如果一个通道的断路器定时器提供更大的负载电流份额,则该定时器可以激活。
结论
随着热插拔应用所需的功率水平不断提高,对MOSFET安全工作区域的担忧也随之增加。通常,设计高功率热插拔电路最具挑战性的方面是确定特定的MOSFET是否能够支持应用。至少,电路设计人员必须能够熟练地解释MOSFET SOA图。随着功率水平的提高并接近现有MOSFET技术的极限,了解瞬态热阻图以及在SPICE电路仿真中仿真这种行为的能力是热插拔电路设计人员库中的宝贵工具。
审核编辑:郭婷
全部0条评论
快来发表一下你的评论吧 !