汽车电源会产生强大的瞬变,很容易破坏暴露的车载电子设备。随着时间的推移,随着电子设备在车辆中的激增,汽车制造商已经适当地注意到了故障,编制了一个负责任的电源瞬变的流氓画廊。制造商独立制定了标准和测试程序,以防止敏感电子产品成为这些事件的牺牲品。然而,最近,汽车制造商与国际标准化组织(ISO)合作开发了ISO 7637-2和ISO 16750-2标准,这些标准描述了可能的瞬变并指定了模拟它们的测试方法。
ISO 7637-2 和 ISO 16750-2 标准
ISO7637 的标题为“道路车辆 - 传导和耦合引起的电气干扰”,是一项电磁兼容性 (EMC) 规范。本文介绍本文档三个部分中的第二个部分,即ISO 7637-2“第2部分:仅沿电源线的电瞬态传导”。
虽然ISO 7637主要是EMC规范,但在2011年之前,它还包括与电源质量相关的瞬变。2011 年,与电源质量而非 EMC 相关的部分被移至 ISO 16750,“道路车辆 - 电气和电子设备的环境条件和测试”,在五个部分中的第二个部分“第 2 部分:电气负载”。
虽然大多数制造商仍然保持自己的规范和要求,而不是逐字采用ISO 7637-2和ISO 16750-2,但有一种趋势是更接近ISO标准,制造商规格遵循国际标准,只有微小的变化。
ISO 7637-2 和 ISO 16750-2 提供了 12V 和 24V 系统的规范。为简单起见,本文仅介绍12V规格,并介绍了一种用于保护连接到汽车12V电源的电子设备的电路。
负载突降
抛负载是电源瞬变中最具挑战性的,因为事件中的能量很大。当交流发电机正在为电池充电并且电池连接丢失时,就会发生这种情况。
不带内部电压钳位的交流发电机
最初,汽车中的交流发电机是松开的,在抛负载期间会产生非常大的电压,对于12V系统约为100V。较新的交流发电机在内部箝位,以在抛负载期间将最大电压限制为较低的值。由于较旧的交流发电机和一些现代交流发电机不包括内部箝位,因此ISO 16750-2中的抛负载规范分为“测试A-无集中抛负载抑制”和“测试B-具有集中式抛负载抑制”。
图1显示了交流发电机的三相定子绕组和将定子的交流输出转换为为电池充电的直流电的6二极管整流器的原理图。当电池连接断开时,产生的电流如图2所示。如果没有电池吸收定子的电流,输出电压会浪涌到未箝位抛负载期间的非常高的电压,如ISO 16750-2规范中的图3所示。这与“测试 A - 无集中式抛负载抑制”中的无钳位交流发电机场景相对应。

图1.标准交流发电机的 3 相定子绕组和 6 二极管整流器产生直流输出电压。

图2.未钳位负载突降:如果在充电过程中电池连接断开,交流发电机的输出电压可能会浪涌至 100V。

图3.未钳位抛负载脉冲形状,如 ISO 16750-2 规范(“测试 A...”)中所述。
带内部电压钳位的交流发电机
较新的交流发电机使用雪崩二极管,这些二极管具有明确规定的反向击穿电压,可限制负载突降期间的最大电压。图4显示了在六个二极管整流器中使用雪崩额定二极管的钳位交流发电机发生抛负载故障期间的电流。当汽车制造商强制要求使用钳位交流发电机时,“测试 B——具有集中抛负载抑制功能”适用。图5显示了ISO 16750-2中测试B的钳位波形。尽管ISO 16750-2为这种钳位情况规定了35V的最大电压,但请注意,许多制造商通过提供自己的最大电压规格而偏离了ISO 16750-2。

图4.箝位抛负载:内部箝位交流发电机具有具有明确规定的反向击穿电压的二极管,可在负载突降期间将输出电压限制为 35V。

图5.钳位交流发电机抛负载脉冲形状。
另外,请注意,当抛负载是ISO 7637-2的一部分时,只指定了一个脉冲,但是当抛负载规范在2011年移至ISO 16750-2时,最低测试要求增加到包括脉冲之间间隔一分钟的多个脉冲。
TVS 保护问题
内阻,R我,在ISO 16750-2中,测试A和测试B中的交流发电机均规定在0.5Ω至4Ω之间。这限制了输送到保护电路的最大能量。
然而,实施ISO 16750-2抛负载瞬变保护的人员经常忽略一个事实:内阻,R我,不与35V钳位电压串联出现。R我实际上出现在雪崩二极管之前,如图6所示。

图6.如果板载电子设备受到TVS二极管的保护,TVS二极管在低于交流发电机钳位电压的电压下击穿,则TVS二极管将被迫吸收交流发电机的所有能量。
如果板载电子设备由击穿电压小于 35V 的 TVS(瞬态电压抑制器)二极管等分流装置本地保护,则 TVS 可能会被迫吸收交流发电机的能量。在这种情况下,交流发电机中的内部钳位几乎没有好处。整个抛负载能量通过车载电子设备输送到 TVS。
有时在电子设备和TVS二极管前面放置一个串联电阻器,但不幸的是,即使在正常工作期间,电阻器中也会引入压降和额外的功耗。
ISO 16750-2 要求
虽然抛负载通常是 ISO 16750-2 中描述的最苛刻的条件,但还有许多其他要求。
反向电池
ISO 16750-2的第4.7节描述了“反向电压”或大多数汽车工程师简称为“反向电池”。如您所料,此规范涵盖了有人将电池连接且极性反转的人为错误场景。显然,除非提供足够的保护,否则这可能导致破坏。
ISO 16750-2要求在所有输入端施加14V反向测试电压60秒,以确保系统正常运行而不会造成任何损坏。如果交流发电机没有串联的保险丝,并且交流发电机的整流二极管通过传导反向连接电池提供的大量电流来限制电压,则ISO 16750-2还允许4V反向电压的替代测试条件。
最小和最大电源电压
最小和最大电源电压在第 4.2 节“直流电源电压”中指定。12V 系统的最大电源电压为 16V,最小电源电压低至 6V。对于无法在低至6V下工作的硬件,ISO 16750-2中分配了其他“代码”,以对器件的最低工作电压进行分类。对于这一要求,设备应连续运行。
电压
ISO 16750-2 第 4.3 节描述了“过压”要求。第一个要求模拟稳压器发生故障的情况。在此测试中,施加 18V 60 分钟。根据应用的不同,在执行测试时,设备可能不需要正常运行,但在消除测试条件后必须恢复正常运行。第二个测试条件模拟施加24V的跨接启动60秒。同样,在测试过程中,设备可能不需要正常运行。
叠加交流电压
第4.4.2节提供了“模拟直流电源上的剩余交流电”的测试条件。1V、2V 或 4V(指定为“严重性级别”)的峰峰值交流电压从 50Hz 多次扫描至 25kHz。电压的上限为16V,串联阻抗在50mΩ至100mΩ之间。
供应下降
ISO 16750-2 的第 4.5 和 4.6 节解决了输入电源骤降的情况,这些条件是由于电池放电、汽车中的另一个设备发生故障并熔断保险丝,或者当启动器导致电源电压下降时。
第4.5节“电源电压的缓慢降低和增加”模拟电池缓慢放电然后充电。电源电压在几分钟内放电至0V,然后缓慢恢复。显然,没有必要连续运行,但此测试验证硬件不会以破坏性方式发生故障,并且在电源恢复时是否正常运行。
相比之下,第4.6节“电源电压的不连续性”是一种更快的条件,它试图模拟另一个电路中的故障,导致电源下降,直到另一个电路的保险丝熔断。在这种情况下,电源降至4.5V持续100ms,然后以超过10ms的上升时间和下降时间恢复。
第4.6节的下一部分规定了一系列5秒的电源骤降,每个脉冲的电压低于前一个脉冲。目的是验证器件在电源骤降后是否正确复位。
第4.6节的第三部分也是最后一部分指定了代表车辆起始曲线的波形。它应用于被测试的设备 10 次。所需的确切电压和持续时间取决于所需的 I、II、III 或 IV 级,具体取决于应用。I级的限制如下图所示。

开路和短路保护
第 4.9 节介绍了“线路中断”测试,并描述了确保设备在断开连接然后恢复后恢复正常运行的过程。第4.10节描述了“短路保护”测试,并要求将每个输入和输出连接到最大电源电压和接地60秒。
带浪涌抑制器的主动保护的优势
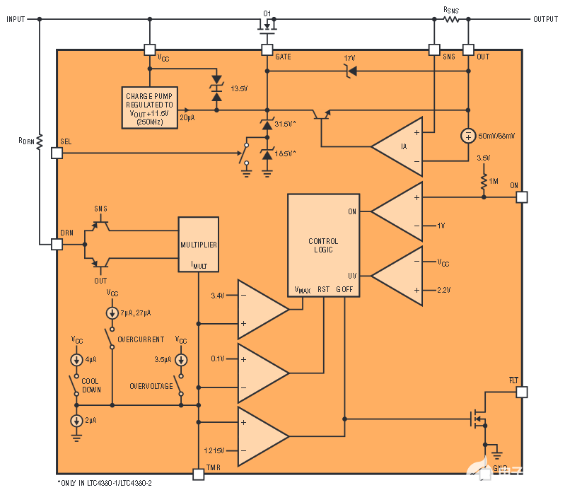
更好的解决方案是使用串联有源保护器件,例如 LTC4380 低静态电流浪涌抑制器。LTC4380框图如图7所示。完整的汽车保护解决方案如图8所示。

图7.LTC4380浪涌抑制器的框图

图8.一个基于 LTC4380 的电路可保护下游电子器件免受 ISO 16750-2 和 ISO 7637-2 瞬变的影响,同时提供高达 4A 的输出电流。
就其本质而言,浪涌抑制器可保护下游电子设备免受负载突降以及ISO 16750-2和ISO 7637-2中的其他条件的影响,而无需依赖交流发电机的内阻。图8所示的浪涌抑制器解决方案在钳位交流发电机下工作时提供不间断电源。此外,如果它受到未夹紧的交流发电机的抛负载,它不会被损坏。在未箝位的情况下,它可能会关闭以保护自身,然后在冷却期后自动重新为负载供电。重要的是要注意,只有在存在多个同时故障的情况下才会关闭电源:安装了不正确的未钳位交流发电机,并且在充电过程中电池连接丢失。
ISO 7637-2 要求
虽然ISO 7637-2的电能质量部分在2011年移至ISO 16750-2,但脉冲1,2a,2b,3a和3b仍包含在ISO 7637-2中。
脉冲 1
脉冲 1 描述了与电源的连接中断时,与感性负载并联的电子设备观察到的负瞬态。脉冲 1 开始时,随着电源电压的移除,电源电压崩溃至 0V。此后不久,施加−150V脉冲,衰减时间为2ms。负脉冲的能量受10Ω串联电阻的限制。

脉冲 2a
脉冲2a描述了当电流中断到与被测电子器件并联的电路时可能发生的正电压尖峰。如果线束中积聚电流,当设备突然停止吸收电流时,线束电感中存储的能量可能会导致电压尖峰。该正尖峰的能量受2Ω串联电阻的限制。

脉冲 2b
脉冲 2b 定义了当点火开关关闭且直流电机充当发电机时发生的情况。例如,如果加热器在驾驶员关闭汽车时正在运行,则鼓风机电机可以在系统旋转时短时间内为系统提供直流电源。

脉冲 3a 和 3b
脉冲 3a 和 3b 是开关过程(包括开关和继电器上的电弧)可能产生的负尖峰和正尖峰。对于此规格,能量受50Ω串联电阻的限制。

脉冲3a数字。

脉冲 3b 数字。
电涌抑制器保护解决方案的操作
图8中的设计可保护下游电子设备免受ISO 16750-2和ISO 7637-2瞬变的影响,同时提供高达4A的输出电流。同时,它可以保护上游系统免受下游电子设备短路故障等情况引起的过流事件的影响。这样做时,它消耗了吝啬的35μA静态电流,这是现代汽车的一个重要考虑因素,在车辆不运行时具有无数的电池耗尽负载。
该保护解决方案基于 LTC4380 低电源电流浪涌抑制器,将输出电压限制在 22.7V,而输入电压高达 100V — 足以针对 ISO-16750-2 负载突降以及 ISO 7637-2 脉冲 1、2a、2b、3a 和 3b。它还可以防止反向电池条件下的电流流动,并在 ISO 16750-2 叠加交流电压测试期间提供连续电源,其严重程度为 1,其中峰峰值交流电压为 1V。 (在交流电压较大的情况下,它可能会暂时关闭电源。当输入电压降至4V时,为负载提供连续电源,以满足ISO 16750-2的最低电源电压要求。
该电路中的MOSFET通过限制在高功率耗散条件下花费的时间来保护,例如当负载突降期间输入电压浪涌高电平时或输出短路至地时。如果故障超过ISO 16750-2和ISO 7637-2中规定的条件,MOSFET M2将关闭以保护电路,并在适当的延迟后重新施加电源。
例如,持续的100V输入电压或下游短路故障会导致浪涌抑制器通过限制M2中的电流进行自我保护,然后在故障持续存在时完全关闭。与并联式保护相比,这种方法具有明显的优势,分流式保护必须耗散连续功率——在最佳情况下熔断保险丝;在最坏的情况下点燃火灾。
抛负载和过压保护
为了了解图8所示电路的工作原理,请考虑LTC4380的简化描述。在正常工作期间,LTC4380 的内部充电泵驱动 GATE 引脚以增强 M2。GATE 上的电压被箝位至高于地电位的最大 35V(当 SEL = 0V 时),从而将 M2 源极的输出电压限制在 35V 以下。
图8中的电路进一步改善了该电压限值,增加了一个22V雪崩二极管D3,结合R6、R7、R8和2,将输出电压调节到雪崩二极管电压22V的最大值,加上Q2的基极-发射极电压,大约0.7V。当输出电压超过22V + 0.7V = 22.7V时,Q2弱地下拉M2的栅极,以调节M2的源极和输出电压为22.7V。
反向保护
MOSFET M1 与 D1、D2、R1、R3、R4 和 Q1 结合使用,可保护电路免受反向电压条件的影响。当输入降至地电位以下时,Q1将M1的栅极拉低至负输入电压,使MOSFET保持关断。当电池向后连接时,这可以防止反向电流流动,并保护输出免受负输入电压的影响。
D2 和 R3 允许 LTC4380 的内部充电泵在输入为正时在正常工作期间增强 M1,从而使 M1 有效地成为一个简单的直通器件,耗散小于 I2R = (4A)2• 恩智浦PSMN4R8-100BSE中的4.1mΩ = 66mW功率。
SOA 限制
当输入电压较高时,通过控制MOSFET M2,将该电路的输出电压限制在安全水平。这会导致显著的功耗,因为M2两端的电压下降,而电流被输送到输出端的负载。
如果输入受到持续过压条件的影响,或者电路输出端的板载电子设备发生过流故障情况,则M2在由R13、R14、R15、C4、C5、C6和C14组成的定时器网络配置的持续时间后关闭,从而保护M2。当 M2 处于电流限制状态时,LTC4380 的 TMR 引脚上的输出电流与 MOSFET M2 两端的电压成正比。
实际上,TMR 电流与 MOSFET M2 中的功耗成正比。TMR 引脚上的电阻/电容网络类似于 MOSFET 瞬态热阻的电气模型。这有助于限制MOSFET的最大温升,使其保持在额定安全工作区域内。
由于允许的MOSFET SOA电流在高漏源电压下会下降,因此当输入到输出电压超过20V加上Q3的基极-发射极电压时,20V雪崩二极管D6与R9、R11和Q3一起向定时器网络提供额外的电流。4.7V 雪崩二极管 D7 与 Q4、R12 和 C3 配合使用,以防止这些额外的电流将 TMR 引脚拉到其最大额定电压 5V 以上。
该SOA跟踪电路允许输出在输入上升到高电压时保持安全供电。但是,如果持续的高功率故障条件持续太久,电路会通过关闭M2进行自我保护。
热保护
LTC4380 的 TMR 引脚上的电阻器 / 电容器网络可针对快于约 1 秒的事件提供保护。对于较慢的事件,M2 的外壳温度受连接到 LTC4380 的 ON 引脚的电路的限制。
热敏电阻,R个人通讯,是小型表面贴装0402尺寸元件,在115°C时电阻为4.7K。 在115°C以上,其电阻随温度呈指数上升。为防止定时器网络错误地在功率倍增器中积分失调,LTC4380 在 M2 的漏源电压达到 0.7V 之前不会在 TMR 引脚上产生定时器电流。在 4A 和 0.7V 电压下,MOSFET 可以连续耗散 0.7V • 4A = 2.8W,而 TMR 网络无需检测 MOSFET 的温升。PTC 电阻器,R个人通讯,如果 MOSFET M2 的外壳温度超过 115°C,则与电阻 R17–R21 和晶体管 Q5A、Q5B、Q6A、Q7A 和 Q7B 配合使用,关闭电路。
不要对热保护电路中的元件数量感到沮丧。整体解决方案相对容易实现,由占用电路板面积小的小组件组成。它是一个自偏置电路,当R个人通讯等于R20的4.75kΩ值。当温度为R个人通讯,它靠近 M2,超过 115°C,其电阻增大并导致流过 Q5B 的电流比 Q5A 多。由于这会导致通过 R17 的电流多于 R18,因此 Q8A 的基极电压上升,Q8A 的集电极将 LTC4380 的 ON 引脚拉低至低电平,从而关断 M2。在较低温度下,Q5A 的电流大于 Q5B,而 Q8A 保持关断状态,允许 ON 引脚的内部上拉以保持 ON 引脚高电平。注意,ON引脚电流用作该自偏置电路通过二极管连接器件Q8B的启动电流。
结论
ISO 16750-2 和 ISO 7637-2 规范描述了汽车系统中可能发生的挑战性电气瞬变。LTC®4380 低静态电流浪涌抑制器可用于保护板载电子器件免受这些瞬变的影响,包括箝位和未箝位的负载突降脉冲。本文介绍的电路在面对来自现代钳位交流发电机的抛负载脉冲时提供不间断运行。当面对更极端的未钳位抛负载脉冲时,它会关断以保护下游电子设备。其结果是符合 ISO 16750-2 和 ISO 7637-2 标准的稳健解决方案,适用于消耗高达 4 A 电源电流的电子设备。
审核编辑:郭婷
全部0条评论
快来发表一下你的评论吧 !