设计具有同步整流功能的隔离式DC-DC转换器的传统方法是使用光耦合器或脉冲变压器进行隔离,并将它们与栅极驱动器IC配接在一起。本文将说明光耦合器和脉冲变压器的局限性,并介绍一种集成度更高的方法,该方法具有更高的性能以及更小的解决方案尺寸和成本。
脉冲变压器
使用脉冲变压器耦合低电平信号、隔离它们并驱动电源开关具有优势,但也有一些局限性。脉冲变压器在栅极驱动应用中的一个优点是,脉冲变压器可用于从3 V或5 V逻辑电平升压至驱动MOSFET栅极所需的15 V或更高电平电压。遗憾的是,为了驱动大电流同步整流电路,可能需要一个单独的高电流栅极驱动器IC。脉冲变压器在栅极驱动器应用中需要考虑的另一点和主要缺点是,它们不能很好地处理占空比超过50%的信号。这是因为变压器只能提供交流信号,因为必须每半个周期重置一次磁芯磁通,以保持伏秒平衡。
脉冲变压器的另一个缺点是效率损失。当使用脉冲变压器驱动MOSFET的栅极时,变压器必须以正电平驱动,然后以负电平驱动,以保持伏秒平衡。用于驱动负电平的能量不用于驱动MOSFET的栅极;栅极仅按正电压电平充电。对于变压器由正直流电压驱动的典型应用,隔直电容器连接到变压器输入,变压器由施加电压的1/2的正电压驱动。这意味着负电压也是施加电压的1/2,因此脉冲变压器的效率降低到50%。如果在变压器输出端增加一个栅极驱动器,变压器和栅极驱动器的总效率将不再为50%,但仅脉冲变压器就至少会有50%的效率损失。
这里已经表明,栅极驱动器应用中的脉冲变压器具有占空比限制、效率差和解决方案尺寸较大的缺点,这使得它不适合高功率、高密度同步整流应用。
光耦合器
与脉冲变压器相比,使用光耦合器作为同步整流的栅极驱动器具有一些优势,但使用光耦合器也有其自身的挑战。光耦合器不需要像脉冲变压器那样保持伏秒平衡,因此它对占空比的限制与脉冲变压器不同。但是,由于初级侧发光二极管(LED)的电容(典型值为60 pF),光耦合器的响应速度受到限制,并且驱动二极管的速度高达1 MHz会受到其传播延迟(最大值为100 ns)和缓慢上升和下降时间(最大值为30 ns)的限制。
在同步整流器应用中使用光耦合器的一个主要问题是通道之间时序的变化量。光耦合器采用塑料封装作为分立器件构建,通道间的变化无法像集成半导体工艺那样控制,因此通道间匹配可能很大(最大40 ns)。在同步整流电路中,需要严格控制通道之间的时序,以帮助减少一个通道关断和另一个通道导通之间的死区时间,否则效率将随着开关损耗的增加而受到影响。
由于电流传输比(CTR)的性质,使用光耦合器进行设计可能具有挑战性,CTR定义了输出晶体管上看到的电流量与驱动LED所需电流量的比值。CTR受温度和老化的影响,因此设计人员需要估计CTR在光耦合器的使用寿命和温度范围内的变化。为了在工作条件下保持CTR,驱动LED所需的电流可能超过10 mA,这对于高效设计来说功耗可能过高。
此外,需要电阻来偏置LED和光电晶体管,并且需要栅极驱动器IC来提供光耦合器无法为高功率同步整流器电源提供的高峰值电流。对于紧凑的先进电源,光耦合器解决方案的尺寸将变得大得令人望而却步。
ADUM3220 4 A栅极驱动器
ADuM3220设计用作隔离系统中的4A栅极驱动器,用于同步DC-DC转换。传统解决方案使用两个隔离器和一个双栅极驱动器。如图1所示,双栅极驱动器IC可以与两个脉冲变压器或两个光耦合器通道配合使用,以提供相当大的解决方案尺寸。鉴于电源应用需要在小面积内提供大量电源,如图1所示,ADuM3220是一款体积小50%以上的解决方案,是一种集成度更高、成本更低的解决方案。

图1.脉冲变压器、光耦合器和ADuM3220栅极驱动器解决方案
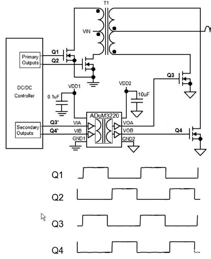
同步整流使用 N 沟道 MOSFET 代替二极管来降低传导损耗并提高要提供许多安培电流的电源的效率。实现同步DC-DC转换器架构需要将次级MOSFET开关与初级MOSFET开关的开关同步。图2显示了ADuM3220应用电路,用于具有未调节输出电压的隔离式同步DC-DC转换器。

图2.ADuM3220应用原理图和时序波形
DC-DC控制器将PWM驱动信号发送到主交换机和次交换机。初级开关Q1和Q2在推挽动作中导通,在进行定时之前断开以驱动变压器T1的两个初级线圈,如图2的定时波形所示。T1的次级线圈需要与初级线圈同步切换,方法是在打开Q1时打开Q3,在打开Q2时打开Q4。请注意,如果显示Q3'和Q4'PWM波形,它们将按ADuM3220的已知传播延迟及时提前,以便Q3和Q4按预期及时出现。ADuM3220的典型传播延迟仅为45 ns,其中包括数字隔离器延迟和栅极驱动器延迟。通过将栅极驱动器与隔离器集成,传播延迟的规格更加精确,这是与分立脉冲变压器和光耦合器解决方案相比的优势。
当PWM开关以高频率执行时,PWM控制信号需要非常严格的控制。例如,当PWM频率为ADuM3220最大开关频率1 MHz且占空比为50%时,脉冲宽度为500 ns。在如此小的脉冲宽度下,ADuM3220通道之间的匹配需要非常好,才能实现精确的开关。ADuM3220的典型通道间匹配为1 ns,在整个温度范围内最大匹配为5 ns。ADuM3220通道之间的这种精确匹配有助于防止交叉传导,保护MOSFET免受损坏,并允许最短的死区时间,从而降低开关损耗并提高效率。
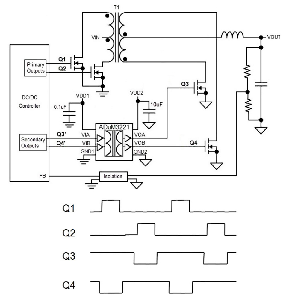
接下来,我们将考虑使用隔离反馈来严格控制输出电压的应用,占空比不会固定为50%,而是会随着控制输出电压而变化。在这些应用中,在初级开关都关闭期间,可能需要允许Q3和Q4开关同时导通,以防止Q3和Q4的体二极管导通,这会降低效率。图3所示ADuM3221的应用电路是一个4 A栅极驱动器,与ADuM3220类似,但没有非重叠控制逻辑,允许Q3和Q4同时导通。与ADuM3220不同,ADuM3221栅极驱动器的时序图具有图3所示的稳压输出,允许开关Q3和Q4在Q1和Q2均关断时导通。

图3.ADuM3221 具有稳压输出和定时波形的应用原理图
总之,对于隔离式同步DC-DC应用,ADuM3220/ADuM3221已被证明可将解决方案尺寸减小50%以上,通过集成降低设计复杂性,并且比脉冲变压器和光耦合器解决方案提供更高的时序性能。
审核编辑:郭婷
全部0条评论
快来发表一下你的评论吧 !