电子说
倾佳电子碳化硅MOSFET逆变器应用中体二极管特性的临界性分析:性能、可靠性及规格书解读
倾佳电子(Changer Tech)是一家专注于功率半导体和新能源汽车连接器的分销商。主要服务于中国工业电源、电力电子设备和新能源汽车产业链。倾佳电子聚焦于新能源、交通电动化和数字化转型三大方向,并提供包括IGBT、SiC MOSFET、GaN等功率半导体器件以及新能源汽车连接器。
倾佳电子杨茜致力于推动国产SiC碳化硅模块在电力电子应用中全面取代进口IGBT模块,助力电力电子行业自主可控和产业升级!
倾佳电子杨茜咬住SiC碳化硅MOSFET功率器件三个必然,勇立功率半导体器件变革潮头:
倾佳电子杨茜咬住SiC碳化硅MOSFET模块全面取代IGBT模块和IPM模块的必然趋势!
倾佳电子杨茜咬住SiC碳化硅MOSFET单管全面取代IGBT单管和大于650V的高压硅MOSFET的必然趋势!
倾佳电子杨茜咬住650V SiC碳化硅MOSFET单管全面取代SJ超结MOSFET和高压GaN 器件的必然趋势!

I. 续流的必然性:为何体二极管在逆变器中不可避免
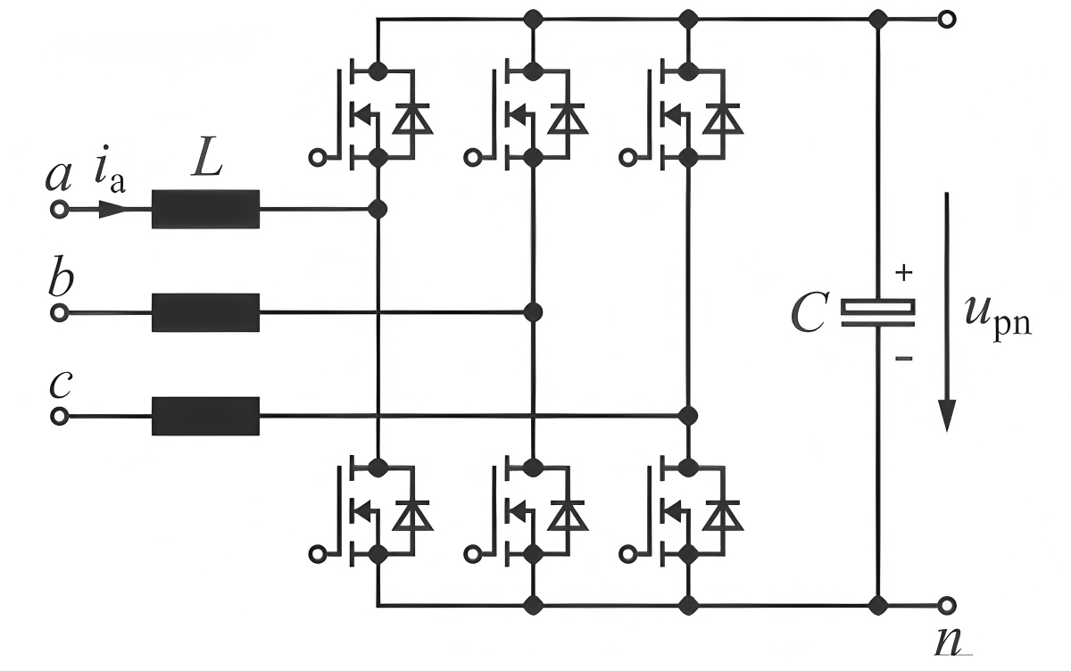
A. 逆变器应用背景:半桥拓扑与感性负载

功率逆变器,作为电机驱动、太阳能并网或不间断电源(UPS)的核心,其拓扑结构绝大多数基于硬开关的半桥或全桥配置 。以典型的三相逆变器为例,其由三个半桥桥臂构成,每个桥臂包含一个上桥臂开关和一个下桥臂开关。这些逆变器的负载(例如,电机绕组或并网电感)在宏观上呈现出强感性 。根据电感的基本物理特性,流经电感的电流不能发生瞬时突变。这一特性决定了在开关管关断的瞬间,必须有一个“续流”路径来维持电流的连续性。碳化硅(SiC)MOSFET的体二极管(Body Diode)作为器件结构的固有部分,在这一拓扑中扮演了续流二极管(Freewheeling Diode, FWD)的角色,其功能是基础性的,而非可选项 。
B. 死区时间的必要性与体二极管的强迫导通

在半桥桥臂中,上桥臂(High-Side)和下桥臂(Low-Side)的开关管绝对禁止同时导通。一旦同时导通,将导致直流母线(DC Bus)通过两个开关管形成低阻抗通路,引发“直通”(Shoot-through)故障,这通常是灾难性的,会瞬时摧毁功率器件。
为了从根本上防止直通,PWM(脉宽调制)控制逻辑中必须插入一个“死区时间”(Dead Time) 。在死区时间内,控制信号强制要求上桥臂和下桥臂的MOSFET均处于关断状态。然而,此时感性负载的电流并不会中断。该电流会“强迫”寻找一个路径进行续流。例如,当负载电流从桥臂中点向外流出时,若上桥臂关断,电流将强迫下桥臂的体二极管导通;反之,若下桥臂关断,电流将强迫上桥臂的体二极管导通 。这个在死区时间内由体二极管承载续流的阶段,被称为“强迫续流期” 。
C. 第三象限运行:续流路径的分岔
MOSFET中这种从源极(Source)到漏极(Drain)的被迫反向导电,在技术上被称为第三象限运行($V_{DS}$为负, $I_D$为负) 。在死区时间内,续流电流实际上有两条并联的路径可以选择:
MOSFET沟道: 如果栅源电压($V_{GS}$)被施加正压(例如$V_{GS}=18V$),则MOSFET沟道导通,电流将主要流经低阻的沟道。这种方式被称为“同步整流”(Synchronous Rectification) 。
体二极管: 如果栅源电压($V_{GS}$)被施加为0V或负压(例如B3M010C075Z规格书推荐的-5V) ,沟道处于关断状态。此时,反向电流将抬高源极电位,当源-漏压差($V_{SD}$)超过体二极管的开启电压时,体二极管将被动正偏导通 。
即便是设计了同步整流的系统,在死区时间的开始和结束瞬间,由于控制时序的延迟,体二极管的短暂导通几乎总是不可避免的 。
因此,对体二极管“交流通流能力”的研究,其本质上是对这种在每个PWM开关周期中都被迫、重复发生的续流(Freewheeling)能力的探究 。研究这一点的根本原因在于,SiC MOSFET的体二极管在导通时会带来严重的性能代价(效率问题)和长期的可靠性隐患(寿命问题)。
II. SiC PiN体二极管的性能代价(效率问题)
与硅(Si)MOSFET不同,SiC MOSFET的固有体二极管是一个PiN(p-i-n)结二极管 。由于SiC材料的宽禁带隙特性,这个PiN二极管的特性与Si二极管截然不同,并直接导致了显著的功率损耗。
A. 静态损耗:高正向压降($V_{SD}$)的解构
SiC的宽禁带(~$3.2~eV$)特性使得PiN结的开启需要更高的能量。其直接后果是,SiC MOSFET的体二极管具有非常高的正向压降($V_{SD}$) 。
B3M040065Z规格书数据分析: 3中第5页的“反向二极管特性”(Reverse Diode Characteristics)表(参见3)为此提供了关键证据:
在 $T_{J}=25^{circ}C$,$I_{SD}=10A$ 时,典型的 $V_{SD}$ 值为 4.0 V。
在 $T_{J}=175^{circ}C$,$I_{SD}=10A$ 时,典型的 $V_{SD}$ 值为 3.4 V。
这个数值是传统Si MOSFET体二极管(通常为0.8 V至1.0 V)的4到5倍 13。这意味着,在相同的10A续流电流下,B3M040065Z的体二极管在25°C时将产生 $4.0V times 10A = 40W$ 的瞬时导通损耗,而Si MOSFET仅产生约 $1.0V times 10A = 10W$ 的损耗。在逆变器的高频开关(例如100kHz)应用中 ,虽然死区时间可能只有几十纳秒,但这种高损耗的重复累积会产生巨大的热量,严重制约逆变器的整机效率和功率密度。




$V_{SD}$的负温度系数及其热学意义
从B3M040065Z的数据(4.0V @ 25°C 降至 3.4V @ 175°C) 3中可以发现一个关键的非显性特征:SiC体二极管的 $V_{SD}$ 具有负温度系数。随着结温升高, $V_{SD}$ 反而下降,从而导致二极管的静态导通损耗($P_{loss} = V_{SD} times I_{SD}$)随温度升高而降低。
这一特性与MOSFET沟道(第一象限)的行为形成了鲜明对比。根据Figure 5和Figure 6,SiC MOSFET的导通电阻 $R_{DS(on)}$ 具有正温度系数(随温度升高而增加) 。这意味着,在第三象限续流时,器件内部存在两条并联路径(沟道和二极管),它们的热特性是完全相反的。
这种反向的热特性极大地复杂化了热设计和死区时间管理。在高温工作时,通过沟道进行同步整流的效率会降低(因 $R_{DS(on)}$ 增加),而通过体二极管续流的效率会提高(因 $V_{SD}$ 降低)。这也意味着,单独看 $V_{SD}$,二极管的静态导通损耗具有负反馈特性,不易发生热失控。然而,这种“好处”被动态损耗的特性完全抵消了。
B. 动态损耗:反向恢复($Q_{rr}$)机制
“交流通流能力”的研究同样关注动态性能。当死区时间结束,桥臂的另一开关管(例如上管)导通时,正在续流的下管体二极管必须迅速从正向导通转变为反向截止。
由于体二极管是PiN结,其导通时内部充满了少数载流子(存储电荷)。要使其关断,必须首先将这些存储电荷($Q_{rr}$)抽走 。虽然SiC的 $Q_{rr}$ 远小于同规格的Si器件(这是其主要优势之一) ,但它绝非为零。
B3M040065Z规格书数据分析: 中的数据显示:
在 $T_{J}=25^{circ}C$,$I_{SD}=20A$ 时,典型的 $Q_{rr}$ 值为 100 nC。
在 $T_{J}=175^{circ}C$,$I_{SD}=20A$ 时,典型的 $Q_{rr}$ 值为 210 nC。
这个 $Q_{rr}$ 必须由正在开通的互补MOSFET提供。这个抽取电荷的过程表现为一个巨大的反向恢复电流尖峰($I_{rm}$),在25°C时为15A,在175°C时高达26A 。
这个反向恢复事件对逆变器造成了双重打击:
增加开通损耗($E_{on}$): 正在开通的MOSFET不仅要提供负载电流,还必须额外提供这个 $I_{rm}$ 尖峰电流。这部分能量损耗($E_{rec}$)完全叠加在开通损耗($E_{on}$)上 17。B3M040065Z规格书在第4页的开关特性表中明确注明:“Eon includes diode reverse recovery”($E_{on}$包含二极管反向恢复损耗) 。
EMI与电压尖峰: 这个 $I_{rm}$ 尖峰具有极高 $di/dt$。当这个快速变化的电流流过电路的寄生电感(PCB走线、封装引脚)时 5,会产生巨大的电压尖峰($V = L times di/dt$)。这种现象被称为“硬恢复”或“Snappy Recovery” ,它不仅是主要的电磁干扰(EMI)源,还可能导致 $V_{DS}$ 电压过冲,威胁器件的生存。
$Q_{rr}$的正温度系数:主导损耗的驱动因素
B3M040065Z的数据 3揭示了一个比高 $V_{SD}$ 更为严峻的问题:当结温从25°C上升到175°C时, $Q_{rr}$ 增加了一倍多(100 nC -> 210 nC), $I_{rm}$ 也几乎翻倍(15A -> 26A)。
这对高温运行的逆变器而言是一个“双重打击”:
工程师可能认为SiC的低 $Q_{rr}$ 是一个可以忽略的问题。
但数据证明 $Q_{rr}$ 不仅显著,而且具有强正温度依赖性。
这意味着,随着逆变器在重载下发热,其动态开关损耗($E_{on}$)将显著增加。
这形成了一个危险的正反馈热循环:更高的 $Q_{rr}$ 导致更高的 $E_{on}$ -> 产生更多热量 -> 导致更高的结温($T_j$) -> 导致进一步增高的 $Q_{rr}$。
这个循环使得逆变器在高温下的热稳定性变得极难控制。因此,研究体二极管在不同温度下的“交流通流能力”(即重复的 $Q_{rr}$ 事件)对于预测热稳定性和实际效率至关重要。
IV. 解读规格书极限:B3M040065Z Figure 26的意义
在理解了体二极管的性能和可靠性挑战后,我们来分析用户提出的第二个具体问题:B3M040065Z规格书第12页中Figure 26的意义。

A. 图表解构:“脉冲二极管电流 vs. 脉冲宽度” (Figure 26)
坐标轴: 该图(参见3第12页)的Y轴是 $I_{SD}(A)$(脉冲二极管电流),X轴是 $t_p(s)$(脉冲宽度)。两个坐标轴都是对数(log-log)尺度。
限制条件: 图上明确标注了该曲线的定义:“Pulsed diode current limited by $T_{jmax}$”(脉冲二极管电流受限于最大结温$T_{jmax}$) 。
物理含义: 这是一条热极限曲线,本质上是体二极管的安全工作区(SOA)图。它展示了,在给定脉冲宽度($t_p$)下,体二极管能承受的单次、非重复脉冲电流的最大幅值,这个脉冲将使器件结温($T_j$)从一个初始温度(例如 $T_c=25^{circ}C$)瞬时上升到其允许的最高结温($T_{jmax} = 175^{circ}C$)。这条曲线是基于器件的瞬态热阻抗($Z_{thjc}$,见Figure 24)计算得出的。
B. 应用意义:这是“鲁棒性”曲线,而非“工作”曲线
Figure 26这张图不是用来设计逆变器标称工况下(即“交流通流”)的续流电流的。
例如,一个高频逆变器的死区时间通常在50-100 ns范围内。在Figure 26上查找100 ns($10^{-7}s$)的点,对应的电流耐受能力远超300A。而逆变器的标称续流电流通常在几十安培(该器件的 $I_{D}$ 额定值为67A, $I_{SD}$ 连续额定值为44A) 3。Figure 26清楚地表明,标称工况下的续流(几十安培,几十纳秒)远在热极限之内。
Figure 26的真正意义: 它定义了体二极管的浪涌电流能力或故障耐受能力 。它回答了工程师在设计保护电路时必须面对的关键问题:“在异常故障发生时,器件能撑多久?”
逆变器中的典型故障场景:
负载短路: 逆变器输出端(例如电机U/V/W相)发生相间或对地短路。在保险丝熔断或保护电路(如过流检测)动作之前(这需要几微秒到几毫秒),一个巨大的短路电流将流过体二极管。
电机堵转: 电机被机械卡死,导致电流急剧上升并维持在数倍额定电流,持续时间可能长达毫秒级。
浪涌冲击: 系统上电或雷击等瞬态事件。
Figure 26为这些场景提供了定量依据。例如,从该图可读出,B3M040065Z的体二极管可以承受一次200A的浪涌电流,持续1ms($10^{-3}s$);或者一次**100A的浪涌,持续约8ms($8 times 10^{-3}s$)**而不被热摧毁。设计工程师必须依据此数据来设定过流保护的阈值和延迟时间,确保保护电路的动作时间(例如3ms)快于器件的热极限(例如在200A下只能撑1ms)。
解读Figure 26与“最大额定值”表的关联

在3第5页的“最大额定值”表(参见3)中,列出了 $I_{SD,pulse}$(脉冲二极管正向电流)的额定值为 85A。这与Figure 26上动辄一两百安的数值似乎存在矛盾。
这恰恰是解读规格书的要点:
“最大额定值”表中的 $I_{SD,pulse} = 85A$ 是一个单一、保证的指标。其测试条件是“pulse width $t_{p}$ limited by $T_{jmax}$” ,这通常对应一个标准化的长脉冲,例如10ms。
检查Figure 26,当我们在X轴上找到10ms($10^{-2}s$)时,对应的Y轴电流值恰好在80-90A的区间内。
这完美地解决了这个“矛盾”。$I_{SD,pulse}$ 额定值(85A)仅仅是Figure 26热极限曲线在10ms脉宽处的一个点。
意义: Figure 26提供了远比85A这个单独数字更丰富、更有价值的信息。它揭示了器件在全脉宽范围内的完整热特性。它授权工程师去评估短脉冲(微秒级)下的浪涌事件 26,并证明了器件在这些短脉冲下的耐受能力(例如>300A)远强于其标称的85A脉冲额定值。
V. 综合:体二极管评估的完整框架
本报告的分析表明,用户对SiC MOSFET体二极管的疑问,触及了器件表征的三个不同但紧密相关的层面。在逆变器应用中,必须对这三个层面进行全面评估:
1. 性能 (效率): 这是标称运行的代价。它由用户所说的“交流通流能力”(即重复的续流)与以下参数相互作用所决定:
静态损耗: 由高 $V_{SD}$ 及其负温度系数定义 。
动态损耗: 由 $Q_{rr}$ 及其强正温度系数定义 。
2. 鲁棒性 (故障生存): 这是瞬时失效的风险。它由非重复的浪涌电流能力所定义,并由以下图表进行量化:
Figure 26:脉冲二极管SOA (热极限) 。
深圳市倾佳电子有限公司(简称“倾佳电子”)是聚焦新能源与电力电子变革的核心推动者:
倾佳电子成立于2018年,总部位于深圳福田区,定位于功率半导体与新能源汽车连接器的专业分销商,业务聚焦三大方向:
新能源:覆盖光伏、储能、充电基础设施;
交通电动化:服务新能源汽车三电系统(电控、电池、电机)及高压平台升级;
数字化转型:支持AI算力电源、数据中心等新型电力电子应用。
公司以“推动国产SiC替代进口、加速能源低碳转型”为使命,响应国家“双碳”政策(碳达峰、碳中和),致力于降低电力电子系统能耗。
需求SiC碳化硅MOSFET单管及功率模块,配套驱动板及驱动IC,请添加倾佳电子杨茜微芯(壹叁贰 陆陆陆陆 叁叁壹叁)





最终结论:连接用户的两个核心问题
用户的两个问题完美地串联起来,构成了对一个功率器件进行应用评估的完整工程逻辑:
“为什么研究体二极管的交流通流能力?”
答案: 因为这种高频、重复的标称工况,决定了逆变器的性能(效率)(由$V_{SD}$ 和 $Q_{rr}$ 导致的损耗)和可靠性(寿命)。
“Figure 26曲线的意义是什么?”
答案: 这张图定义了同一二极管的鲁棒性(安全)。它量化了器件在非重复的、故障工况下的热极限(浪涌生存能力),这是设计保护电路的依据。
综上所述,工程师研究“交流通流能力”是为了确保设计出的逆变器能够在其10年或20年的寿命期内高效(低性能代价)且可靠(无寿命隐患)地运行。在此基础上,工程师还必须使用Figure 26的数据来确保,同一设计能够安全地承受(鲁棒)在现实世界中不可避免的短路和过流故障。
审核编辑 黄宇
全部0条评论
快来发表一下你的评论吧 !