PART 01 概 述
HJISO124系列隔离放大器采用航晶微专利技术,基于成熟的厚膜工艺平台和模块集成工艺进行研发。该放大器运用了拥有独立知识产权的MOD调制、DEMOD解调技术、差动电容隔离技术以及模拟PID控制,确保了隔离信号的完整性。在使用时,只需配置高CMTI的DC/DC模块,即可实现安全可靠的工作。

特点如下:
PIN-to-PIN兼容ISO124(HJISO124/HJISO124B兼容直插封装,HJISO124C兼容表贴封装);
除HJISO124C外,高输出侧均无需进行电源旁路处理;
具备强大的CMTI共模瞬变抑制能力;
全系列产品均为全国产化产品;
除HJISO124/HJISO124A,其他带宽高达50KHz。

PART 02 电原理图

PART 03 封装形式及引出端功能
1. 封装形式及封装尺寸图
HJISO124采用HD16-08陶瓷双列直插封装(选型HJISO124S);
HJISO124A采用HD14-02D型陶瓷双列表贴封装(选型HJISO124ADW)和HD14-02C型陶瓷表贴无引线封装(选型HJISO124ASE);
HJISO124B采用DZS2212-1双列直插封装(选型HJISO124B);
HJISO124C采用DZS2008双列表贴封装(选型HJISO124C);
HJISO124D采用DZS2212-2双列直插封装(选型HJISO124D);
HJISO124E采用DZS2213-1双列表贴封装(选型HJISO124E);
HJISO124F采用DZS2213-2双列直插封装(选型HJISO124F)。

2.引出端功能

PART 04 绝对最大额定值

PART 05 电特性
电特性 (除非另有说明,RL=10KΩ)

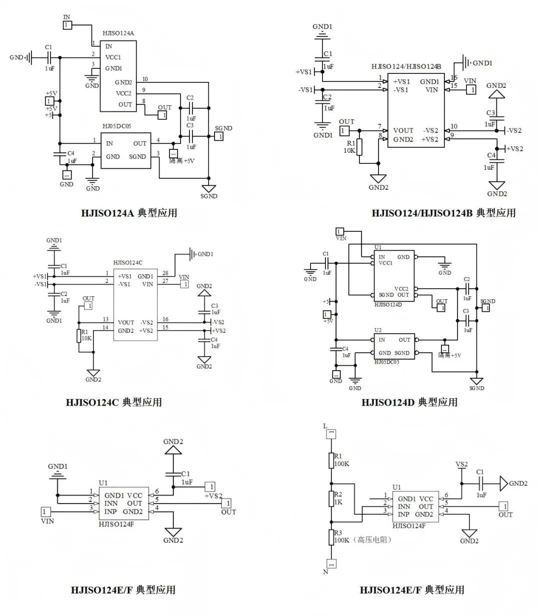
PART 06 典型应用

PART 07 注意事项
1) 除HJISO124C外,器件内部已配备电源旁路。若器件布局空间受限,外部可不添加电源旁路;
2) 与标准DIP-16封装相比,HJISO124和HJISO124B虽引脚间距为标准的7.62mm,但壳体宽度较大,使用时需注意两侧元件的布局;
3) 若需调整输出噪声,可考虑在输出端对地并联电容,但需注意电容增大会导致输出带宽减小,应折中考虑。
END

全部0条评论
快来发表一下你的评论吧 !