仪表放大器最显著的优势之一在于其极高的共模抑制比(Common-Mode Rejection Ratio,CMRR),这一指标直接决定了系统在强共模干扰环境下对微弱差模信号的提取能力。因此,在仪表放大器选型与电路设计阶段,有必要通过仿真手段对其 CMRR 特性进行定量分析与验证。下面以 AD8422 仪表放大器为例,介绍其共模抑制比的仿真分析方法。

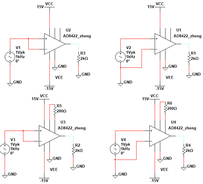
图 2-29 所示为 AD8422 的 CMRR 仿真原理图。左上角电路用于仿真在放大倍数为 1 条件下的共模放大倍数,即对两个输入端同时施加幅值与相位相同的共模信号,测量输出端的响应;右上角电路用于仿真同样放大倍数为 1 时的差模放大倍数,即对两个输入端施加等幅反相的差模信号。通过上述两组仿真结果,并结合《运放密集》视频课程中对共模抑制比定义及计算公式的介绍,即可得到 AD8422 在放大倍数为 1 时的 CMRR 随频率变化曲线。
采用相同的仿真思路,图 2-29 左下角与右下角分别给出了放大倍数为 100 时的共模放大倍数与差模放大倍数仿真电路。通过对这两种工况下输出幅值的频域分析,可进一步计算并得到 AD8422 在高增益条件下的 CMRR 与频率关系曲线,从而评估其在不同增益设置下的共模抑制能力。

图2-29 AD8422的CMRR仿真原理图
图 2-30 给出了对应的仿真结果。可以看到,右图仿真所得的 CMRR 曲线与 左图AD8422 数据手册中给出的典型特性曲线高度一致,验证了仿真模型与分析方法的正确性。例如,在 10 kHz 频率处,当放大倍数为 1 时,CMRR 约为 81 dB;当放大倍数提高至 100 时,CMRR 提升至约 100 dB,该结果与手册参数基本一致。

图2-30 AD8422的CMRR仿真结果
需要特别指出的是,仪表放大器的共模抑制比通常随放大倍数的增加而提高,这一特性为高抗干扰模拟前端的设计提供了重要参考方向。在实际电路设计与系统优化过程中,应充分结合器件手册中的性能曲线与应用建议,通过合理选择放大倍数及外围参数配置,最大限度地发挥仪表放大器的共模抑制性能,从而提升整体系统的信号质量与稳定性。

全部0条评论
快来发表一下你的评论吧 !