理想二极管是什么二极管?深度解析内部实现逻辑
图文学习PWM,怎么输出直流信号?
看图说话,单频正弦信号与方波信号傅里叶变换是什么样子
代码实战!什么是傅里叶变换?有什么用?Matlab实现FFT
什么是模拟信号?什么是采样?什么是离散信号?
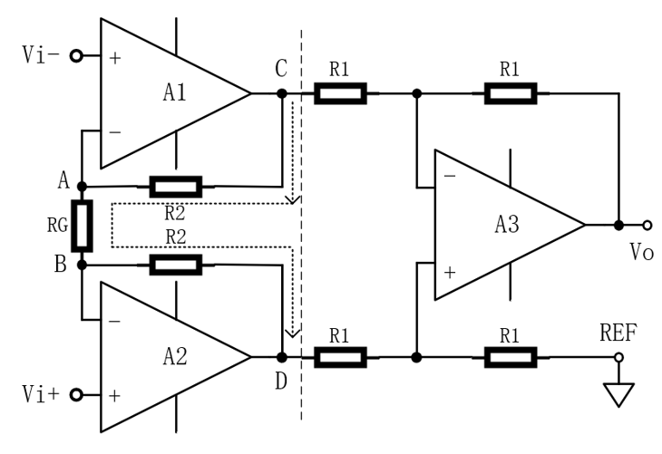
仿真分析仪表放大器共模抑制比
硬件工程师如何提高电路设计的可靠性?
找工作,学哪个国产Linux开发平台?
恒流PWM输出驱动电路
通俗理解:什么是运算放大器的增益带宽积?
赛事招募 |「未来造物局」鲲鹏奖·全球AI潮玩设计大赛高能开幕!引爆“智造”新方向
又短又好用:单片机就一个串口,如何和多个从机串口通信?串口如何实现一主多从?
“爬电距离”与“电气间隙”是怎样计算的?
千字分享:《运放秘籍》-运算放大器开环增益曲线仿真你会吗
为什么MOS管要并联个体二极管,有什么作用?体二极管的原理
教科书上没讲清楚的MOS管开关重点今天全交代 MOS管开关的过程解析
洪水猛兽:运放错误的高通滤波电路
国产芯片群雄逐鹿,你知道哪些有潜力的公司?基于瑞芯微RK3506J的开发板了解下
扒一扒电流检测电路和它的PCB layout注意事项
锂电池充电曲线分析 不使用锂电池专用充电芯片是否可以充电