在这个快节奏的时代,快速充电成为了我们日常生活的刚需。而快充技术的关键之一就是高性能MOSFET。快充用 MOSFET 需具备卓越的性能,能够高效地控制电流,实现快速稳定的充电过程。无论是为手机、电脑、Pad还是其他电子设备,都能在极短时间内注入充足的电量。

PD快充应用框图
经过数年的发展,快充技术已经从最初的手机出发,逐步覆盖到了笔记本电脑、电动工具、个人护理、新能源汽车、户外电源、TWS耳机、POS机、宠物用品、电子雾化器、充气泵等十余个市场。
近年来重点发展趋势是120W以上小体积的GaN/SiC PD快充。随着充电器内部的第三代半导体、MOSFET、同步整流、智能芯片等技术优化,会带来损耗更低、体积更小、功率密度更高的产品。
新型快充充电器对比
如传统的200W充电器,体积1100cm3,重量达1300g;而得益于基于第三代半导体及MOSFET功率器件同步整流方案的加持,新的240W快充,体积约160cm3,重量在250g左右,不仅体积更小,重量更轻,更便携,且损耗会更低,转换效率更高。
那么,基于MOSFET次级同步整流电路的电源,是如何实现电能的高效转换的呢?

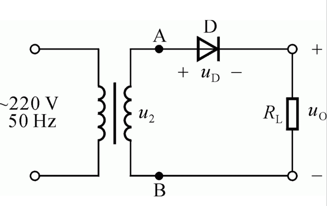
二极管整流电路
若快充电路的副边采用二极管作为整流管,称为二极管整流电路。由于快充的输出电流大,有时输出电流可高达5A,二极管因为有一个约0.7V左右的正向压降,所以二极管整流电路损耗较大,效率差。

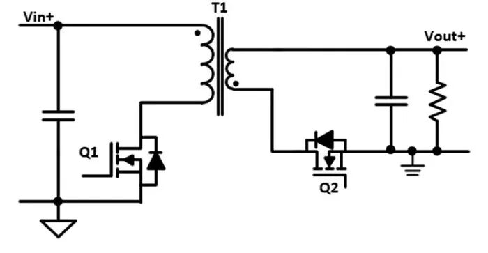
同步整流电路
如果使用MOSFET取代二极管作为整流管,称为副边(次级)同步整流。在同步整流中,由于 MOS管的 Rdson 非常小,一般为毫欧级别,导通后的压降非常低,损耗功率远远小于二极管。所以用MOS管做整流管的同步整流电路损耗低、效率高。
将MOS导通阻抗低、发热量小、开关速度快的优势成功应用到次级同步整流电路中,使得电源发热量大幅下降,可靠性更高,体积更小。采用同步整流MOS,电路整体效率可提升2~5%。以5V/9V 2A充电为例,同步整流方案温度可以降低约15°C (SOP-8封装情况下)。
芯导科技PD快充同步整流MOSFET产品推荐

PD快充同步整流MOS的耐压一般选择100V,可以为20V 标准输出提供 5 倍安全裕度,为48V 高功率输出提供 2 倍安全保障,同时可以有效应对反激电路特有的电压尖峰问题,在保持低导通电阻(3-9mΩ) 的同时具备良好开关性能,实现单器件兼容全系列 PD 协议,未来升级无忧,因此工程师通常选择100V耐压的MOSFET,作为性价比最高的解决方案. 当然,也有一些厂家基于成本和实际应用考虑,会选择60V 耐压的MOS作为快充同步整流MOS。


Prisemi芯导科技用于快充同步整流的MOSFET产品均采用先进的分立栅沟槽MOSFET(SGT MOS)技术,较传统单栅沟槽MOSFET,分立栅MOSFET拥有出色的导通及开关特性,极佳的散热能力和安全性。如下对比数据,相同芯片面积下,分立栅MOSFET具有更低的导通电阻即导通损耗低。相同导通电阻情况下,分立栅MOSFET电容(尤其是米勒电容Crss)参数值更小,Qg更小即开关损耗低。
Prisemi 的MOS产品已成功应用在多个品牌客户的PD快充同步整流电路中。
企业介绍
芯导科技(Prisemi)专注于高品质、高性能的模拟集成电路和功率器件的开发及销售,总部位于上海市张江科学城。
公司于2009年成立,至今已获国家级专精特新“小巨人”企业、“上市公司金牛奖”、“上市公司金质量奖”、“功率半导体领军企业”、“上海市规划布局内重点集成电路企业”、“高新技术企业”、“上海市科技小巨人企业”等荣誉资质,并已拥有百余项知识产权。公司已在上海证券交易所科创板上市,股票简称"芯导科技",股票代码为688230.SH。
芯导科技专注于功率IC(锂电池充电管理 IC、OVP过压保护 IC、音频功率放大器、GaN 驱动与控制IC、DC/DC电源IC等)以及功率器件(ESD、EOS/TVS、MOSFET、GaN HEMT、SiC MOS、SiC SBD、IGBT等)的开发及应用。公司在深耕国内市场的同时,积极拓展海外市场,目前产品已远销欧美日韩及东南亚等国家与地区,可应用于移动终端、网络通信、安防工控、电源、储能、汽车电子、光伏逆变器等领域。
全部0条评论
快来发表一下你的评论吧 !