BSRD-2503驱动板由青铜剑技术和基本半导体团队联合研发,是一款专门针对62mm碳化硅MOSFET半桥模块的产品,适用于碳化硅电镀电源、碳化硅感应加热电源等应用,具有高可靠性、强适应性等特点。

01 产品特点
功率器件最高电压1200V
单通道驱动功率2W,峰值电流±10A
绝缘电压高达4000Vac
集成隔离DC/DC电源
集成原边/副边电源欠压保护
集成米勒钳位
02 配套零件
BSRD-2503所应用到的双通道隔离变压器、单通道隔离驱动芯片、正激DCDC电源芯片三款零件均为公司自主研发产品,客户可分别采购进行整体方案的设计。

隔离驱动专用正激DC-DC芯片BTP1521x

// 产品特点
输出功率可达6W
适用于给隔离驱动芯片副边电源供电
正激电路(H桥逆变或推挽逆变)
软启动时间1.5ms
工作频率可编程,最高工作频率可达1.3MHz
VCC供电电压可达24V
VCC欠压保护点4.7V
工作环境-40~125℃
芯片过温保护点150℃,过温恢复点120℃
封装体积小
// 应用推荐电路图
DC1和DC2接变压器原边线圈,副边二极管桥式整流,组成开环的全桥拓扑(H桥逆变),输出功率可达6W,输出经过电阻和稳压管分压后构成正负压,供碳化硅MOSFET使用,适用于给隔离驱动芯片副边电源供电。

BTP1521x推荐电路(功率小于6W情况下)
当副边需求功率大于6W时,可以使用推挽逆变拓扑,通过DC1和DC2端控制外接的MOSFET来增加输出功率。

BTP1521x推荐电路(功率大于6W情况下)

双通道隔离变压器TR-P15DS23-EE13

// 产品特点
TR-P15DS23-EE13是驱动器专用的隔离电源变压器
采用EE13骨架(磁芯材质铁氧体)
可实现驱动器隔离供电,传输功率可达4W(每通道2W)
// BTP1521F搭配隔离变压器TR-P15DS23-EE13典型应用介绍
全桥式拓扑,副边两路输出,单路输出功率可达2W,总输出功率4W
输入电压15V,副边全桥整流输出全电压(VISO-COM=23V)
输出全电压通过4.7V的稳压管,将全电压拆分成正电压(VISO-VS=18V),负电压(COM-VS=-4V)
BTP1521F的OSC管脚通过电阻R5=42.2kΩ接地,设置工作频率为F=477kHz
工作频率可以通过RF-set电阻设置,本公式提供了RF-set(kΩ)和F(kHz)之间的关系(典型值):



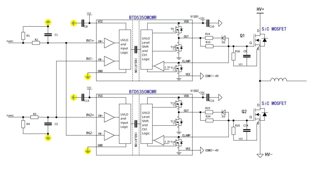
隔离驱动BTD5350MCWR
// 典型应用介绍
原方VCC供电电压15V
BTD5350xx是电压型输入的电容隔离的驱动芯片,输入INx是高阻抗引脚,如果输入信号PCB布线不合理,容易导致输入信号受到干扰,为了使芯片的输入端表现为电流源特征,建议在PWM输入接电阻R1=3kΩ到地,如果PWM电平为15V,则PWM线上的电流约为5mA,目的是使得PWM信号的线路上能产生足够的电流,可以避免芯片输入IN脚受到干扰,同时靠近芯片IN脚接滤波电容C1=100pF到地
副方电源VISO接+18V,COM接-4V,G连接到主功率板上的门极电阻
驱动芯片米勒钳位Clamp连接到主功率板上碳化硅MOSFET门极

// 典型半桥应用介绍---防桥臂直通互锁设计
PWM1信号经过RC网络连接到IN1+和IN2-,PWM2信号经过RC网络连接到IN2+和IN1-,进行PWM信号输入互锁,当PWM1和PWM2同时为高电平时,驱动芯片BTD5350MCWR副边同时输出低电平,防止桥臂直通。

03 适配模块推荐
BSRD-2503驱动板可适配基本半导体62mm封装的1200V工业级碳化硅MOSFET半桥模块。此模块采用新一代碳化硅MOSFET芯片技术,在保持传统62mm封装尺寸优势的基础上,通过创新的模块设计显著降低了模块杂散电感,使碳化硅MOSFET的高频性能得到更充分发挥。

产品特点
采用基本半导体新一代碳化硅MOSFET芯片技术,性能更优
低导通电阻,高温下RDS(on)表现优异
低开关损耗,提高开关频率,提升功率密度
高性能Si3N4 AMB和高温焊料引入,提高产品可靠性
高可靠性和高功率密度
低杂散电感设计,14nH及以下
铜基板散热
青铜剑技术专注于功率器件驱动器、驱动IC、测试设备的研发、生产、销售和服务,产品广泛应用于新能源、电动汽车、智能电网、轨道交通、工业控制等领域。
全部0条评论
快来发表一下你的评论吧 !