搜索内容
登录
74132
0人关注
...展开
0
文章
0
视频
0
帖子
8453
阅读
关注标签,获取最新内容
全部
资料
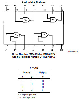
74132 TTL 2输入端四与非施密特触发器
2009-08-08
2102阅读
相关推荐
更多 >
IOT
海思
STM32F103C8T6
数字隔离
硬件工程师
wifi模块
MPU6050
UHD
Protues
74ls74
STC12C5A60S2
×
20
完善资料,
赚取积分