搜索内容
登录
BUCK
32人关注
升压和降压电路,就是指电力电子设计当中常说的BUCK/BOOST电路。这两种电路经常一起出现在电路设计当中,BUCK电路指输出小于电压的单管不隔离直流变换,BOOST指输出电压高于输入电压的单管不隔离直流变换。
...展开
336
文章
64
视频
128
帖子
67684
阅读
关注标签,获取最新内容
全部
技术
资讯
资料
帖子
视频
产品
方案
数字电源设计资料
2021-06-17
1151阅读
电源反馈设计速成篇
2021-06-17
836阅读
浅析TPS82130SILR电源模块产品替代产品
2021-11-11
3284阅读
BUCK自举驱动说明
2021-05-09
1038阅读
BUCK设计基础是什么
2021-05-01
2582阅读
BUCK电路工作原理分析详细阐述
2021-03-25
2.6w阅读
一文学会自举电路原理
2021-03-25
1.1w阅读
怎么选择BUCK降压电源的电感?
2021-02-04
1.2w阅读
PW2228A高效率Buck Boost变换器的数据手册免费下载
2021-01-29
2229阅读
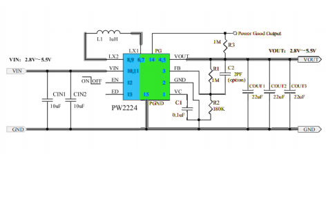
PW2224高效率Buck Boost变换器的数据手册免费下载
2021-01-29
1691阅读
ME3149恒压恒流环路Buck DCDC转换器的数据手册免费下载
2021-01-31
1180阅读
如何使用ARM实现BUCK型开关电源的设计
2021-01-26
1555阅读
AN6575开关Buck Boost控制器的数据手册免费下载
2021-01-05
1270阅读
Buck变换器的工作原理与设计的学习课件免费下载
2020-12-07
1485阅读
一文详解buck的电路设计
2020-12-05
2.2w阅读
一些开关电源的拓扑结构详细分析
2021-01-06
1183阅读
如何选择合适的隔离电源
2021-01-06
1110阅读
PW2224高效降压升压变换器的数据手册免费下载
2020-11-23
2100阅读
电源反馈设计的建模资料概述
2020-11-11
749阅读
buck变换器的工作原理和降压原理等资料详细概述
2020-11-07
6783阅读
上一页
16
/
24
下一页
相关推荐
更多 >
IOT
海思
STM32F103C8T6
数字隔离
硬件工程师
wifi模块
MPU6050
Protues
UHD
STC12C5A60S2
74ls74
×
20
完善资料,
赚取积分