搜索内容
登录
KE-MR50
0人关注
...展开
0
文章
0
视频
0
帖子
6593
阅读
关注标签,获取最新内容
全部
资料
索尼KE-MR50S2等离子彩电维修手册
2010-12-07
553阅读
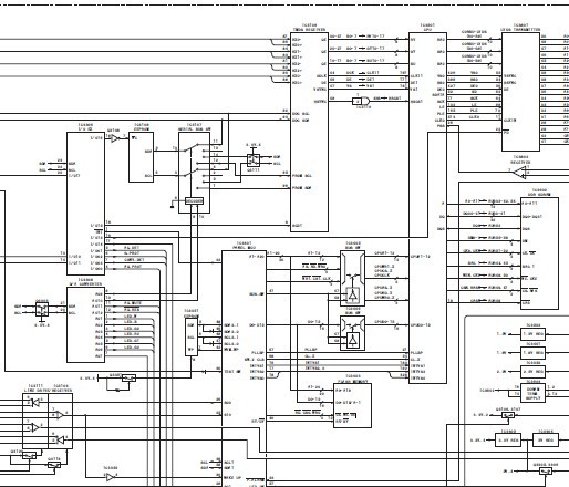
索尼KE-MR50M2液晶彩电电路图纸
2010-12-07
694阅读
相关推荐
更多 >
IOT
海思
STM32F103C8T6
数字隔离
硬件工程师
wifi模块
MPU6050
Protues
STC12C5A60S2
UHD
74ls74
×
20
完善资料,
赚取积分