搜索内容
登录
KV-21LS
0人关注
...展开
0
文章
0
视频
0
帖子
5024
阅读
关注标签,获取最新内容
全部
资料
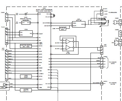
索尼KV-21LS30E彩电图纸
2010-12-09
570阅读
相关推荐
更多 >
IOT
海思
STM32F103C8T6
数字隔离
硬件工程师
wifi模块
MPU6050
Protues
STC12C5A60S2
74ls74
UHD
×
20
完善资料,
赚取积分