搜索内容
登录
驱动器IC
关注
0
人关注
驱动器从广义上指的是驱动某类设备的驱动硬件。在计算机领域,驱动器指的是磁盘驱动器。
NCV5702 IGBT栅极驱动器 大电流 独立式
NCV5702是一款高电流,高性能独立式IGBT驱动器,具有非反相输入逻辑,适用于高功率应用,包括PTC加热器,EV充电器,动力总成逆变器和其他汽车电源等汽车
NCV5703 IGBT栅极驱动器 大电流 独立式
NCV5703系列是一组高电流,高性能独立式IGBT驱动器,具有非反相输入逻辑,适用于中高功率应用,包括PTC加热器,EV充电器和其他汽车等汽车应用电源。通过
NCV7120 带N-FET预驱动器的六角形电磁阀电流控制器
NCV7120是一款六通道电磁阀电流控制器,带有用于分立式N-FET的低侧预驱动器。该芯片可用于精确电流控制的螺线管应用。每个预驱动器通道都包含一个带抖动调制
NCV7544 用于电机控制应用的四通道半桥MOSFET预驱动器
NCV7544可编程四通道半桥MOSFET预驱动器是用于驱动逻辑电平NMOS FET的FLEXMOS汽车级产品系列之一。该产品可通过串行SPI和CMOS兼容并
LV8417CS 正向/反向1通道H桥电机驱动器
LV8417CS是1通道H桥电机驱动器IC。采用晶圆级封装(WLP),封装尺寸极小。此外,导通电阻很低(典型值为0.27Ω的上限和下限)。应用电压范围很宽(2
NCV7726B 12通道半桥驱动器
NCV7726B是一款12通道半桥驱动器,具有专为汽车和工业运动控制应用而设计的保护功能。该产品具有独立的控制和诊断功能,驱动器可在正向,反向,制动和高阻状态
NCV7726 12通道半桥驱动器
NCV7726是一款12通道半桥驱动器,具有专为汽车和工业运动控制应用而设计的保护功能。该产品具有独立的控制和诊断功能,驱动器可在正向,反向,制动和高阻状态下
NFVA35065L32 智能功率模块(IPM) AEC-Q和AQG324 汽车 逆变器650V 50A
NFVA35065L32是一款先进的汽车智能功率模块(IPM),为混合动力和电动汽车提供功能齐全的高性能逆变器输出级。这些模块集成了内置IGBT的优化栅极驱动
LV8068V 单相全波风扇电机驱动器
LV8068V是单相双极风扇电机,通过BTL输出线性驱动器驱动,通过抑制无功功率实现高效率,低功耗和低噪声。 BTL输出可以通过外部信号将PWM控制放在一起,
LV8805SV 电机驱动器 传感器少 无刷 三相
LV8805SV是一款三相无传感器电机驱动器IC。三相驱动器可实现低功耗和低振动。霍尔无传感器驱动器可以减小电机系统的尺寸。该IC适用于需要高可靠性和长寿命的
LV8121V 三相无刷电机驱动器
LV8121V是一款采用PWM驱动技术的三相无刷电机驱动器。通过改变基于模拟电压输入的PWM占空比来控制电动机速度。该电机驱动器包括一个自动返回约束保护电路,
LV8806QA 三相无传感器电机驱动器
LV8806QA是一款三相无传感器电机驱动器IC。三相驱动器可实现低功耗和低振动。霍尔无传感器驱动器可以减小电机系统的尺寸。该IC适用于需要高可靠性和长寿命的
LV8811G 电机驱动器 三相 PWM 全波 BLDC
LV8811G是一款三相BLDC电机驱动器,由单个霍尔传感器控制。采用180度正弦驱动方式,IC可控制低振动,低噪音的电机。此外,可通过外部引脚调整超前角。可
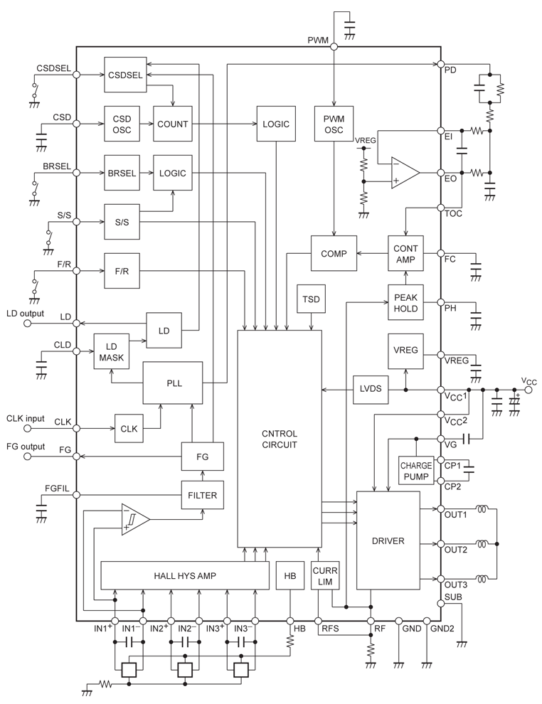
LV8105W 用于变速控制的三相无刷电机预驱动器
LV8105W是一款预驱动IC,专为三相无刷电机的变速控制而设计。它可用于使用内置电荷泵电路实现高端和低端输出N沟道功率FET驱动电路。通过使用低噪声PWM驱
LV8161MU 单相风扇电机驱动器
LV8161MU是用于单相风扇电机的带BTL线性输出的驱动器IC,通过抑制无功功率以低噪声驱动。此外,它具有固定与CIN / COUT引脚设定的振荡频率对应的
LV8104V 电机预驱动器 无刷 三相
LV8104V是一款预驱动器IC,专为三相无刷电机的变速控制而设计。其集成电荷泵满足上下N沟道栅极驱动要求。通过使用直接PWM驱动和同步整流实现高效率操作。
LV8804FV 电机驱动器 传感器少 无刷 三相
LV8804FV是一款三相无传感器电机驱动器IC。三相驱动器可实现低功耗和低振动。霍尔无传感器驱动器可以减小电机系统的尺寸。该IC适用于要求高可靠性和长寿命的
LV8824QA PWM预驱动三相无刷电机驱动器
LV8824QA是一款PWM预驱动器IC,适用于三相无刷电机。该IC的设计基于Nch FET用作上输出晶体管和下输出晶体管的假设。通过外部输入PWM脉冲或DC
LV8139JA 正弦波PWM驱动 预驱动IC 用于无刷电机驱动
LV8139JA是一款专为三相无刷电机设计的PWM系统预驱动器IC。该IC采用高效正弦波PWM驱动方式,可降低电机驱动噪声。它集成了全套保护电路,通过与STK
LV8111VB 用于多棱镜电机的三相无刷电机驱动器
LV8111VB是一款三相无刷电机驱动器,旨在作为激光束打印机(LBP)多面镜电机的完全集成驱动器。这是一种高度集成的解决方案,它采用DMOS输出结构,采用同
上一页
6
/
46
下一页