描述
一、硬件
CTT 是用于双极晶体管的计算机控制测试仪和绘图仪。该设备通过并行端口连接到机器。
工作模式和测量电压

测量电压
测量原理

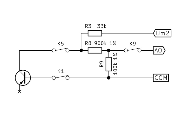
1 / 6 •用于测量集电极-基极击穿电压的电路
执行

1 / 6 •用于测量集电极-基极击穿电压的电路

簧片继电器的闭合触点
注:图片上的电子零件在单位 CTT/SW2 中。
内部结构
该设备由十个单元组成,它们位于单独的印刷电路板上。这些单元使用传统(捆绑)布线相互连接,它们之间只有几个较大的组件。数字单元用作外围设备并使用选择器线进行读/写。

选择器线和数据位
有关这些单元的示意图,请参见附件,或查看 Github 存储库以获取所有 CAD 文件。
单位

1 / 8 • CTT/IF 单元
CTT/IF 单元
该单元与之前的项目 ( LPTIO ) 相同。
接口有 8 个可设置的设备 ID (EqID)、8 个选择输出、8 个输入和 8 个输出,并通过 LPT 端口连接到计算机。四位 EqID 标识设备,可以使用跳线进行设置。
在 I/O 操作之前,计算机发送一个 3 位选择器地址和一个 4 位 EqID,存储在 IC2 八进制 D 型触发器电路(74LS374)中。(从 -INIT 行接收启用)。存储和设置的 ID 由 IC3 比较器(74LS688)进行比较,如果匹配,则启用 IC4 多路复用器电路(74LS138)。第二个启用来自 -STROBE 线上的 LPT 端口。标识符的匹配在 -ERROR 行上指示给计算机。如果启用多路复用器,则激活对应于存储地址的选择器线。然后可以执行来自所选地址的 I/O 操作。
PC 使用 4x2 输入多路复用器电路(IC5:74LS157)分两部分读取八位。半字节数据在BUSY、-ACK、SLCT和PE线上输入,-AUTOFD用于选择低半字节和高半字节。
输出通过 IC1 总线收发器 (74LS245) 电路进行缓冲,以保护 LPT 适配器的同一电路。PC 通过线 D0-7 写入 1 字节数据。
CTT/SW1
第一切换单元负责控制第二切换单元。
通过激活-SL0 选择线可以将一个字节的数据输入到开关单元中。数据的前三位决定工作模式,第四位不使用,第五位可用于切换Ube/Uce测量,第六位启用前一位选择的测量,第六位可用于选择晶体管的结构(NPN/PNP)和第八个可以为功率晶体管选择更高的电流测量。
输入的字节由 IC1 八进制 D 型触发器电路(74LS374)存储。低三位进入多路复用器 IC2 (74LS138)。多路复用器的输出 O0 和 O7 为默认位置,此处不进行测量,测试连接器断电。其他输出通过反相器 IC3 (74LS04) 和二极管 D1-14 驱动 14 晶体管开路集电极输出。二极管电路确保与操作模式对应的输出被打开,输入信号相互分离。
IC1 O4-6的输出通过晶体管进入二极管和输出晶体管,输出O7通过位于面板外部的继电器切换较低/较高的电流测量,该继电器由晶体管切换。
CTT/SW2
第二开关单元由第一开关单元控制。它的任务是将测量电压和 A/D 转换单元连接到要测量的晶体管。
所有继电器均为干簧继电器,其线圈为自制。电阻器 R10-R23 限制线圈中的电流。二极管 D1-D14 在继电器关闭时抑制反极性电压峰值。
测量电路独立于设备的 GND。
CTT/AD
A/D 转换单元测量测量电路的电压。
测量从激活 -SL5 选择线开始。由于有源线,IC2 D型触发器电路(74LS74)翻转并开始测量。测量结束由 A/D 转换器的 STATUS 输出发出信号,它复位触发器,转换器进入 HOLD 状态。
IC1 A/D 转换器(ICL7109)是 12 位的,所以输出数据是两个字节。输出数据通过总线驱动电路IC3和IC4(74LS245)连接到数据总线。测量值的低字节使用 -SL3 读取,高字节 -SL4 读取。高字节第 6 位表示输入电压的极性,第 7 位表示溢出,第 8 位表示电流测量。第 5 位始终为 0。
CTT/DP
显示单元通过设备前面板上的 LED 显示设备的状态。
通过激活-SL0 选择线,可以在切换单元的同时将一个字节的数据输入该单元。数据的前三位决定工作模式,第四位未使用,第七位用于选择晶体管的结构,第八位用于测量功率晶体管。
输入字节存储在IC1 八进制D 型触发器电路(74LS374)中。低三位进入多路复用器 IC2 (74LS138)。多路复用器的输出 O0-O7 连接到操作模式 LED。
IC1 O6 的输出连接到黄色 NPN LED 并通过晶体管逆变器连接到黄色 PNP LED。输出 O7 驱动大功率 LED。
CTT/SC
状态收集器单元的任务是将四个数字状态传输到控制单元。
当 -SL1 选择线被激活时,IC1 总线驱动电路(74LS244)将其输入状态传输到数据线,数据线的高四位始终为 0。
本机目前未使用。
CTT/PS1
该单元的任务是为数字电路单元提供稳定的直流电压:+5 V 2 A 和 -5 V 500 mA,以及产生与接地无关的测量电压 Um2,约为 100 V。该单元还包含极性变化继电器驱动器。该继电器位于单元之间。
CTT/PS2 和 CTT/PS3
两个电源都产生一个具有可切换极性的不接地测量电压。CTT/PS2 的输出电压为 20 V 1.5 A,CTT/PS3 的输出电压为 1 V 100 mA。输出电压可以256级调节。输出具有过流保护。
该电源基于 LM317 稳压器的两种子类型。电路的输出电压可以很容易地调整,并且它的输出有热保护和短路保护。
变压器的双次级电压经过双向整流后到达缓冲电容。正电压进入稳压器电路 (IC1),负电压进入由齐纳二极管构成的稳压器,该稳压器提供偏置电压。0V 输出电压可通过微调电位器 (P1) 设置。
通过激活 -SL7 或 -SL6 选择线,可以将一个字节的数据输入到该单元中。输入字节存储在IC2 八进制D 型触发器电路(74LS374)中。数据立即出现在存储输出上,并在晶体管 T1-8 的帮助下打开 K2-9 PCB 继电器。继电器的触点改变了稳压器的梯形电阻值,因此输出电压也发生了变化。
CTT/PS4
该单元的任务是为其他电源提供交流电。它包括一个强大的电源变压器和初级电路组件。变压器是环形的,有五个次级绕组:8 V 2 A;8V 500mA;18 伏 10 毫安;2x25V 1A;2x5V 100mA。
图片中的建筑
设备正面没有装饰性正面和背面:

1 / 2 •设备正面
在支撑导轨中带有成品电路的设备盒:

1 / 2 •盒子内部。
接线:

1 / 5 •连接了五个单元
CTT/SW2 中的簧片继电器线圈:

1 / 4 •原材料为光面纸
线圈数据:n=600 l=15 mm d=0.15 mm 漆包漆包线,d=3 mm l=20 mm 涂漆纸管。R=15 欧姆。
二、软件
通过该程序,可以测量双极晶体管的特性,根据h21e绘制和选择它们的输入和输出特性。该程序仅适用于 Linux,二进制包可从其网站获得。
该程序包含许多晶体管的特性,可以重写和保存,也可以创建新的。
显示的颜色可以在首选项窗口中更改,网格和标题可以在图形显示上关闭。标题包含轴名称、分辨率和标记的当前位置,这是一个十字准线。在“首选项”窗口中,您还可以设置适配器所连接的并口地址、浏览器和邮件程序以及程序启动时不搜索更新时的离线模式。
输入特性显示 X 轴分辨率为 100 mV/div,Y 轴分辨率为 50 μA/div,最大可显示 2 V/700 μA Ube/Ib 值。
输出特性显示的 X 轴分辨率为 1000 mV/div,Y 轴分辨率为 100 mA/div,最大可显示 20 V/1400 mA Uce/Ic 值。
截图

1 / 5 •第一个选项卡:测量击穿电压和反向电流
注:截图是开发过程中截取的,所以特性曲线是根据demo数据绘制的。
程序结构
该软件由两部分组成:具有图形界面的处理程序应用程序和与硬件通信的命令行程序。该程序仅在测量期间运行。数据通过命令行参数从处理程序传输,从带有临时文件的后台程序传输。
后端程序具有可以在编译期间激活的 DEBUG 和 DEMO 模式。不要离开他们!
处理程序和后端程序之间的数据传输

1 / 2 •将数据从处理程序应用程序传递到后端程序
有关程序操作的更多信息可以在源目录的 notes.txt 中找到。
三、执照
版权所有 (C) 2010-2022 Pozsár Zsolt
CTT 程序是免费软件:您可以根据欧盟公共许可证1.1 或更高版本的条款重新分发和/或修改它。CTT 程序的分发是希望它有用,但没有任何保证;甚至没有对适销性或特定用途适用性的默示保证。
您可以根据Creativ Commons 4.0 Attribution Non-Commercial (CC-BY-NC-4.0) 许可的条款重新分发和/或修改 CTT 的文档。
四。发展状况

项目状态
PCBWay的板子到了,他们做得很好。
电源装置很快就会准备好,我将继续使用设备和程序。
声明:本文内容及配图由入驻作者撰写或者入驻合作网站授权转载。文章观点仅代表作者本人,不代表电子发烧友网立场。文章及其配图仅供工程师学习之用,如有内容侵权或者其他违规问题,请联系本站处理。 举报投诉
全部0条评论
快来发表一下你的评论吧 !