搜索内容
登录
放大器IC
关注
0
人关注
放大器是能把输入讯号的电压或功率放大的装置,由电子管或晶体管、电源变压器和其他电器元件组成。用在通讯、广播、雷达、电视、自动控制等各种装置中。
AD8417 双向、零漂移、电流检测放大器
优势和特点 失调漂移:0.1 µV/°C(典型值) 电压失调:±400 µV(最大值,全温度范围) 电源工作范围:2.7 V至5.5 V 集成电磁干扰(
LTC6101 采用 SOT-23 封装的高电压、高压侧电流检测放大器
优势和特点 电源范围: 5V 至 100V,105V 绝对最大值 (LTC6101HV) 4V 至 60V,70V 绝对最大值 (LTC6101) 低
LT6118 电流检测放大器、基准和具 POR 功能的比较器
优势和特点 电流检测放大器 快速阶跃响应:500ns 低失调电压:200μV (最大值) 低增益误差:0.2% (最大值) 内部 400mV 高精度基准
LTC6104 高电压、高压侧、双向电流检测放大器
优势和特点 宽电源范围:4V 至 60V (70V 绝对最大值) 低失调电压:±450μV (最大值) 快速响应:1μs 响应时间 增益可利用外部电阻器进行配
AMP03 高速差分放大器
优势和特点 高共模抑制比(CMRR):典型值100 dB 低非线性度:0.001%(最大值) 低失真:0.001%(典型值) 宽带宽:3 MHz(典型值)
LTC6102 精准零漂移电流检测放大器
优势和特点 电源范围: 4V 至 60V,绝对最大值为 70V (LTC6102) 5V 至 100V,绝对最大值为 105V (LTC6102HV)
LTC6115 高电压、高端电流和电压检测
优势和特点 电流检测 宽范围:5V 至 100V 低失调电压:±500µV (最大值) 响应时间 1µs 带 2 个电阻的可配置增益 低输入偏置电流:170nA
LT6375 ±270V 共模电压差动放大器
优势和特点 ±270V 共模电压范围97dB 最小 CMRR (LT6375A)0.0035% (35ppm) 最大增益误差 (LT6375A)1ppm/°C
LTC6103 双通道、高电压、高压侧电流检测放大器
优势和特点 两个独立的电流检测放大器 宽电源范围:4V 至 60V,70V 绝对最大值 低失调电压:450μV (最大值) 快速响应:1μs 响应时间 增益可
AD8324 3.3 V DOCSIS 2.0上行电缆线路驱动器
优势和特点 支持关于反转通路传输系统的DOCSIS 2.0和Euro-DOCSIS标准 增益可在59 dB范围内、以1 dB步进编程 低失真(61 dBm
LT1990 ±250V 输入范围、增益 G=1 或 10 的微功率差分放大器
优势和特点 引脚可选增益:1 或 10 高共模电压范围: 85V 窗口 (VS = 5V、0V) ±250V (VS = ±15V) 共
AD5560 1.2A可编程器件电源,集成16位电平设置DAC
优势和特点 可编程器件电源(DPS) FV、MI、MV、FNMV功能 5个内部电流范围(片内RSENSE) ±5 μA、±25 μA、±250 μA、
ADATE304 200 MHz双通道集成DCL,提供电平设置DAC、单引脚PMU和单芯片(Per Chip) VHH功能
优势和特点 驱动器3电平驱动器,提供高阻态模式和内置箝位电路精密调整的输出电阻低泄漏模式:<10 nA(典型值)电压范围:−2.0 V至+6.0 V脉冲宽
LT1990-10 ±250V 输入范围、100kHz、G = 10、 微功率差分放大器
优势和特点 增益 = 10–3dB 带宽 = 100kHz高共模电压范围:±250V (VS = ±15V)85V 窗口(VS = 5V、0V)共模抑制比:60
ADATE305 250 MHz双通道集成DCL,提供电平设置DAC、单引脚PMU和单芯片(Per Chip) VHH功能
优势和特点 驱动器欲了解更多信息,请参考数据手册比较器窗口和差分比较器输入等效带宽:500 MHz负载最大±12 mA电流能力单引脚PMU欲了解更多信息,请参考
ADATE209 4.0 GBPS双通道驱动器
优势和特点 >4.0 Gbps (2 V摆幅) 上升时间/下降时间:120 ps(2 V摆幅) <1.0 W(双通道驱动器,每通道<500
RH6105 Radiation Hardened Micropower Precision, Rail-to-Rail Input Current Sense Amplifier
优势和特点 Processed in Compliance with LTC Certified MIL-PRF-38535 Class V Flow* Ve
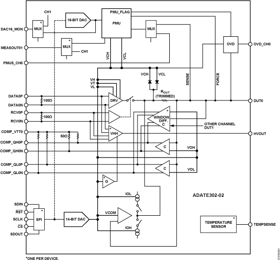
ADATE302-02 500 MHz双通道集成DCL,提供差分驱动/接收、电平设置DAC和单引脚PMU功能
优势和特点 3电平驱动器,提供高阻态模式和内置箝位电路精密调整的输出电阻低泄漏模式:<10 nA(典型值)电压范围:−2.0 V至+6.0 V脉冲宽度:1
AD8390A 低功耗、高输出电流差分放大器
优势和特点 电压反馈型放大器非常适合ADSL和ADSL2+中央局(CO)、用户端设备(CPE)应用支持高电流差分应用 低功耗工作单电源或双电源供电:10 V
AD5520 单位引脚参数测量单元/信号源测量单元
优势和特点 驱动电压、测量电流及驱动电流、测量电压功能 输出电压范围: ±11 V 四种可编程驱动/测量电流范围:±4 µA、±40 µA、±400 µA、
上一页
12
/
151
下一页